电视信号发生器是检修和调试电视机、天线放大器等的常用仪器。本文介绍一种简单易制的电视信号发生器,它产生黑白相间的棋盘格信号,射频辐射输出,可以在V\(_{L}\)、VH、U三个频段接收。
一、电路工作原理
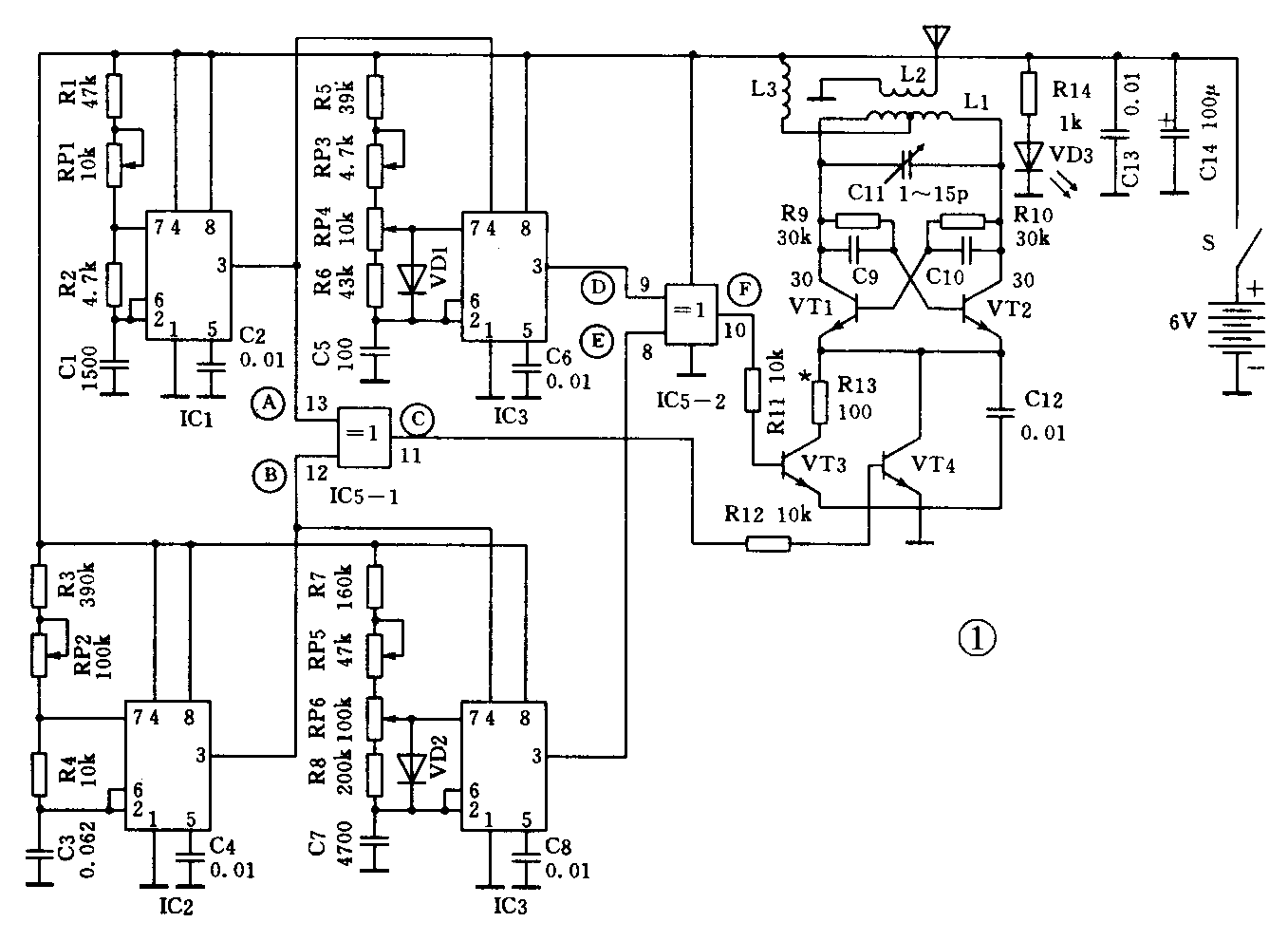
整机电路图见图1,它由同步信号产生电路、棋盘信号产生电路、射频振荡调制电路三部分组成。IC1、IC2、IC5-l等构成同步信号产生电路,其中,IC1、IC2是两块555时基集成电路,分别构成两个多谐振荡器,IC1产生行同步脉冲,IC2产生场同步脉冲,经异或门IC5-1后形成复合同步信号,波形见图27。IC3、IC4、IC5-2等构成棋盘信号产生电路,其中,555时基集成电路IC3、IC4分别构成两个多谐振荡器,IC3产生竖条信号,IC4产生横条信号,经异或门IC5-2后形成棋盘信号,波形见图280采用555时基集成电路和异或门产生同步信号和棋盘信号,电路结构简单、调试容易、工作可靠。


射频振荡调制电路由VT1~VT4等构成。晶体管VT1、VT2及L1、C11等构成双管推挽射频振荡器,振荡频率由L1、C11决定。双管推挽射频振荡器具有易于起振、输出功率较大,谐波较多的特点。VT3、VT4是调制晶体管,棋盘信号和同步信号分别控制VT3、VT4的导通或截止,从而实现了对射频振荡信号的调制(开关调制)。由于我国电视信号采用负极性调制,同步信号电平为100%,其它信号电平在75%以下,因此,在VT3集电极串入R13,使棋盘信号的发射电平为75%以下。
二、元器件选择与自制
IC1~IC4选用555时基集成电路。IC5选用CD4070四异或门电路,用其中的两个异或门。VT1~VT4选用S9018或其它f\(_{T}\)≥600MHz的NPN型小功率硅管,要求β≥50。VD1、VD2选用2CK型硅二极管。VD3是发光二极管,作电源指示用。RP1~RP6选用小型微调电位器。C11选用1~15P瓷介微调电容器。
振荡线圈L1用Φ1.0mm的镀银线(也可用裸铜线)间绕6圈,线圈直径10mm,在其中点焊上抽头引线。天线耦合线圈L2用■1.0mm漆包线间绕4圈,线圈直径10mm,嵌入L1中。天线可采用一段软拖线。高频扼流圈L3用Φ0.1mm漆包线在1MΩ电阻上绕90圈,线圈两头分别焊在电阻的两引脚上即可。
三、制作与调试
首先,按图3制成整机印刷电路板,将所有元器件焊入相应位置。然后对照图1检查核对无误后,接通电源,便可以按以下步骤进行调试了:

1.调整行同步信号周期T\(_{H}\):用多功能数字频率计(置于“时间测量”工作方式,下同)测量ICI③脚输出的行同步脉冲周期TH,调节RP1,使T\(_{H}\)=64μS,参见图4(a)。

2.调整场同步信号周期T\(_{C}\):多功能数字频率计接IC23脚输出端,调节RP2,使TC=20ms,参见图4(b)。
以上两步也可测其频率,使行同步信号频率f\(_{H}\)=15625Hz,场同步信号频率fc=50Hz。没有数字频率计时也可用示波器观测,但精度较低。
3.调整竖条信号:示波器接IC3③脚观测其输出信号,先调节RP3使竖条信号周期T\(_{a}\)=6.6μS;再调节RP4使其占空比为50%(Ta1=T\(_{a2}\)=3.3μS),参见图4c。
4.调整横条信号:示波器观测IC4③脚输出信号,先调节RP5使横条信号周期T\(_{b}\)=3066μS;再调节RP6使其占空比为50%(tb1=t\(_{b2}\)=1533μS),参见图4d。
5.调整射频振荡调制电路:将电视信号发生器置于电视机附近,打开电视机在4或5频道应能收到信号。如收不到,可适当调节C11改变振荡频率,或将天线在电视机拉杆天线上绕几圈以增强信号。观察电视机收到的棋盘信号是否稳定,如不稳,可适当增大R13以消除棋盘信号对同步信号的干扰。
如果没有频率计和示波器,也可通过直接观察收视效果来调整,方法是先进行第5步调整,当电视机收到信号后,①分别调节信号发生器的RP1和RP2,使图像行场同步;②调节RP3和RP5,使图像为16×12的棋盘方格;③调节RP4、RP6,使棋盘方格大小相等即可。
由于该电视信号发生器的谐波较丰富,因此在电视机的V\(_{L}\)、VH、U频段的许多频道上都可以收到信号(必要时可调节C11),使用很方便。(莫恩)