随着语音集成电路的大量应用,用户在语音长短、内容、触发形式和输出方式等方面对电路生产厂家提出了多种要求,但大多由于生产周期过长、批量太小等原因而无法实现。
我们推荐给用户的最新产品A5024恰好弥补了以上的不足。该芯片是CMOS工艺的大规模集成电路,采用标准14脚双列直插封装(DIP14)。由于使用时可一次编程(OTP),用户可以随意制做出各种声音、任意数量的语音电路,因此,广泛应用于需要语音的场合,如公共交通的报站、语音报警系统、电话秘书、玩具、设备的操作状态提示、广告宣传等。整个制作过程仅需几分钟时间。
A5024内部集成了语音电路的所有部件,大容量的ROM可容纳6kHz取样频率下24秒钟高质量的5-bit APCM编码的语音信号,并可按不同需要任意分成1~4段,每段时间可不等长。它的主要性能指标见表1。
表1:A5024的性能
工作电压 2.4V~6V
静态电流 0.1μA
工作电流 20
振荡频率 768kHz
编程电压 10.5V~12.5V
编码方式 5—bit APCM
语音长度 24秒(6kHz取样频率)
信号分段 1~4段
输出方式 电流或电压
触发方式 详见本文及表2
附加功能 LED输出停止脉冲输出
封装形式 DIP~14
为了适应各种场合下的应用和与外围电路灵活配接,A5024备有多种触发方式可供用户选择。
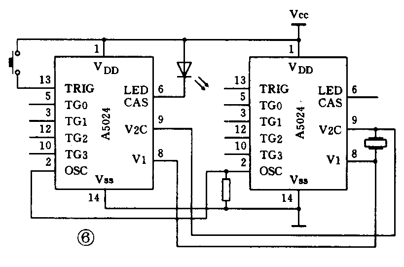
上电触发(Poweron):芯片每次上电时自动播放一次,如分多段,则按顺序将每段信息播放一遍。不选择本项,则无此功能。
电平触发(Trigger at level):用高电平作为触发信号。
脉冲触发(Trigger at edge):利用脉冲的上升沿作为触发信号。
持续触发(Play on hold):在电平触发状态下,触发端保持高电平则芯片持续播放语音信号,一旦去掉触发,则信号瞬间停止。如不选择本项,每触发一次,芯片完整地播放一段信号;触发端始终维持高电平,则信号重复播放;去掉触发后,等正在播放的这段信号完整地放完后,芯片停止工作。
后段盖前段功能(Retri-ggerable):选择本功能,每次触发时如果芯片正在放送语音信号,则该信号立即停止,芯片开始播放本次触发的信号。如无此功能,芯片在放语音信号时,触发信号无效。
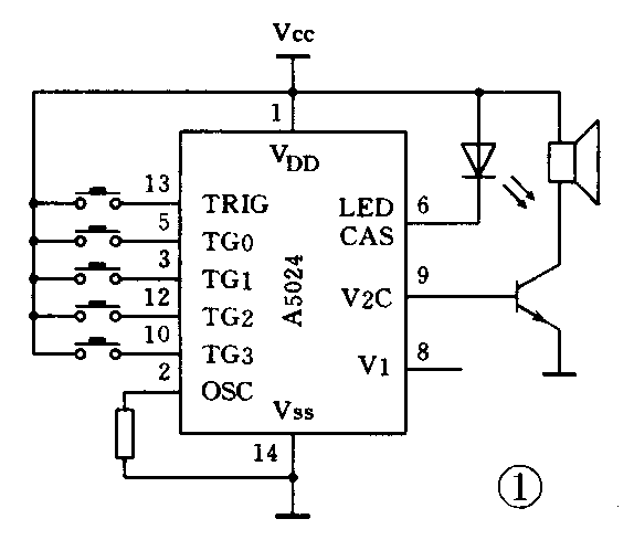
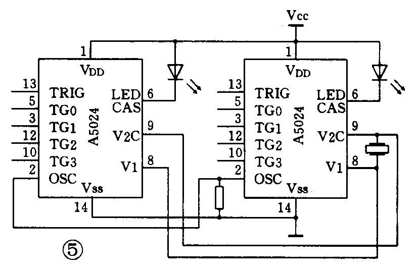
A5024的输出可选择为电流输出或电压输出,电流输出时经三极管放大后可推动扬声器发声;电压输出时可直接推动蜂鸣器,整个电路仅需外接一只振荡电阻(1MΩ左右)就可正常工作。
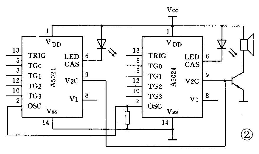
该芯片有一可选择的停止脉冲输出端,当一次触发后信号播放结束,电路的第⑥脚便输出一正脉冲,该脉冲可以触发其它电路,多块芯片用此功能可方便地实现连续播放,以便延长放音时间。该引脚也可编程为LED输出,在放音期间直接驱动LED发光。
A5024的所有可选择的功能见表2,它的具体应用电路参见图1至图6。
表2:A5024可选择编程的功能
上电触发功能 有/无
持续触发功能 有/无
触发方式选择 电平/脉冲
后段盖前段功能 有/无
输出方式 电流/电压
输出电平 高/低
LED输出 有/无






A5024的编程方法很简单,只要有一台386SX或更高级别的电脑,配备一个8位的声效卡,加上编程器就可任意制作各种语音电路。软件平台要求DOS3.3以上,如果能配置DOS6.0及Windows3.1就更好了。(戴富仁)