CD4017是一片CMOS十进制计数译码器,引脚排列如图1所示。

CD4017有3个输入端:复位清零端R,当在R端加高电平或正脉冲时,计数器清零,在所有输出中,只有对应“0”状态的Q0输出高电平,其余输出均为低电平;时钟输入端CP和CE,其中CP端用于上升沿计数,CE端用于下降沿计数,这两个输入端的内部逻辑电路如图2所示。由图2可见,CP和CE还有互锁的关系,即利用CP计数时,CE端要接低电平;利用CE计数时,CP端要接高电平。反之则形成互锁。


CD4017有10个译码输出端Q0~Q9,它仍随时钟脉冲的输入而依次出现高电平,见图3。此外,为了级联方便,还设有进位输出端QC,每输入10个时钟脉冲,就可得到一个进位输出脉冲,所以QC可作为下一级计数器的时钟信号。VDD、VSS是CD4017的电源正、负端。上表为其主要的电参数。

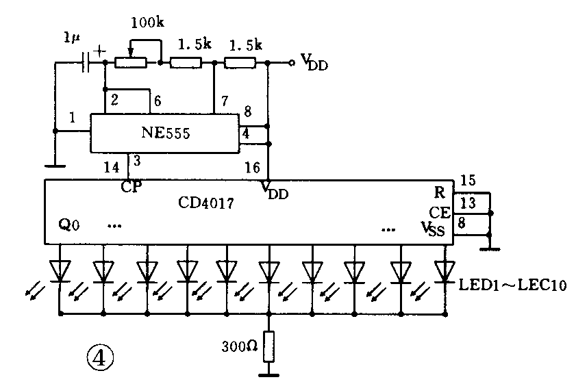
图4是一个彩灯循环、追逐控制电路。其中NE555组成一个脉冲振荡器,为CD4017提供时钟脉冲,Q0~Q9随时钟输入而依次出现高电平,所以LED1~LED10依次点亮,形成移动的光点。实际应用中各LED可排成环型、框型、放射状等。100k电位器用于调整循环速度。

图4电路也可用于测试CD4017,一般说来,对CD4017一类的集成电路,使用万用表测管脚间的阻值不能判别其好坏,要准确地测定其性能指标要使用专业的IC测试仪。图4电路可做为对CD4017的逻辑功能测试电路。
利用CD4017的10个输出端还可用于调光、调速,音量控制等,限于篇幅不赘述。(李洪明)