目前有许多地区市电的供电电压不稳定,使许多电器不能正常工作或损坏,人们设计生产了一些稳压器,但这些稳压器的控制线路大多是采用分立元件或小规模集成电路的芯片,使得控制电路复杂,调试不方便和故障率高。为了解决这些问题,我们利用单片机技术,专门设计了一种稳压器控制芯片HPO-132。
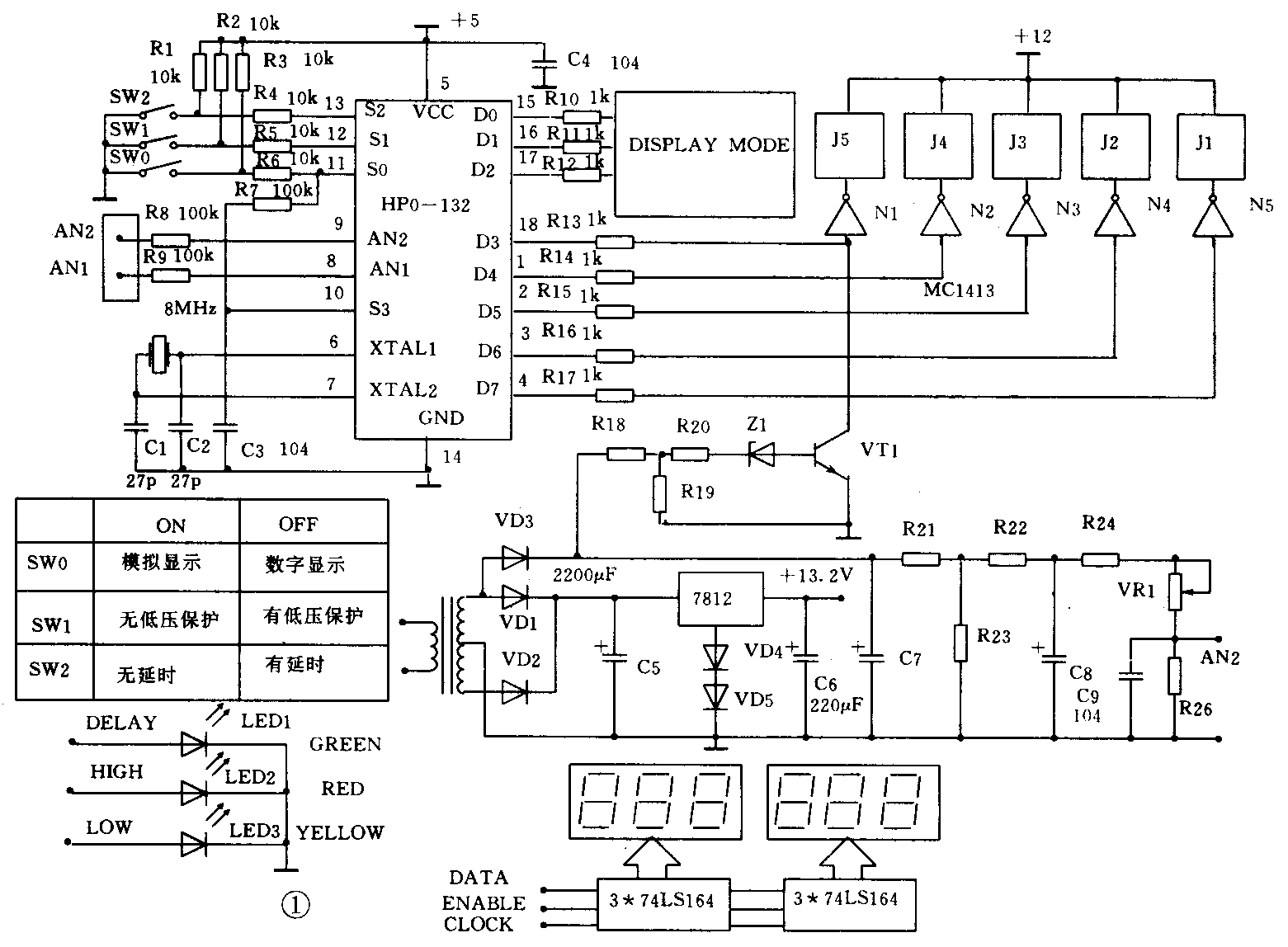
HPO-132是一种双列直插18条引脚的芯片,在芯 片内部包含有8位的CPU、ROM、RAM、I/O、A/D和 WDT(俗称看门狗电路)。利用HPO-132来设计制造 电压稳压器的控制线路,可使得线路所用元件少、调试 简单、整体可靠性高。图1是一种稳压器控制部分的原理图,从图中可以看出除了供电电路和驱动电路外,其它线路的功能都由HPO-132来完成,下面介绍HPO-132芯片设置的功能。

1.模拟转换功能:在HPO-132之中设置有AN1和AN2这二路模拟输入电路(A/D),AN1和AN2都能将输入模拟信号转换成000~400的数字信号。在稳压控制器中,AN1是作为输入 电压信号的输入端,在HPO-132内部CPU的控制下对输入的信号进行分析,根据事先设定的不同的分档电压值的参数,由D3~D7发出控制信号,以驱动继电器J1~J5动作,从而达到调整电压的目的。为了避免继电器在电压切换点附近频繁动作,在HPO-132的内部设置了10伏电压宽度的滞洄区,以保证继电器动作的可靠性。
AN2是作为稳压器输出电压信号的输入端,将经过稳压器稳压之后的电压对应的模拟信号送入AN2。当使用数字显示时,AN1和AN2上的输入信号的大小,就会在数码管上显示出来,使得稳压器具有数字电压表的功能。
2.显示方式的选择:在利用HPO-132作控制线路时,有两种显示方式可供选择,数字显示和模拟指针显示。显示功能的选择是由开关SW0来控制的,当SW0断开时,表示选择数字显示方式,大约每隔1秒就会从D0~D2引脚上发出对应AN1和AN2的数字信号,数字信号传送到数字显示模块之中时,便会显示出对应的数字信号。数字显示模块由二块三位的数码管和对应的74LS164组成,前三位数码管显示输入电压,后三位数码管显示稳压后的输出电压。
采用数字显示方式时,前三位数码管上还会显示稳压器工作状态的重要的提示符,如“DEL”表示稳压器延时接通输出电压,“HIU”表示输入的电压超过规定值,“LOU”表示输入电压过低。
如果接通SW0,则表示是采用模拟指针显示输入、输出电压信号的方式,各功能转换时在D0~D2上也会输出指示信号,但不再输出数字信号。延时保护时,则会在D0上输出高电平,以点亮绿色的LED1。输入电压超过规定值时,D1输出高电平,点亮红色的LED2。电压过低时,D2输出高电平,点亮黄色的LED3。
3.电压保护方式选择:电压保护方式的选择是由SW1来完成的,当断开SW1,输入电压低于120V时,HPO-132便会使J5释放,从而切断输出电压,并在数码管上显示“LOU”提示符或点亮LED3。
当接通SW1时,则HPO-132不提供低压保护功能,当输入电压低于120V时,稳压器的输出电压也会相应的低于200V。当输入电压为90V时,输出电压大约为170V。
当测得输入电压高于规定的260V时(这个电压值可根据要求重新设定),HPO-132也会切断输出电压,并会给出“HIU”提示符或点亮LED2。
VT1与外围元件组成了另一路过压保护线路,这个保护线路不论是检测输入电压,还是检测稳压器的输出电压,无论何种情况当输出电压超过最大允许规定值10伏时,VT1导通,使得继电器J5释放,从而切断输出电压。
在电压过低、过高保护之后,当输入的供电电压恢复到正常值时,输出电压也会恢复正常输出,显示正常数字电压。
4.延时保护方式选择:延时保护方式是由开关SW2来控制的,当开关SW2断开时,不论是接通电源或者是从输入电压过低、过高保护返回正常范围时,HPO-132都会在规定延时时间后,再接通输出电压。这个功能主要是为空调、电冰箱之类的负载而设定的。
当SW2接通时,只要供电电压在设定的范围内,J5就会吸合,立即接通输出电压。
HPO-132的延时保护时间,设定为5分钟,当然也可根据需要改变延时时间的长短。由于是采用晶振作时钟信号,延时是很精确的,并且不受温度变化和供电电压高低的影响。
5.看门狗电路(WDT):在HPO-132内部设有看门狗电路(也称为监督定时器电路),无论是由于何种原因使得HPO-132发生失误,看门狗电路都会在20毫秒内使HPO-132恢复正常工作。这一点是分立元件或小规模集成电路所办不到的,而且在20毫秒内继电器还来不及误动作。
另外由于将ROM、RAM、I/O、A/D等都集成在一片芯片内,使用HPO-132设计制造的控制线路,其抗干扰能力明显高于其它电路。
6.继电器的控制输出:HPO-132的D3~D7这5个端口是作为继电器的控制输出端,D3~D7经MC1413缓冲之后,便可直接推动继电器动作,由于MC1413内部已接有保护二极管,故在电路中不需再接。
图2是继电器控制部分和主变压器的原理图,HPO-132根据测得的输入电压值的不同,使不同的继电器工作,输入电压与继电器动作的关系如图所示,“V”表示继电器吸合,“X”表示继电器释放。在整个控制线路中,继电器的动作,是以测得的输入电压值而改变的,而不是以主变压器的输出电压为参考,这样能尽量减少继电器的误动作,而使输出电压稳定。

在HPO-132的控制线路中只使用5只继电器,采用二级调整,J1、J2、J3是一级,J4是另一级,使得稳压器能将120V~260V的输入电压调整到320±10%的范围内来。
图2中SK0是直通稳压选择开关,当开关拨向右边时,输入电压不经稳压器而直接输出,同时稳压器也不工作。当开关拨向左边时,输入电压经稳压器调整后再输出。
图3是一种示范控制板的元件安装图,所有的控制信号都由二个插座输出,在板中已包括有+12V和+5V稳压线路和输入输出电压的取样电路。由于HPO-132所需的外围元件很少,故印制板的外形尺寸只有90×60mm。

在设计整个电路时,考虑到安全问题,整个控制和显示部分与市电是通过变压器隔离的,这样便于调试和维修。
HPO-132不但可作220V稳压之用也可作380V稳压之用,数字显示范围也可适当拓宽,以满足380V显示的需要。由于HPO-132有双路模拟信号输入和双路数字显示输出,故它还可作为双路直流稳压电源的电压或电流指示用。(朱小华)