有源天线及天线放大器已越来越多地被人们采用,如选用恰当,可明显改善电视接收效果。但许多天线放大器使用不长时间就自然损坏了,而且经常是放大元件损坏。本文根据天线放大器损坏的原因,介绍一种新颖、长寿的天线放大器。
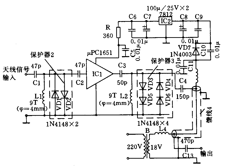
天线放大器损坏的原因之一是放大元件的输入端(如三极管的发射结)被来自天线的强信号击穿。来自天线的强信号源有:(1)雷电;(2)工业干扰中的强信号;(3)其它强辐射源。解决此问题的简单、有效的方法是在放大器的输入侧并联一个双向超压保护器,如附图中的保护器2,它是由两个反向并联的二极管构成的,无论正向或负向的强信号窜入,该双向超压保护器都将导通,并将电压箝位在0.6V以内,故保护了放大元件的输入端不被击穿损坏。但实验发现,如果将超压保护器置于高通滤波器的前端,电视图像上会产生明显的上下移动的横条干扰。我认为这是由于调幅中短波广播信号使双向超压保护器临界导通或导通引起。二极管是个非线性元件,它的导通尤其是在临界导通时,会产生高次谐波,其频谱上限是极宽的,可分布于所有电视频道上,故对各个电视频道的图像产生了干扰。为防止此现象的发生,可将超压保护器接在高通滤波器的后侧或接地线圈上(如图),由于高通滤波器可滤掉40MHz以下的信号,40MHz以下的信号加不到二极管上,故干扰就不会产生。

天线放大器损坏的原因之二是放大元件的输出端(如末级放大三极管的集电结)被来自天线放大器后侧的强信号击穿。有的天线放大器输入侧虽已接上了防雷击保护二极管,但放大元件还是被损坏,并且在无雷电的季节也是如此,经测试发现是末级放大管的集电结被击穿损坏,这通常不是天线引入的强信号引起的,是天线放大器后侧引入的强信号引起的。来自天线放大器后侧的强信号有:(1)电视机的反向辐射:高频头由于某种原因如接地不良、转换频道等,会产生很强的辐射,这种反向辐射会通过有线或无线的方式窜入天线放大器的输出侧;(2)电源变压器的反向辐射:当电源变压器断电的瞬间,根据电磁学原理,变压器的次级可产生(正处于正弦交流电峰值时断电)很高的脉冲自感电动势,而这个脉冲自感电动势的高频分量是输出侧的高通滤波器滤不掉的,它将通过耦合电容加于末级放大管的输出端上,而此时直流稳压电源的电压还未消失,故易使放大管的输出端击穿损坏;(3)其它可能的强信号。为解决该问题,可将放大器的输出侧并联一个箝位电压大于1.1V的双向超医保护器,如图中的保护器3。由于天线放大器的输出电压不会大于0.8V(118dB),故放大后的电视信号不会使超压保护器导通,不会产生非线性干扰,也不会对电视信号附加衰减;但对于大于箝位电压的反向辐射,双向超压保护器导通,从而保护了放大管不被击穿损坏。但应注意,输出侧的超压保护器上还要并联电感线圈L2,以防止由线圈L4、馈线4、电容C4耦合回来的50Hz交流电流使保护器3导通而产生的增益的损失和干扰(实验发现:无L2时电视图像被严重干扰,增益损失高达8dB以上)。
天线放大器输入、输出侧的超压保护二极管要全部使用结电容小的高频二极管,如1N4148等,不能用稳压二极管或整流二极管,因其结电容太大,对电视信号将产生很大衰减而严重影响效果。用BT-3及BT-24扫频仪实测,用1N4148制成的超压保护器,对1~12频道附加衰减量小于0.5dB,对13~31频道附加衰减量小于1dB,对32~48频道附加衰减小于1~3dB,对49~68频道衰减很大,但我国电视发射频道实际都在48频道以下,且多数在40频道以下,故不会影响天线放大器的效果。另外,在选择输入侧的保护二极管时要注意,应选择保护二极管的正向压降小于放大元件的输入压降(用数字万用表的“二极管”档可直接测出),一般9018、2SC3358、μpc1651、1676管的发射结正向压降为0.65~0.8V,而1N4148二极管的正向压降为0.53~0.58V,正好配套。
本文所述的放大器的输入、输出侧都加了超压保护器,克服了各类天线放大器易击穿损坏的缺陷,解决了各类放大天线放大元件易损坏的技术难题。另外,由于天线放大器为小信号、小电流工作状态,所用的元件均。(赵杰)