电子管功率放大器以其甜润的音色不知倾倒了多少发烧友。这是因为电子管功率放大器的负反馈较浅,电子管通常工作在甲类状态,而不存在瞬态互调失真。但是电子管功率放大器也有其固有的缺点,例如效率、寿命较低,制作难度较大,价格较高等等。而提到晶体管功率放大器时,又害怕其会产生“晶体管声”。经多年来音响制作师们的探索发现了产生“晶体管声”的主要原因,就是瞬态互调失真(TIM)。由于近年来新器件的不断普及,比如优质的类似电子管特性的场效应管,高f\(_{T}\)特性的晶体管及其有很好配对性能的大功率对管等。用晶体管制作的功率放大器,也可望克服缺点,达到和超过电子管功率放大器的水平。这里便向读者介绍一款具有电子管音色、晶体管动感的WL-HE208功率放大器,整机电路如图1所示。

本机特点
一、利用场效应管作输入级。场效应管具有噪音低,且噪音不会随电流增加而增加,不会产生奇次谐波等特点,从而使整机一开始便将TIM失真减至最小。
二、采用f\(_{T}\)在100MHz以上的管子担任电压驱动及电流推动放大,提高了转换速率,降低了失真。输出部分采用了对称性极好的日本三肯名管,充分发挥了晶体管的大电流驱动能力,提高了整机的带载能力及可靠性。
三、采用二级差分电路及双管密勒电路,提高了整机的稳定性,扩展了频响,保证了正确的工作电位,也克服了TIM失真。
四、取消了大环路负反馈,有效地消除了由于深度负反馈和扬声器反馈信号引起的TIM失真。
五、前级电压放大采用稳压高压供电,扩展了推动级的工作线性区也降低了失真。
电路原理
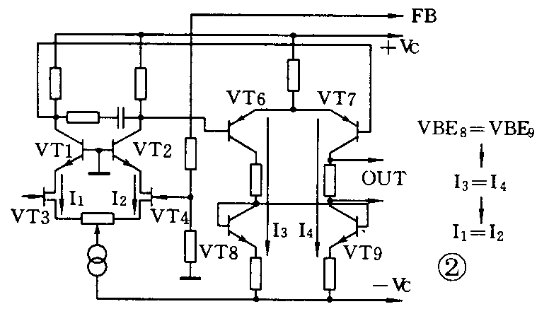
电压放大部分。输入电路采用了二级差分电路,由VT3、VT4、VT6、VT7组成,VT5是VT3、VT4的恒流源。由于场效应管的耐压特性,串入了VT1、VT2的共源共基电路,保持了场效应管有适中的工作电压,扩展了频响,减小了级间电容并与下一级充分隔离,使场效应管的性能得以充分发挥。VT5恒流源提高了第一级差分电路的动态范围。VD1~VD4起稳压作用,这里使用了发光二极管,也可使用稳压二极管,但考虑稳压二极管会产生稳压调变噪音,这里不予使用。VT6、VT7组成第二级差分电路,使第一级差分电路形成双端输出,进一步提高了共模抑制比,降低了失真和提高了电压驱动能力。VT8、VT9组成双管密勒电路。基本原理如图2所示,VT8、VT9能使流V过T3、VT4、VT6、VT7的电流保持相等,保证了输出正确的零点工作电位,免除了繁杂的调整。其次VT6的信号直接加入到VT9的基极,因而提高了电路的频响和增益。为保证足够的推动电流,VT11、VT12组成电流推动电路,采用悬浮接法使VT11、VT12处于甲类状态,保证了大小信号的线性。VT10组成的温度补偿恒压电路,在温度变化时能自动调整推动管的电压。为保证整机的转换速率和瞬态响应,第一级差分电路的总电流为10mA,第二级差分的总电流为19mA,全部处于甲类状态。

电流放大部分:末级采用互补对称射极输出的方式,由VT13~VT16组成,双管并联,提高了电路的线性和驱动能力及电路的阻尼系数,能驱动任何大扬声器和阻抗极低的扬声器。采用甲类输出,具有胆机的韵味。本级的静态电流1.5A,8Ω负载约有25W左右的甲类功率输出,已适应一般的音乐欣赏的需要。如需要更大的甲类输出功率也可适当增大该级的电流。
反馈电路:整机采用无大环路负反馈设计,只在前级电压放大电路设置负反馈,反馈点从电流推动管的射极电阻R19、R20之间取得,和扬声器负载部分分开,避免了扬声器电感电流和深度负反馈带来的瞬态失真。为了在生产、使用、运输等各种恶劣环境下保证稳定性,采用了准直流负反馈电路和无源直流伺服电路。电路中R9、R11完成直流负反馈,R10C3是交流负反馈,R9是无源直流伺服。为改善听感,C3应尽量选用MKP电容。也可只用纯直流负反馈电路,只要将C3短路即可。
保护电路部分:由VT17~VT18组成过流保护电路,避免了输出功率超过幅值时对大功率管的影响。此电路的特点在于在捡拾电路中增加了对地电阻R31、R34,不仅能对纯电阻性负载保证了足够的输出功率,而且对电抗性负载(电容性、电感性负载)也能保证足够的功率输出。还可避免负载电路断开恢复时冲击扬声器的现象和感觉上的断续现象。中点延时保护电路由VT19~VT24组成,电路原理简单,许多书刊有介绍,不再复述。
电源部分:功率放大器实际上是电源的调制器,电源质量的好坏直接关系到整机的输出性能。电路原理如图1所示。变压器采用漏磁小效率高的环形变压器,变压器的总功率为800W。功放电源和前级电源采用分别供电的方法。整流电路全部采用双桥整流,避免了交流入地带来的噪音(后级电源的桥式整流容量为36A/400V,前级电源选用2A的快速整流二极管)。功放电源电压为±50V,滤波电容总容量6万微法,为功放电源保证了强大的能量。滤波电容并联0.1μFMKP电容,以改善电源的高频特性。采用悬浮的接地方法避免了电流级对电压级的影响。前级电源±60V,采用分立式稳压电源,防止了市电波动及大功率时对前级的影响。前级比后级电源电压高±10V,保证了推动级的线性。
元器件的选择
整机性能的好坏与元器件的合理选择是分不开的。本机的VT3、VT4对整机的性能起到至关重要的作用,应选用质量好的场效应管,如2SK240、2SK146、2SK246等,本机选用了2SK246。VT1、VT2、VT8、VT9可选用B716、D756。VT6、VT7、VT11、VT12可选用B649、D669。电流输出部分采用了久负盛名的三肯配对管C2922、A1216。除大功率电阻采用陶瓷电阻外,其余均选用误差小于1%的1/4W的五色环金属膜电阻,RP2用精密微调电阻。电解电容采用音频快速电解电容。固定电容为MKP内容。输入输出的插座及接线柱均选用了镀金的,以确保输入输出有很小的接触电阻。
全机的静态功耗达150W以上。为保证甲类、甲乙类时大功率管不受发热影响,本机专门特制了大型敞开式散热器,面积为345×10×5(cm\(^{3}\)),重量2.5kg,装在机壳的两侧,以适应任何环境下正常工作。这更有利于有些发烧友刻意提高甲类输出功率,为发烧友摩机创造了良好的条件,也避免了由于散热不良引起损坏昂贵的大功率管及以后换管的配对问题。这也是世界上许多名机比如金嗓子A-100、魔音N-20、LFA-150等各机所采用的散热方法。
整机布局
本机采用组件式单声道印板设计,电流放大、电压放大、电源滤波的印板都分别设计,而且左右可以互换,给以后维修带来了方便。整机布局如图3所示,两大环形变压器稳坐中央,前面为左右声道电压放大板和音量调节及电源控制,环形变压器两边为电源板,电流放大板直接在散热器上充当机壳的两侧,后面板上为输入输出的接线点。

安装调试
整机的调试非常简单,首先是前级稳压电源的调整,把电压调定在±60V便可。然后是电压放大板的中点调整,调整RP2使中点为零,然后再接电流放大板,再调中点零位。只要元件质量有保证。本机很容易将中点保持在±10mV。经过调整,连好接线便可投入正常使用。如条件许可,可用音频发生器及示波器观测,本机的实测指标如下:输出功率2×100W(8ΩRMS)2×200W(4ΩRMS);功率带宽5~200kHz(+0dB,-3dB);电压转换速率>200V/μs;信噪比>105dB(A计权);阻尼系数>200,失真度:谐波失真<0.005%(kHz);互调失真<0.003%(8Ω1W);输入灵敏度750mV;输入阻抗47kΩ。
听音评价
器材配置:(1)扬声器:BOSE(博士)501。(2)CD唱盘:YAMAHA(雅马哈)CDX-660。(3)前置放大器:WL-HE208A。
试听时感受到了场效应管的纤细圆润的音色和双极管的反应迅速、动态强烈的震撼人心的力量。在试听邓丽君的《中国语金曲集》时将邓丽君的略带嗲声和甜美的歌喉表现得淋漓尽致,连歌词间应用换气的细节也分辨得清清楚楚。试听《柏辽兹-幻想交响曲》时,壮观的空间感和弦乐管乐细微至纯的音乐表现得出神入化。真可谓刚柔相济,完全体现了场效应管和双极型晶体管相得益彰的动人魅力。(覃方标)