利用专用 D/A转换器 MN917等,可组成频率精度很高、波形失真很小的正弦波信号发生器。
MN917是一种与正弦波相匹配特殊加权的D/A转换器。它有4个输入端,其输入状态和输出电平的关系如附表所示。

由表可见,MN917的输出正好是振幅为7976mV的正弦波按时间18等分时,负半周等分点所对应的4个电平。因此,如果使其输入状态按附表所示的时序变化,就可输出一个近似于正弦波负半周的阶梯波, 如图1所示。

由于MN9l7只有负输出,为了得到具有正、负半周的完整正弦阶梯波,就必须对其输出进行精密反相,并用一对开关交替地选通该输出及其反相输出。依次作为相邻的正、负半周。
通过对正弦阶梯波与正弦波间的误差(两波相减,见图1)分析表明,它除了存在有正弦基波的18次谐波外,主要还存在着17次和19次谐波,并具有约为6%的基波振幅。因此,要把正弦阶梯波平滑为精密正弦波,就必须用低通滤波器对这些高次谐波进行大幅度衰减。
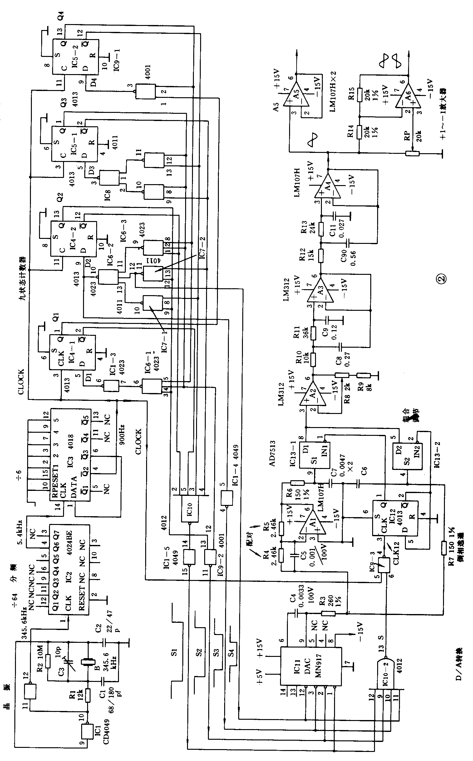
图2就是根据上述原理设计出的频率f\(_{o}\)为50Hz的实用正弦波发生器。其工作原理如下:

为保证频率精度和稳定度,采用了晶振电路。图中非门IC1-1和C1、C2及晶体组成晶体振荡器,C3用来对晶振频率进行微调,以便校准误差。
晶振输出的345.6kHz信号经U\(_{1}\)-2缓冲放大,加到IC2(七级二进制计数器)进行64分频,再经可预置计数器IC3 6分频后,得到频率为 900Hz(等于18fo)的方波,用于钟控D/A转换器MN917的控制逻辑电路。
IC4、IC5的4个D触发器及与之相关的IC6、IC7、IC8、IC9、IC10、IC11等门电路,组成了一个由900Hz方波钟控的九状态计数器,其逻辑函数为

相应的时序如图3所示。

MN917的4个输入端分别接收来自九状态计数器的对应输出S\(_{1}\)、S2 、S\(_{3}\)和S4。当输入端全部为高电平时,其输出为零;每增加一个“0”输入,就在输出端较高的权位加“1”;而每减少一个“0”输入,则使输出端的相应权位置“0”。从而在MN917输出端得到正弦阶梯波负半周(参见附表和图1)。
与此同时,4输入端门电路IC10-2检测该输入状态,在MN917输入全“1”(输出为零)时选通IC9-3在 900Hz时钟CLOCK为代电平期间,IC9—3脚4变为高电平,其上升沿正好处于相邻半周的中点,并以此作为D触发器IC12的时钟CLK12,促使IC12改变状态(CLK12=S+CLOCK-,其中S=S\(_{1}\)·S2·S\(_{3}\)·S4-,参见图3-)。开关组件IC13中的IC13—1接收来自精密反相器的输出信号,IC13-2接收直接信号。当IC12改变状态时,一个开关关断(约需 1/4μS),同时另一个开关接通(约需 1/2μS),从而完成极性变换功能。
精密反相器由AR1和一对精密匹配的电阻R4与R5组成。电容C5提供一个微小的超前相位,补偿反相器产生的轻微相位滞后,使输出波形在过零点处严格衔接。
IC13的两个输出依次交替送至放大器A2。A2对开关呈现非常高的输入阻抗,使其输出不受开关导通内阻的影响。该级电压增益从1至1.25可调,用于补偿R3和R6、R7等产生的约10%的衰减,并用来设定输出正弦波的标准幅值。
A3和A4等组成了一个转折频率约为72Hz的四极点低通滤波器,用于滤除正弦阶梯波中的高频成分。它的输出就是波形失真很小的正弦波。
A6组成一个增益从+1至-1连续可调的放大器,用来调整正弦波输出的幅度和极性。
A5为电压跟随器,其输出用作标准正弦波信号。另外,当需要同时输出两个相位相反的信号时,A5还可产生一个微小延迟。平衡作为反相器应用的A6所产生的相位滞后,以利比较。
下面简单讨论一下这种信号发生器的性能:
1.电路采用频率比基频高得多的晶振电路作为控制源,因而输出正弦波的频率精度和稳定度很高。即使采用普通的晶体,变可达到0.005%以上。
2.正弦阶梯波所存在的主要谐波的次数很高(17次及以上),易于利用低通滤波器进行大幅度衰减。根据理论计算,图中滤波器对50Hz(基频)信号的空载电压传输系数约为1.01043,而对850Hz(第17次谐波)的衰减则达94dB左右,对18、19次等谐波分量的衰减将更大,而这些高次谐波分量的振幅本就比基波小,因而经滤波后的正弦波输出中的谐波分量将很小(不大于-90dB)。另一方面,电路采用了双电源集成电路工作,正、负两向对称性好,并且电源电压相对于输出信号峰值又高得较多,不至于产生饱和失真。因此可知,输出波形失真非常小。
3.由于D/A转换器是集成的,其性能稳定,而其后各运放又工作于深度反馈状态,所以,只要电源电压足够稳定,输出信号的振幅也是很稳定的。
要同时做到上述三方面,甚至其中两方面,对RC、XC、(X表示晶体)等纯模拟式低频正弦波振荡器而言是困难的。
这种电路的缺点是:
1.电路比较复杂,需要多组电源(+15V、-15V、+10V、+5V)。
2.频率不能连续调节,只能产生点频。当需要改变点频时,为保证性能,必须同时改变分频比(或晶振频率)和相应的滤波转折频率。
当然,若把分频部分改为由CD4018与相关逻辑门电路组成的可控分频电路,并采用多级由二进制D/A转换器和有源积分器、电压跟随器等组成的程控低通滤波器,那么,实现输出点频可变还是比较方便的。不过,这将使电路变得更加复杂。(陈育宗)