(莫恩)本文介绍的场强仪,由于采用了电调高频头、频道预选器、智能控制电路和直流升压电路,因此制作调试容易、工作稳定可靠、使用操作方便,自动化程度较高。其主要特点和功能如下:
①测量范围:l~60频道,分L、H、U三个频段,具有频道指示和8位预置调谐功能。
②场强量程:0~120dBμV,具有自动换档衰减器(40dB高频衰减器及20dB中频衰减器)。
③具有自动电平比较功能,电平设定范围0~120dB,音响提示。
④采用对数指示电路,表头读数为dB数的线性刻度,直观易读。
⑤采用6V电池供电,体积小重量轻,便于室外使用。
一、工作原理与电路特点
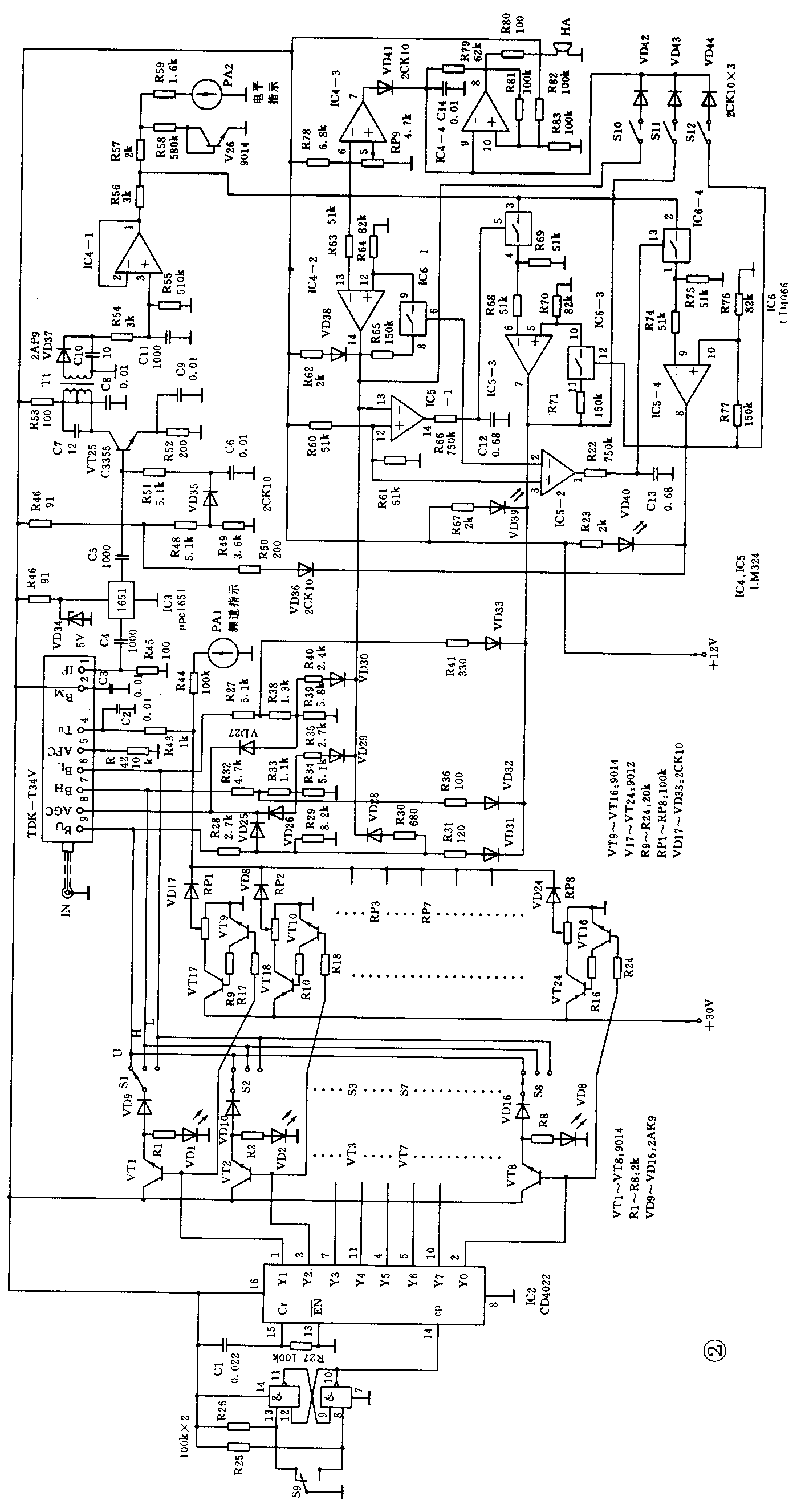
场强仪电路包括基本放大测量(含高频头、中放、检波、电平指示)、预选调谐、自动换档衰减器、自动电平比较和电源五大部分,图1为方框图、图2为电原理图。


1.基本放大测量电路
电视信号由高频头TDK-T34V接收放大变频后,中频信号由IF端(①脚)输出,经IC3、VT25两级中放后,由VD37检波,IC4-1电压跟随器驱动表头PA2作出场强电平指示。采用电调高频头作为场强仪的高放和变频部分,集成电路μPC1651作一中放,工作稳定、增益高、简单易制,可收事半功倍之效。二中放为谐振放大器,中频变压器T1初级设抽头,用集成运放电压跟随器提高检波负载阻抗,使谐振回路有很高的Q值。VD37与C10、R54、C11、R55等组成峰值检波器,使电平指示仅与同步信号峰值相关、排除了电视信号画面亮暗不同带来的测量误差。VT26为对数元件,使表头PA2直接指示对数电平(dBμV)。
2.自动换档衰减器
采用控制高频头和二中放增益的办法实现三个20dB衰减器(高频2个,中频1个),省去了制作射频衰减器的麻烦,保证了电路工作的稳定可靠。IC4-2、IC5-3、IC5-4组成三个施密特电平比较器,上门限电平60dB,下门限电平40dB,根据IC4—1输出电平的大小自动控制三个衰减器的接入或退出,发光二级管VD38、VD39、VD40分别指示三个衰减器的接入状况。衰减器接入顺序:①高频第一衰减器,②高频第二衰减器,③中频衰减器。退出顺序相反。这样设计可保证高频头及中放级工作干线性区,并有足够高的信噪比,有利于提高测量精度。
3.预选调谐电路
用八进制计数分配电路CD4022(IC2)控制8位预选器(含SI~SS、RPI~RPS),实现对高频头的预选调谐。设Y1为高电平,则VT1、VT9、VT17导通,工作电压(+12V)经频段选择开关S1送至高频头;调谐电压(+30V)经调谐电位器RP1送至高频头T\(_{U}\)端(④脚),表头PA1指示出所选频道。发光二极管VD1~VD8指示预选器工作状态。VD9~VD24为隔离二级管。
4.自动电平比较电路
IC4-3为电平比较器,门限电平可在0~60dB范围内设定(调节RP9)。S10~S12为设定电平增值开关,接通可使设定值分别增加20、40、60dB。当场强电平达到设定电平时,可控振荡器IC4—4起振,蜂鸣器HA发出音响提示。
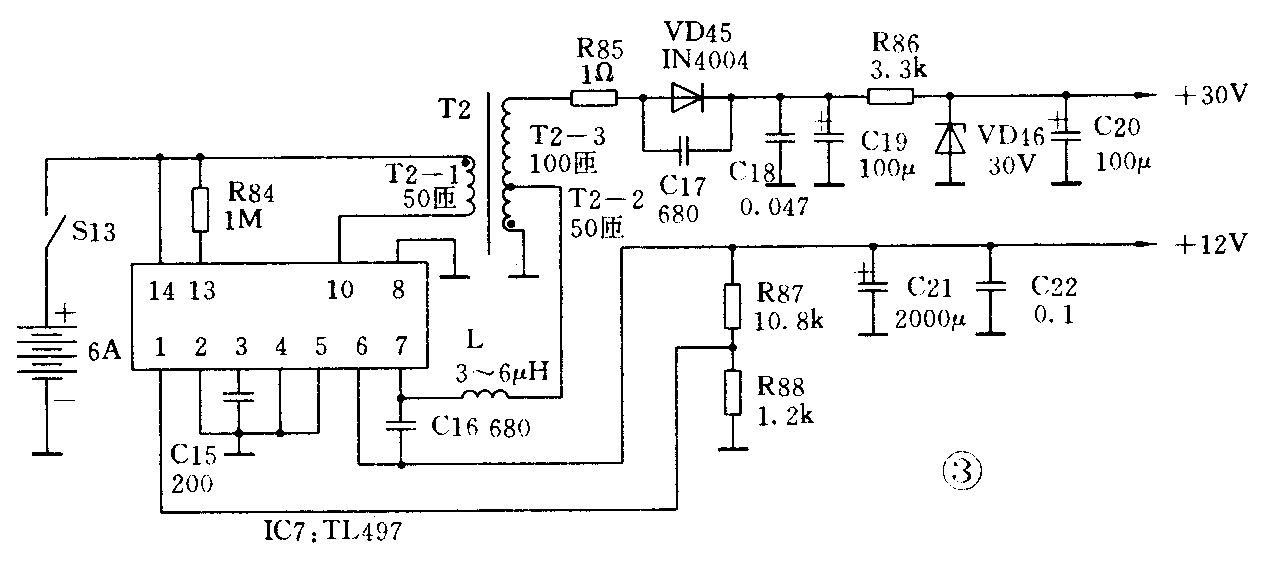
5.电源电路
采用开关稳压集成电路TL497(IC7)对6V电源进行升压变换,输出稳压的+12V工作电压和+30V调谐电压(见图3)。具有体积小、重量轻、效率高、工作可靠的特点。

二、元器件选择与自制
高频头选用TDK- T34V等型号全频道电调高频头。预选器选用8位彩电预选器。表头 PA1灵敏度300μA、内阻600Ω;PA2灵敏度500μA、内阻300Ω;表头参数可允许有20%出入,但R44、R59需相应调整。蜂鸣器HA选用3~6V的均可。中频变压器T1用电视机中的改绕,初级3+4圈,次级7圈。升压变压器T2用ф25mm左右的磁罐绕制,初级50圈,次级50+100圈,线径0.2mm。其余元器件均按图2、图3要求。
三、制作与调试
主电路板、预选电路板和电源电路板如图4。制作中可将高频头输入端直接伸出作为整机输入端,否则需用75Ω同轴电缆连接。两级中放和检波部分要分别用屏蔽罩罩起来,屏蔽罩应可靠接地。电源部分与主电路之间也应屏蔽隔离,以防干扰。整机调试步骤如下:



1.调R47使VT25发射极对地电压为+1.2V。
2.接收电视信号发生器产生的U频段60dB信号,调R28使表头PA2指示最大;调R56使PA2满度。
3.接收H频段60dB信号,调R32使PA2满度。
4.接收L频段60dB信号,调R37使PA2满度。
5.信号增加为80dB,依次在U、H、L三个频段接收,分别调R30、R35、R40使 PA2满度。
6.信号增加为100dB,依次在U、H、L三个频段接收,分别调R31、R36、R41使PA2满度。
7.信号增加为120dB,调R50使PA2满度。
8.用标准场强仪校准绘制PA2表面0~60dB刻度。
9.在不同输入信号电平下,调RP9找出蜂鸣器响与不响的临界点。标出0~60dB设定电平刻度。
10.根据电视信号发生器,绘制表头PA1的频道指示刻度。
四、使用方法
整机面板参见图5。①选台:按动预选开关S9,使第一路调谐指示VD1亮,频段开关S1置需要频段,转动调谐电位器RP1使频道指示为所需测量频道,则该路选台完毕。依此类推。②读数:为表头指示与衰减值之和。衰减器指示灯亮,表示该衰减器已接入。③比较电平设定:为设定电平指示值与增值之和。增值开关拨向右边,则该增值接通。测试中当听到音响时,表示被测信号电平≥设定电平。
