(杜忠)PIC—12043S集成模块,是微型全集成化红外接收解调电路模块。它在红外遥控系统中作为接收预放电路,可广泛用于视频系统、通信系统以及电器设备的遥控系统中。它的最大特点是:体积小、输入灵敏度高、功耗低。将它应用于通用的红外遥控接收电路,无需外接元件就可构成红外遥控前置接收器,且其工作性能可靠,调试方便,电路简单。
PIC-12043S为三端组件。外形见图1。图中引脚1为遥控信号输出端 V\(_{OUT}\),引脚2为接地端 GND,引脚3为电源正极端Vcc,工作电压为5V。

PIC—12043S模块的内部电路框图见图2。它由红外接收管、前置放大器、限幅放大器、带通滤波器、峰值检波器、整形电路以及输出放大电路等组成。其工作过程为:PIC—12043S中的光敏器件接收到由遥控发射器发出的载波频率为37.9kHz的脉冲调制红外光束信号后,就把它转换成微弱的光电流脉冲信号,此信号送入前置放大器中放大,并由输入电阻把输入的电流信号转换成输入电压信号。前置放大器带有自动偏置电平控制电路。当光敏二极管受到可见光强光照射时偏置电平控制电路将对前置放大器起到自动保护作用。限幅放大器是由二极管限幅电路及跟随器组成,其作用是将收到的带有尖峰波的脉冲信号变为确定幅度的脉冲信号。带通滤波器的中心频率固定在37.9kHz,它将载波频率为37.9kHz的调制脉冲信号选出,并将其它高、低频的干扰信号滤掉。检波电路由二极管检波器和RC低通滤波器组成,它把载波频率为37.9kHz的调制信号除去,将获得的编码脉冲信号再经整形电路,滤去叠加在波形上的噪声,并变成标准的矩形脉冲信号输出。

PIC—12043S模块的主要技术参数见附表。附表中。受控角是指以接收模块红外窗口的中心点为起点,其法线方向为零度角,法线左右的扇形角范围。接收灵敏度则为在正常红外发射条件下,接收模块可靠动作的接收距离。
附表 PIC—12043S主要技术参数
最小值 典型值 最大值 单位
电源电压V\(_{CC}\)4.5 5 5.5 V
静态电流I\(_{CC}\)0.6 mA
输出电压V\(_{CL}\)0.5 V
输出电压V\(_{OH}\)4.2 V
工作温度t -10 +60 C
工作频率人f\(_{o}\) 37.9 kHz
受控角Δ\(_{θ}\) -45° +45° deg
接收灵敏度L 8 m
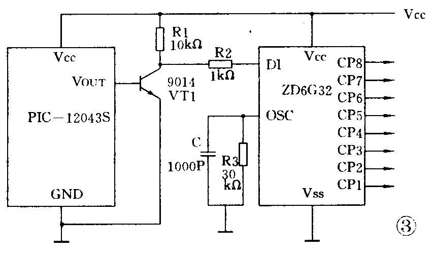
由PIC—12043S模块组成的典型电路见图3。此电路为通用的红外遥控接收电路,其中ZD6632芯片为解码器。它具有八路输出控制口(CP1~CP8)。这八路输出控制口,可控制三极管、晶闸管、继电器等的开启或关断。
