目前宾馆、医院及饭店等所使用的水龙头都采有手动控制,既浪费水源又不卫生,还容易产生细菌交叉传染。为此本文向大家推荐一种水龙头自动控制开关的专用CDJ系列模块,型号有CDJ0001、CDJ0002、CDJ0003等。该模块具有功能强,功耗低,抗干扰性好,性能稳定可靠,外围元件少,安装使用简便,带负载能力强等优点。与低压电磁阀、传感器和电源配接即可组成水龙头自动控制开关。
模块工作原理
当传感器收到信号后送入放大器进行放大,然后经过选频网络滤除干扰频率,再送入比较器与基准电压进行比较,检出有效的触发信号经整形电路整形后送入状态控制器。由控制器启动延时电路和驱动电路,从而控制外设工作。
模块的主要参数如下:电源电压范围为8~20V,典型工作电压为 13.5V。信号输入端的电压为-0.5V~+5V,输出端的驱动电流≤ 600mA。可直接驱动继电器、低压直流电磁阀等。
应用电路
1.洗手装置控制电路
图3为使用热释电红外传感器(P2288型)的洗手装置控制电路。热释电红外传感器对人体发出的热红外波(9~10μm)是十分敏感的。当人手进入控制区时,传感器即产生微弱的电信号经信号输入端送入CDJ0002。经模块识别处理后由驱动电路启动电磁阀,使水门自动打开,水自动流出。只要人手在控制区内连续动作(每秒两次),水门就常开。当人手离开控制区2秒后经模块识别,关闭驱动电路从而关闭电磁阀使水门断开。电阻R用来调整延时时间。一般调整在下列范围:2<t<5秒。这样可以保证连续供水且不浪费水源。

2.淋浴装置控制电路
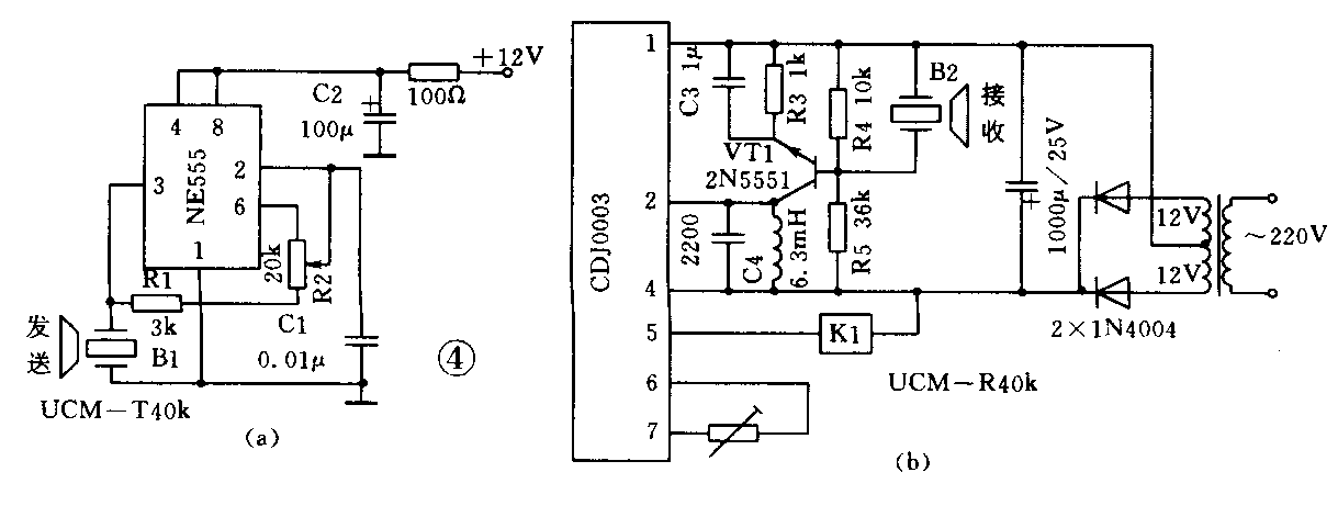
图4是超声波传感器的淋浴装置控制电路。这是由于超声波不易受温度的影响,并能穿透水雾,适用于浴室;而热释电红外传感器在超过一定温度和湿度后, 易产生干扰,故只适用于洗手间。

图4(a)为发送部分,图4(b)为接收部分。两部分装在一块板上,发送部分由NE555时基电路组成40kHz的方波发生器,它驱动超声波发送器B\(_{1}\),向外发送出40kHz的超声波信号,如有人进入信号区域,移动的人体或物体产生多普勒效应,使反射回来的超声波发生频率偏移。因此接收部分的超声波接收器B2将收到由两个不同频率所组成的拍频。拍频信号经三级管VT1组成的选频放大器后送入模块的2脚,经模块内部电路放大、比较、处理后将状态控制器打开,由控制器启动单稳态延时和驱动电路,从而控制继电器的动作。
图4(a)中B\(_{1}\)是超声波发送器,它的型号是UCM-T40k,其中“T”表示发射,40k表示振动频率,图4(b)中B2是超声波接收器UCM-R40k,其中“R”表示接收。注意在连接电路时两者不要搞错。(许正航)

