本文介绍的霓虹灯扫描电路,具有集成化程度高、编程简单、制作容易、免调试、使用效果好等优点。很适合于各种门面、酒店、舞厅及娱乐场所装饰使用。
一、概述
电路核心部分由EPROM2716(或2732、2764)组成。多用几块2716可以构成8路、16路及至几十路扫描。与由8031等单片机构成的控制电路相比,具有外围电路少、结构简单、便于普及制作、便于维修等优点。
电路结构框图如图1所示。

振荡器输出频率连续可调的矩形波计数脉冲到计数器,触发计数器进行八位二进制计数,送出8路数据作为地址存入存储器的地址口。由存储器输出对应存储单元的数据经缓冲器/驱动器送到双向可控硅的控制级,控制可控硅通断,从而实现对霓虹灯扫描的控制。
二、电路结构组成及特点
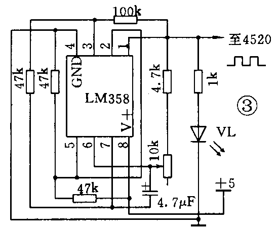
1、振荡器
用运放LM358组成的低频自激振荡器电路如图2所示。LM358为双列直播式8脚单电源双运放,第一个1/2LM358接成反相、低通积分器,第二个1/2LM358接成开环放大器,整个电路构成正反馈的形式。由低通积分器输出的锯齿波送到第二个1/2LM358的同相输入端,使电路产生自激振荡,输出频率从6Hz~22Hz连续可调的矩形波脉冲。调节10kΩ电位器或改变电容C的容量均可改变输出频率。此电路一经接好,上电即可振荡(用发光二极管闪烁指示),县电路性能相当稳定。实际电路接线见图3。


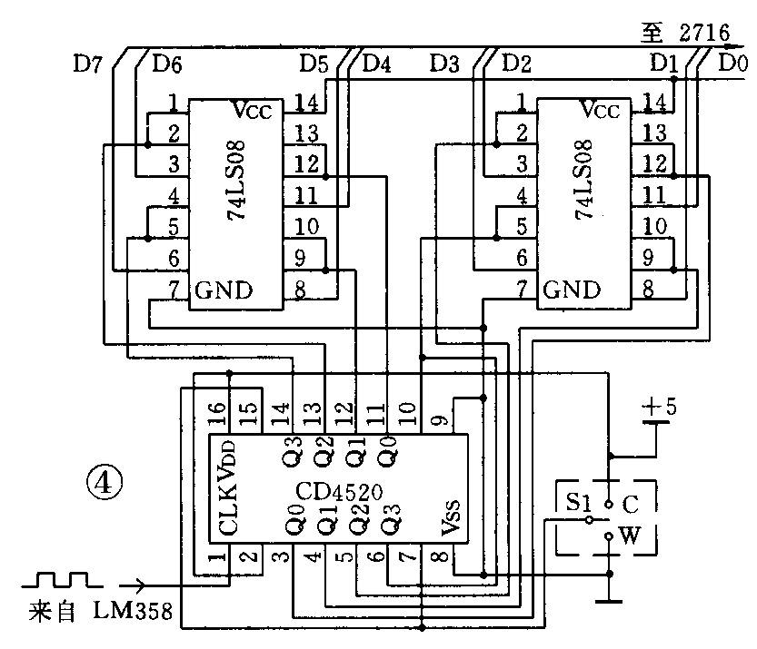
2、计数器
计数器由CD4520组成,电路如图4所示。图中CD4520为双四位二进制计数器,采用的是串联接法,构成一个8位二进制计数器,可计2\(^{8}\)即256个数。图中接入74LS08主要作前后隔离、缓冲用。计数器输出的8位数据(D0~D7)经74LS08送到EPROM的地址口作为8位地址线,寻址256个存储单元。清0开关S1接地时产生计数,接+5V时输出清0。在实际应用时,S1接地为霓虹灯“扫描”;接+5V为霓虹灯“全亮”。

当256个存储单元不够用时,可扩展一片4520,取其低4位、此时地址线增加为12根,可访问4k位存储单元。当然,也可根据需要取9根(10根,11根)地址线。根据经验:一般中、小规模的霓虹灯扫描电路取8根地址线已能满足要求。扩展电路见图5。

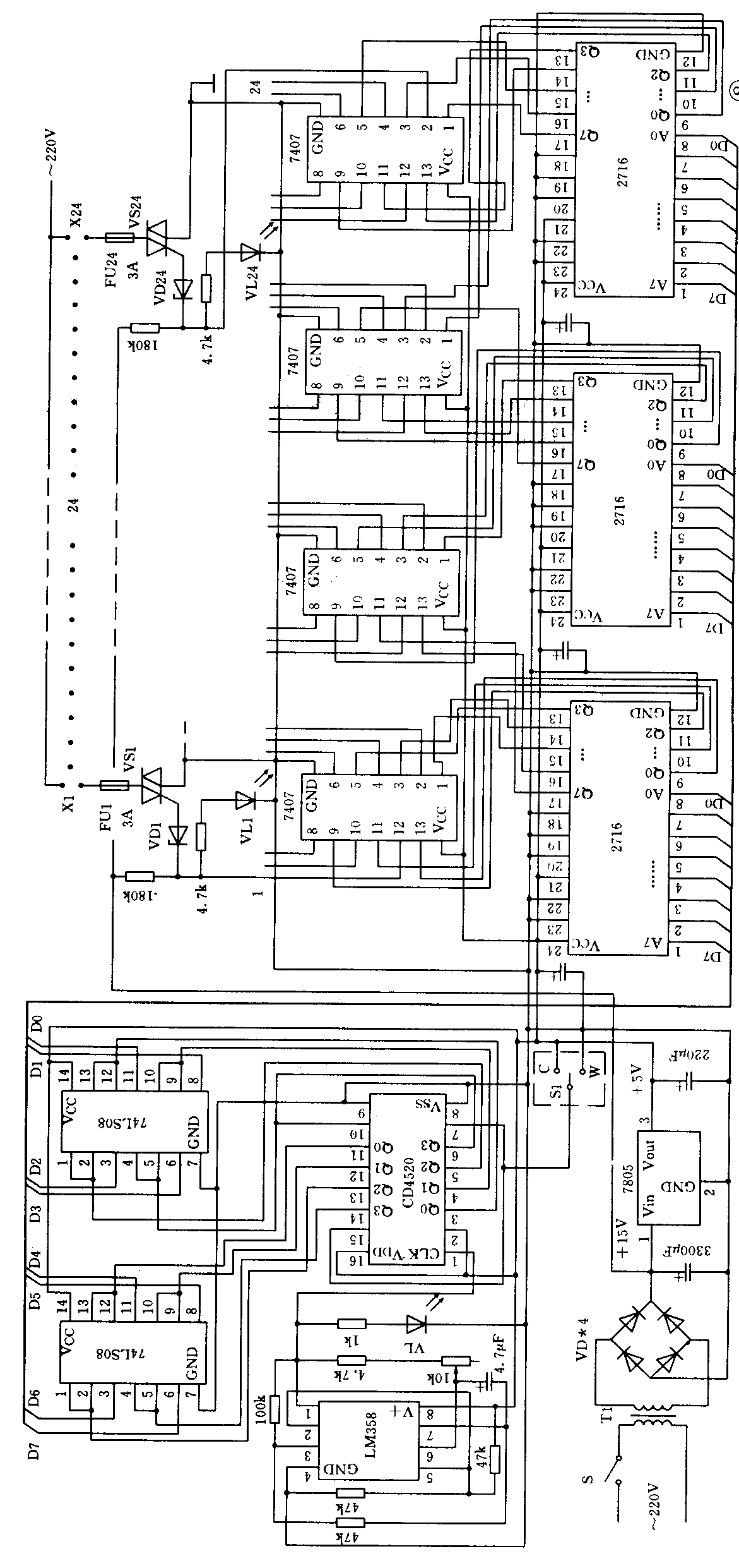
图6中使用了3片2716存储器,每片输出8路,总计为24路。使用了4片缓冲器/驱动器7407,每片6个驱动门,总计为24个门。8位地址线并联接入各2716的A0~A7地址口,实现对0000H~00FFH存储单元的寻址(可寻址256个单元),将存放在存储单元中的霓虹灯扫描花样数据从各片Q7~Q0口输出到驱动器7407,由其组合成24路扫描信号去驱动双向可控硅,实现对24路霓虹灯扫描花样的控制。

4、可控硅及外围电路
电路见图7。图中双向可控硅选用BTA06/600,由它组成的24路扫描输出 电路与从7407送来的24路驱动信号相对应。交流220V电压经霓虹灯变压器(接在接线柱“X”处)送到双向可控硅的阳极T2,通过阴极T1接地。每一路可控硅G极都接有一个发光二极管,当输入的驱动信号为高电平“1”时,该发光二极管发光,可控硅导通,霓虹灯亮;为低电平“0”时,发光二极管熄灭,可控硅截止,霓虹灯灭。在电路装配时,以此来模拟霓虹灯的扫描,非常形象、直观。同时,也便于在现场对电路故障的维修。图中接入5.1V稳压管,能使可控硅的触发性能变得稳定。

5、电源电路
该部分详见总电路图图8,详述略。

三、编程方法与步骤
对EPROM2716的编程不需使用程序语言,依照下列方法进行,简单方便。
1、确定扫描花样
扫描花样可由用户自行随意确定。依照喜爱可设计成顺序、流水、开门、关门、排队、追逐…等灵活多变的花样。
2、进行二进制及十六进制转换
将确定好的扫描花样(一般有多种)按花样要求依序排列成一个表格,见附表(以8路顺序扫描为例)。在表格中作上“亮”、“灭”标记,设亮为“1”,灭为“0”对应地将其转换成二进制数和十六进制数,如附表所示。

3、写出地址码
地址码是由计数器输出的8位数据产生的,它与计数脉冲相对应。在附表中当计数脉冲从0~256时,对应的地址码为0000H~00FFH。
4、写 EPROM2716
利用EPROM编程器将附表中的数据写入2716,即完成了对2716的编程。(周罗轩 朱艳辉)