(韩家明)CXA1262N是日本索尼公司推出的功能较强的低电压单片录音机集成电路。电源电压范围1.8~4.2V。内电路包含放音前级放大器、录音前级放大器、录音自动增益控制(AGC)电路、线路放大器、录音驱动放大器,两个功率放大器接成BTL工作方式,大大提高了输出功率。当V\(_{CC}\)=3V,RL=84Ω时,输出功率可达200mW以上。
工作原理
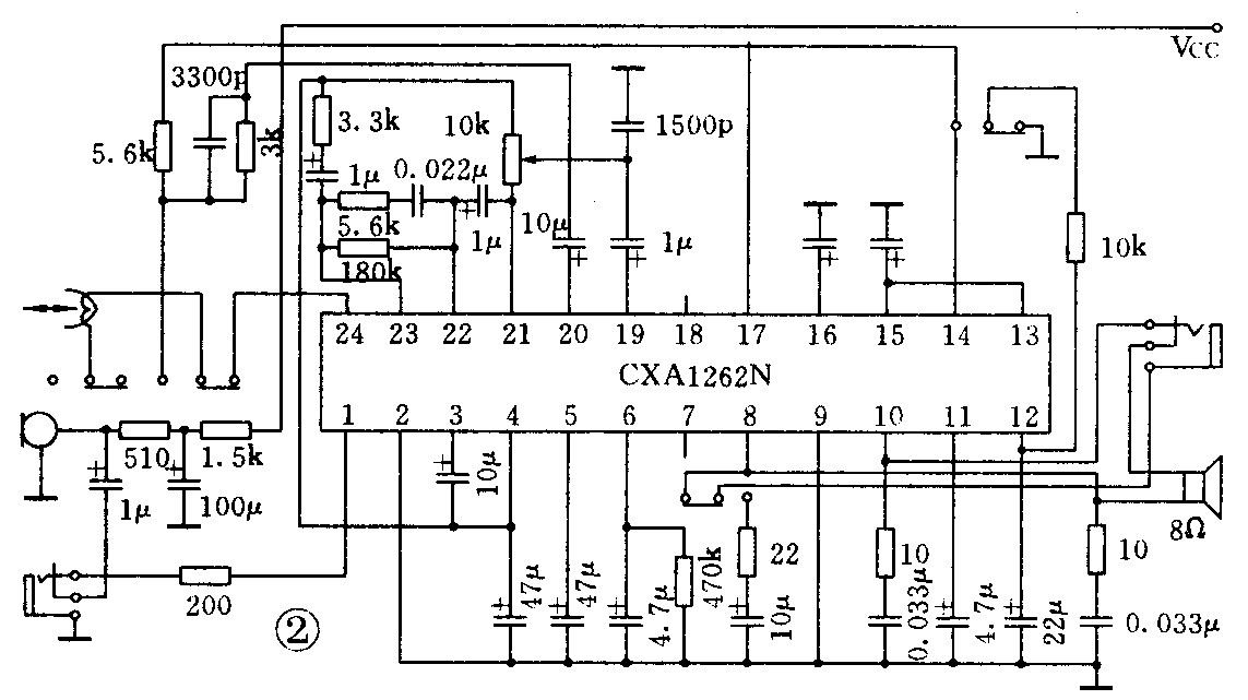
1.磁带放音:CXA1262N的内电路方框图及引脚功能如图1所示。当脚为低电位时,集成电路处于放音状态。磁头信号从输入放音前级放大器。是放音前级放大器的负反馈端,放音前级放大器的增益可通过此脚的负反馈电阻设定。磁头信号经过放音前级放大器、线路放大器放大后,从线路输出端子输出,经音量电位器调节后从输入功率放大器。⑧、⑩两脚是内部两个功率放大器接成BTL工作时的输出端子。⑨脚是功率放大器的接地端子。

2.话筒录音:当脚为高电位时,集成电路工作在录音状态。放音放大器关断,录音放大器导通。话筒信号从①脚输入录音前级放大器。③脚是录音前级放大器负反馈端。话筒信号经过录音前级放大器、线路放大器放大后,也从线路输出端输出,经耦合电容后分成两支:一支送至音量电位器供录音监听使用;另一支从输入录音驱动放大器,再进行放大,从输出经过录音补偿网络加到录音磁头上。
3.系统功能控制:附表1是CXA1262N的系统功能控制,各种功能由、、个端子的电位高低确定。脚是录放控制端子,高电位时,IC为录音状态;低电位时,IC为放音状态。在CXA1262N的内电路中,两个功率放大器前面分别设有功放输入选择器,选择的功放输入信号或的警报输入信号。当警报选择(ALARM SELECT)脚为低电平时,无论是录音状态还是放音状态,两个功放均接成BTL方式,功放输入选择器将警报输入端的信号送到功放。当警报选择端脚为高电平时,在放音状态下,两个功放接成BTL方式,功放输入选择器将功放输入端的信号送到功放;但在录音状态下,功放输入选择器B关断,功放B也关断,两功放失去BTL工作方式,不能驱动扬声器。在这种情况下,只有功放输入选择器A接收的功放输入信号,送到功放A,这时可用耳机监听录音。这种工作方式适用于话筒录音时,自动切断扬声器,避免啸叫。为录音哑音控制( RECMUTE)。高电位时,将录音信号送到录音驱动放大器输出端;低电位时,录音哑音控制起作用,此时,录音驱动放大器输出端无信号。

应用电路
图2是录放电路应用图,工作原理如上所述。图中省略了电机稳速电路,所画的偏磁电路是直流偏磁电路,也可使用交流偏磁电路。关于这一点,本刊及其他刊物介绍较多,本文从略。

图3是收录放电路的典型应用。图中画出了与图2不同之处,其余参看图2。在收录放电路中增加两个转换开关。一个用于收音信号和磁带信号转换,另一个用于收音功能和磁带功能转换。在收音功能时,脚为低电位,这样不论是收音还是录制收音节目,两个功放都能从警报输入选择端取得信号并驱动扬声器。

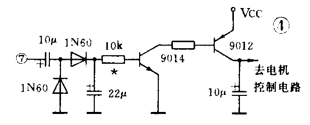
图4是声控录音应用图。当CXA1262N处于录音状态时,内电路的声控放大器将传到功放输入端的录音信号再次放大从⑦脚输出,经过整流放大,将一个高电位传给电机稳速电路中的相应电子开关,即可起到声控录音作用。声控灵敏度可由三极管的基极电阻作适当调整。

采用CXA1262N作录放电路制成的录音机流行于市面的有FX207袖珍录音机,FX212频调幅收录放机等。
应用参数
CXA 1262N采用24脚双列扁平封装,是一种超小型集成电路,引脚间距0.65mm。当 V\(_{cc}\)= 2.8V, RL=8Ω时,放音静态电流10.5~29mA,录音静态电流15~21mA。在图2的录放电路中,当V\(_{cc}\)=3V时,CXA1262N的各引脚工作电压加附表2所示。
表2 V\(_{cc}\)=3V录放状态引脚电压
引脚 1 2 3 4 5 6 7 8 9 10 11 12
录音 1.0 0 1.0 1.0 1.0 0.2 1.0 0.2 0 1.5 2.2 1.5
放音 1.0 0 1.0 1.0 1.0 0.2 1.0 1.5 0 1.6 2.2 0.2
引脚 13 14 15 16 17 18 19 20 21 22 23 24
录音 1.6 1.6 1.6 1.3 3.0 1.0 1.0 0.9 1.0 1.0 0.6 0.2
放音 1.6 1.6 1.6 1.3 3.0 1.0 1.0 1.0 1.0 1.0 1.0 1.0