数字频率计具有测量精度高、读数直观、使用方便的优点。笔者采用模拟石英钟集成电路和CMOS数字集成电路设计制作了一台数字频率计,其性能指标如下:
①测量范围:1Hz~999.999kHz
②分辨率:1Hz
③输入灵敏度:<30mV(有效值)
④输入阻抗:≥1MΩ
⑤输入波形:正弦波、方波、三角波等
⑥最高输入电压:50V
⑦显示方式:6位LED数码管显示
⑧测量误差:<0.1%
这台频率计性能好、成本低、制作方便、调试简单,非常适合爱好者自制。
一、电路工作原理及特点
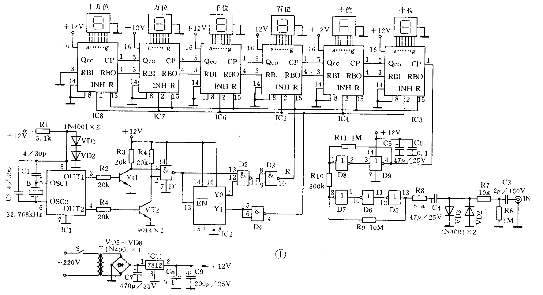
数字频率计电路原理图见图1,方框图见图2。被测信号经放大、整形后,送入计数器进行计数;闸门控制电路控制计数器的工作模式;计数结果由数码管直接显示。下面重点介绍电路的特殊部分。


1.放大与整形电路。放大器采用三级COMS反相器D5、D6、D7串联组成,其放大倍数A\(_{v}\)=R9R8=200倍,足以将30mV以上的信号电压放大至限幅状态。采用CMOS反相器组成放大器,具有输入阻抗高、功耗低、简单可靠、无需调试的特点。CMOS反相器D8、D9和电阻R10、R构成施密特触发器,将模拟信号变换成边沿陡直的方波脉冲送入计数器。
2.计数显示电路。十进制计数/7段译码器CD4033(IC3~IC8)和LED数码管组成6位十进制计数显示器。CD4033内部包括十进制计数器和7段译码器两部分,译码输出可以直接驱动(V\(_{DD}\)=9~15V)LED数码管。R为清零端,当R=1时,计数器全部清零。INH端接闸门控制信号,当INH=0时,计数器计数;当INN=l时,停止计数,但显示的数字被保留。RBI与RBO端多位级连,作用是自动消隐无效零,例如计数状态为“000450”,自动消隐左边三位无效零,显示“450”,以符合习惯。
3.秒脉冲产生和闸门控制电路。秒脉冲由模拟石英钟集成电路IC1产生,该集成电路内包含32.768kHz晶振、多级分频、放大驱动电路等,接步进电机的两个引脚OUT1、OUT2交替输出窄脉冲信号,脉宽31.2ms,周期2s,OUT1与OUT2输出脉冲时差1s(图3)。由于石英钟电路工作电压为1.4V,而整个系统工作电压为12V,因此用VT1、VT2进行逻辑电平变换(并反相),再通过与非门D1输出周期1s的窄脉冲串(图3)。采用石英钟集成电路产生秒脉冲,大大简化了电路结构,提高了可靠性。八进制计数/分配器IC2和与非门D2、D3、D4对秒脉冲信号进行处理,形成清零信号R和闸门控制信号INH,使计数器按“清零(31.2ms)→计数(1s)→显示(6.9688s)→清零……”的模式循环工作,其时间关系如图4所示。在一个循环中,清零和计数的时间一共只有1s多,而显示时间将近7s,可以方便地读取读数。


二、元器件选择
IC1选用KD3252模拟石英钟集成电路,其引脚功能见图5(a);也可用其它型号的指针式石英钟集成电路,或从步进电机已损坏的电子钟机心中拆取;配套晶体B为32.768kHz。IC2选用CMOS八进制计数/分配器CD4022;IC3~IC8选用CMOS十进制计数/7段译码器CD4033;D1~D4选用一块CMOS四2输入与非门CD4011;D5~D9选用一块CMOS六反相器CD4069(多余一个反相器闲置不用,但其输入端应接地,以免损坏),以上CMOS电路的引脚功能见图5(b~e)。

数码管采用7段共阴极LED数码管,其引脚功能如图 5(f),小数点不用,因此h脚悬空不接。C3应采用聚酯等无极性电容,耐压≥160V。电源变压器T采用3~5W的即可。其余元器件如图1所示。
三、制作与调试
整机共用三块印制电路板。输入信号放大与整形电路以及计数显示电路安装在主电路板上,见图6(a),图中所有虚线处都要用导线连接好。数码管全部焊在电路板铜箔面(图7b),以便电路板装入机壳后,可从显示窗口看到数码管。为防止干扰,信号输入放大与整形电路应加以屏蔽,可用薄铜皮或铁皮制一屏蔽罩将这部分电路罩起来,并将屏蔽罩接地。安装屏蔽罩时,应注意不可与罩内元器件相接触,以防短路。


图6(b)是控制电路板,包括秒脉冲产生电路和闸门控制电路。图6(c)是电源电路板。
因CMOS电路输入阻抗很高,焊接时极易被感应电压损坏,所以最好使用IC专用插座,先将IC插座焊入电路板,待整块电路板上元器件全部焊接完成后.再将各CMOS集成电路插入相应的插座。如不使用IC插座,应将电烙铁接上一根可靠的地线,或拔掉烙铁的电源插头利用余热焊接,以策安全。
整机结构可参看图7,机壳可用薄铝板自制, 也可用塑料盒或铁皮盒改制,显示窗口镶一块透明有机玻璃。主电路板固定在面板后面,控制电路板、电源电路板以及电源变压器固定在底板上, 输入插座和电源开关固定在面板上。输入插座至主电路板输入端(C3)的连线须用屏蔽线,探头线也用约1米长的屏蔽线制做。按照图1和图6,将各部分连接好,反复核对无误后,便可通电调试。主要是调整晶报频率为准确的32.768kHz,其它部分无需调试。调试方法有两种:一种是用标准多功能数字频率计测量与非门D1输出的秒脉冲信号周期,调节晶振微调电容C1、C2,使周期T=1s(必须精确)。另一种方法是用本机与标准数字频率计同时测量某一信号,调节C1、C2,使本机读数与标准数字频率计一致。(莫恩)