市售一般5\(^{#}\)镍镉电池充电器,由于电路简单,性能较差,并且充电时间较长(约15小时左右)。这里介绍一种实用快速充电器,功能较全,充电时间仅为1小时。这种充电器的关键器件是采用了ATC105充电控制器集成电路。本文将重点介绍电路工作原理、元器件选择及有关参数的调试方法。
充电器的基本性能
1、可同时充2节或4节5\(^{#}\)镍镉电池,充电时间为1小时;
2.开始快速充电,检测到-Δ后,自动转为涓流充电;
3.具有温度检测、控制,确保安全充电;
4.可以先放电后充电,也可以先充电(充满)再放电,消除“记忆效应”。
5.内部有180分钟定时器,到时自动转成涓流充电;
6.有充电、放电、充满及故障指示及异常情况报警声。
工作原理
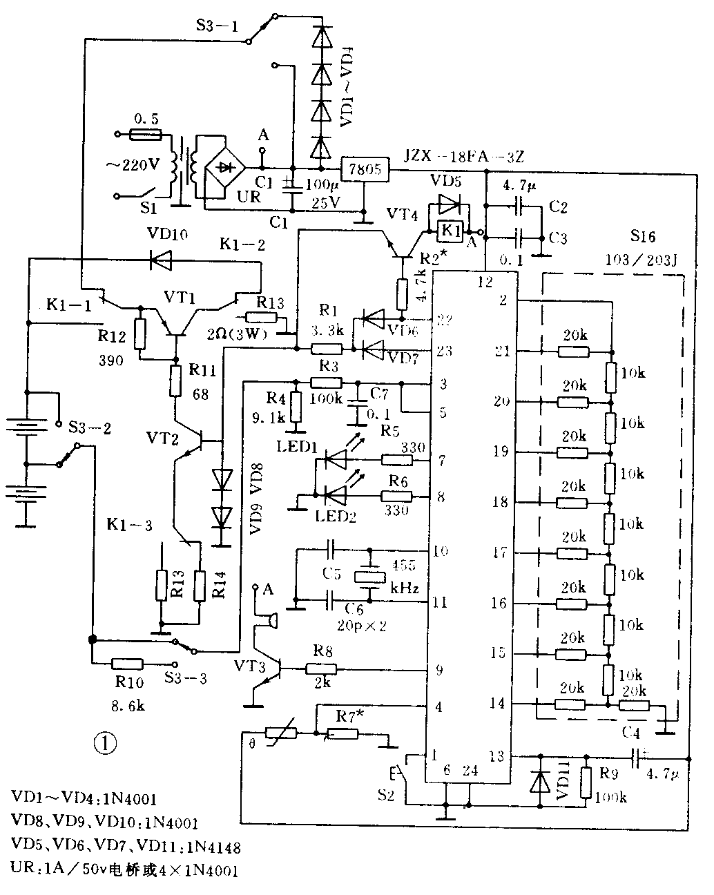
充电器电路如图1所示。当放入2节或4节待充电电池,并将开关S3拨到相应位置(图1中S3的位置为充2节电池的位置)。接通电源开关S1,13脚输入一正脉冲,芯片复位,并使双稳态电路置位,使Q输出高电平(参看图2),23脚输出高电平,电路处于快速充电状态。LED1(绿色)指示灯亮,表示快速充电状态。23脚的高电平使VT2、VT1相继导通,由VT2及VT1组成的恒流源经VD10向电池充电,充电电流的大小取决于晶体管的放大倍数及R14。快速充电结束,23脚输出窄脉冲而形成涓流,其23脚的输出如图3所示。



电池充满后停止充电, LED2(红色)亮,蜂鸣器发出断续声,告诉充电完毕。若充电后电池不取出,电池将通过R4(或通过R10、R4)放电,放电电流约0.3mA。
若需要先放电后再充电,则可按一下按钮S2(100ms),1脚输入一个负脉冲(参看图2)经反相器输入控制电路,控制电路给出控制信号使双稳态电路翻转,22脚输出高电平。此高电平使VT4导通,继电器吸合,三组触头转换而形成放电电路(1脚及22脚电平如图4所示)。电池经VT1向R12放电,放电电流大小与晶体管放大倍数及R12、R13有关。电池放电到其电压为2.05V时,由3脚检测经比较器比较后输入控制电路,使双稳态翻转,转为快速充电状态(参看图2)。

无论在充电过程或放电过程,3脚、5脚总是在检测电池的电压。5脚检测的电压经A/D变换器交换成数字信号(如图5所示),并与前一次采样的电压相比较,可检测出-Δ;若一旦检测出-Δ,则23脚输出窄脉冲,由快速充电转为涓流充电(参看图2)。 3脚接一些比较器,当电池电压不正常时(如低于1.25V或超过4.06V),控制器将停止充电,并发出告警信号(LED闪亮)。

在充电过程中,电池内部的电化学反应会产生热量,使电池温度升高,这是正常的,充电时的温升曲线如图6所示。若充电时间过长,则温度上升过高会造成对电池的损害、电路中设有温度保护电路,由4脚检测。当电压大于1/2V\(_{DD}\)时(超过设定温度),比较器翻转(参看图2),使充电停止,并发出闪光告警信号。

元器件选择
电路中主要元器件要求如下:
1.变压器:输出为12V\(_{~}\)(电流为1A),功率为12W。
2.晶体管:VT2、VT3、VT4可选9013,VT1可选2A(60W、25W)的PNP管(如BD236等)。
3.振荡器:采用455kHz晶振,若找不到晶振,也可按图7搭一个振荡器代用,但性能要比晶振差一些。

4.继电器:采用有三对触头的JZX-18FA-3Z型小型中功率直流电磁继电器。
5,电阻排可采用S16 103/203J,若找不到也可用1/8W~l/10w电阻代替。
6.热敏电阻;采用NTC热敏电阻2kΩ~5kΩ范围均可,采用玻璃珠型更为合适。
其它元件可按图的参数或型号选用。
一些参数的调试
充电器电路要调整的参数有充电电流、放电电流及电池极限温度。
1.充电电流的调整
一般5\(^{#}\)镍镉电池的容量为500mAh,若充电效率为80%,则充电电流为625mA。调整时,在电路中串接一个电流表,如图8所示。用一个470Ω的电位器代替R14,开始电位器的阻值为最大值。电路工作时,处于快速充电状态,充电电流可以在电流表上读出,减小电位器阻值,会增加充电电流,一直调到要求的625mA为止。测量电位器的阻值,用与电位器阻值相等的电阻焊入电路。

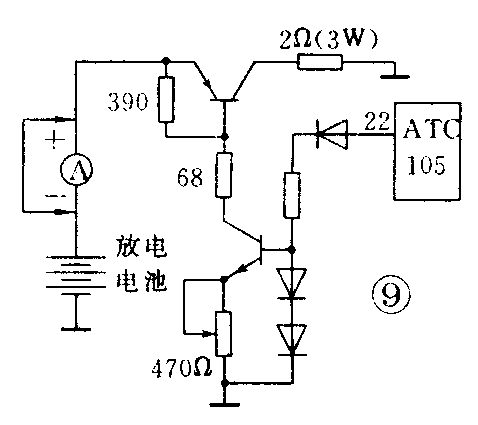
2. 放电电流的调整
放电电流设为1A~1.2A。其电流调整方法与上相同,电路如图9所示。由于开机后为快速充电状态,要按下S2才处于放电状态,所以开始应用一导线将电流表短接,等开始放电时才将短接线去掉。

3.电池极限温度调试
设电池的极限温度为40℃。在调试时要测一下40℃时NTC热敏电阻的阻值。测量方法如下:用一个容量较大的杯,放入温度大于50℃的的热水,放入一个0~100℃的水银温度计(如图10所示)。将待测的热敏电阻放入一小塑料袋内(防止水进入),放入杯内,并用三用表测电阻值。当温度下降到40℃时,读出热敏电阻的值即可。R7选用与这测量值相等的电阻。

热敏电阻可安装在电池的负极,用环氧树脂将热敏电阻粘在弹性铜片上。
注意事项
ATC105的管脚距离是1.7mm。在绘制印制电路板时应注意。另外,由于充放电电流较大,印制电路板设计时要有足够的导线宽度。
VT1的管耗较大,要有一个合适尺寸的散热片,以防过热。
邮购消息:光阳电子经营部(广州市东风西路西场大街5号二楼C12室,邮编510160)供本文介绍ATC105+455晶体+S16电阻排,每套6O元。联系人:周放,电话:(020)8724426转 3868,8737025。(凡文)