器乐专业化的训练,高水平的要求,使更多的人认识和接受了节拍器。机械式节拍器成本高,表现形式单一,无节拍特征显示。为了弥补上述之不足,笔者专门设计了电子声光节拍器。它不仅用声、光同步表现节奏速度,而且用发光二极管显示出节拍的特征,为专业工作者和初学乐器者提供了理想的高精度的节拍器。如能自己动手制做,花钱不多,使用方便,计时准确,大家不妨一试。
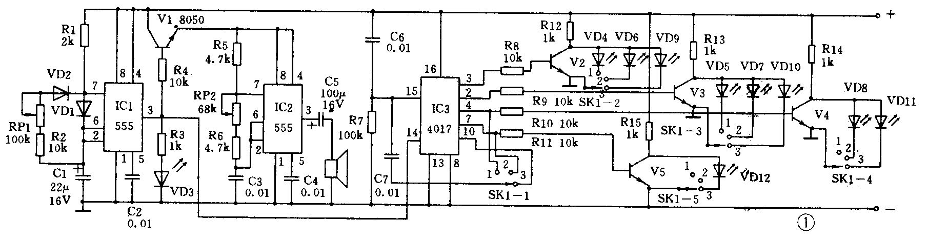
节拍器电路分为三部分:主振荡电路,音频振荡器和节拍显示电路。主振荡电路是由IC1、R1、R2、RP1、VD1、VD2、C1组成的多谐振荡器。振荡频率决定于RP1调节后的阻值。音频振荡器由IC2、R5、RP2、R6、C3组成,调节RP2可以改变音调。音频振荡器是否工作取决于V1是否导通。IC3、VD4~VD12及周围元器件组成节拍特征显示器电路;由IC3、SK及部分电阻电容组成可变位数循环器,由数个不同颜色的发光二极管做显示。主振荡电路中,IC1的3脚输出可变占空比的矩形脉冲波;此多谐振荡器将电容充放电回路分离:R1、VD1、C1为充电回路,充电时间决定了脉冲宽度(T\(_{a}\));R2、RP1、VD2、C1为放电回路,放电时间决定了两个脉冲之间的间隔(Tb)。脉宽与间隔之和为脉冲周期(T)。调节RP1可以使脉冲周期变化。如图3(a、b)所示。充电时间等于R1和VD1正向电阻之和与C1容量之积的0.693倍;放电时间等于R2、RP1和VD2正向电阻之和与C1容量之积的0.693倍。主振荡电路的输出分为三路;一路经R3限流后送给发光二极管VD3;另一路经R4限流后送给V1;最后一路直接送到IC3的输入端14脚。每当IC1的3脚输出一个脉冲时, IC3计数一次,并且发光二极管VD3点亮一次,同时经R4使V1导通一次,IC2得到正电压,音频振荡器工作,使喇叭发声一次;所经历的时间是一个脉宽。每分钟输出数个脉冲,这就表示乐曲中每分钟有数拍的某种节奏速度。一般安排脉宽要窄,不需调节,使脉冲周期近似等于脉冲间隔;T\(_{a}\)<<Tb,T≈T\(_{b}\)。调节RP1的阻值,改变Tb的大小,可调整周期长短。IC3与SK组成的可变位数循环器,是为了显示不同节拍特征而设置的。它可以组成两位、三位、四位的循环,用来表示2/4、3/4、4/4拍。它和显示器共同工作,为使用者提供节拍特征的光显示。C6、R7为微分电路,在刚接通电源时产生清零脉冲,使循环器和显示器从零开始工作。SK1为五刀三掷开关,SK1-1主刀通过C7接到IC3的15脚清零端,循环器最后一位计数后,再使循环器清零,返回最初状态,准备好下一个循环显示。发光二极管VD4、VD6、VD9为红色,VD11为黄色,VD5、VD7、VD8、VD10为绿色。当工作于2/4拍时,SK1在1位置,未计数前,由于IG3的3、2脚都为低电位,V2、V3截止,VD4、VD5点亮,表示2/4拍。IC1送来第一个脉冲,IC3计“1”,3脚变为高电位,V2导通,VD4熄灭,VD5不变。第二个脉冲到来,使IC3的2脚变为高电位,V3导通,VDS5熄灭;VD4复亮,完成一个2/4拍循环;同时,清零后又回到未计数前的状态。2/4拍特征为“强-弱”,用VD4红和VD5绿来表示。如果工作于3/4拍时, SK1在2位置,未计数前,IC3的3、2、4脚都为低电位,V2、V3、V4截止,VD6、VD7、VD8点亮,表示3/4拍,第一个脉冲到来,IC3计“1”,3脚变为高电位,V2导通,VD6熄灭;VD7、VD8不变。第二个脉冲到来,IC3计“2”,2脚变为高电位,V3导通,VD7熄灭;3脚转回低电位,V2截止,VD6再点亮,VD8不变。第三个脉冲到来,IC3计“3”,4脚变为高电位,V4导通,VD8熄灭;2脚转回低电平,V3截止,VD7再点亮。同时,经C7清零脉冲使计数器清零,恢复到计数前的状态。完成一个3/4拍循环。3/4拍节拍特征为“强-弱-弱”,用VD6红,VD7、VD8绿来表示。工作在4/4拍时,SK1在3位置,情况和前两种节拍工作过程相似,V2、V3、V4、V5都截止,VD9、VD10、VD11、VD12点亮,表示4/4拍,由四个脉冲完成一个循环。VD11在第三位,VD12在第四位,用VD12绿色表示弱节拍;用VD11黄色表示次强。4/4拍节拍特征为“强-弱-次强-弱”显示器用VD9红,VD10绿,VD11黄和VD12绿来表示。

节拍器的工作稳定程度,首先取决于配用电源性能的好坏。只有电源稳压范围宽,稳压精度高,输出纹波电压小,漂移小,抑制工业干扰能力强,长期稳定度高,才能保证节拍器不受电源方面带来的影响。所以本节拍器配用的电源,比较考究。电路设计采取了有针对性的措施:用C8、T1、C9组成π型低通滤波器,用来消除和抑制市电进线引入的工业干扰;用LM7812做前置预稳压:选用容量较大的电容C10、C11滤波,再由性能优良的LM317与LM336配合,再稳压,使稳压范围宽,稳压精度又高了一个等级;选用高精度电压基准源LM336,使电源具有温度补偿功能,温漂极低,长期稳定性好。
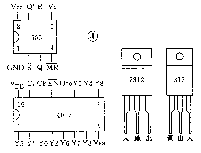
节拍器及其电源所用的元器件都是常见和易购买的。R1、R2、R16、R17宜采用误差为±0.5%的金属膜精密电阻,其余电阻用碳膜电阻即可,全部电阻选用1/8瓦。RP1、RP3最好选用线绕电位器,也可用1/2瓦线性精密碳膜电位器,RP2用小型可调电阻。C10、C11、C12用漏电小的铝质电解电容,如能选用进口“红宝石”电解电容更好。C5可以在47μF~220μF之间选取,漏电要小;若感觉输出的音频信号弱,可换用容量大一些的。C1质量的好坏,直接关系到节拍器性能的优劣,所以C1选用质量优良的钽电容,这样才能使节拍器的精度更高。VD1、VD2用IN4001,VD3选用超高亮度φ12的红色发光二极管,使每拍的光显示格外明亮,突出。VD4~VD12都用φ5发光二极管。V1用β>100的管压降小的8050NPN型三极管。V2~V5用β>100的9014或9013NPN型低频小功率三极管。IC1、IC2用双极型时基电路-555。各IC的管脚排列见图4,IC3~IC6只要质量优良,没有特殊要求。T2次级电压为16~18伏,功率5瓦,UR全桥用50伏2A,变压器和全桥都有一定的余量;IC4、IC5加大一些的散热器。图5给大家提供了一种外观参考。特别提示一下。节拍特征是靠发光二极管来显示的,三组发光管的安排:红、绿为第一组;红、绿、绿为第二组;红、绿、黄、绿为第三组、这样排列才符合电路的设计思路。本节拍器连同电源的调整工作非常简单。首先调整电源部分,在空载的情况下,用数字方用表直流电压挡测电源的输出电压.细心调整RP3,使输出为9伏。将节拍器接好直流电源,节拍器已开始工作,此时再复查一遍电源电压,若稍有差异,再做调一下RP3,使输出直流电压9伏,电源调整即告结束、第二步,调整节拍器,调整RP2,使音频振荡器输出的声音清脆悦耳;主振荡电路调整是为了测试一下振荡频率最高最低的范围。将RP1调到阻值最小,用视觉听觉感受一下,能否分清每拍,如果不合适,可以适当加大R2的阻值;此时是节奏速度最快的情况。再将RP1调到阻值最大,测每拍持续时间长短,如果过短,适当加大R1的阻值;此时是节奏速度最慢的情况。用秒表计时,测出不同RP1阻值时每分钟响多少拍,可以将测得的结果,在面板节奏度盘上刻上数据,方便以后的使用。调整工作完成后,节拍器可以投入正常使用了。(李楷)



