为提高作物的生长效率,广大农技师想尽各种办法,如使用有机肥、无机肥等,本文向大家介绍一种光和作用强化仪,这种仪器不但适合温床育苗而且也适合各种蔬菜和瓜果的温室。
根据大量的统计规律表明,周期性的光照可改变叶绿体的活动性,在闪光时刻作物吸收二氧化碳的速度比连续光照射时高15%以上。
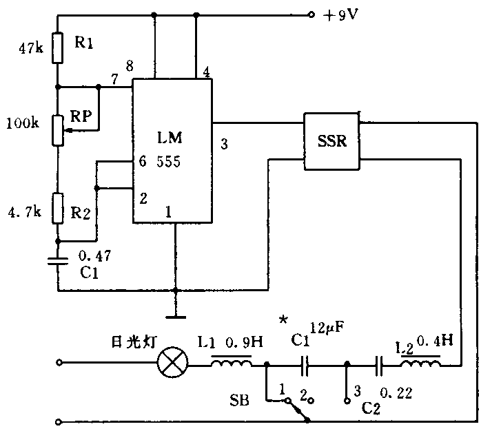
本文介绍的电路就是根据这个原理制作的,电路附图,该电路由三部分组成,第一部分是555电路组成的脉冲电路用来产生灯光的控制信号;第二部分是由固态继电起组成的开关控制电路;第三部分是由光源和电感,电容组成的发光部分。

电路比较简单,照图安装即可。需要说明的是发光源不能用普通白炽灯,要用日光灯或白色节能灯,因为这两种灯的光谱比较接近自然阳光的光谱。(周新力)