六、RTTY接收系统
假使你已有了一台短波收信机,并用接收单边带信号的办法收听一个RTTY信号,那么从耳机插座得到的就是AFSK信号。改变调谐或差拍旋钮,AFSK的信号频率会随之变化。AFSK听起来是一连串快速的“嘟噜”声,听熟悉后可以凭感觉区分它是窄带移频还是宽带移频,还可估计出波特率的大致档次。
假使你手头还有一台IBM-PC/XT或286、386、486档次的微型计算机,那么可以从机箱后面的通信插座(一般标有COM1或SERIAL或RS-232 No.1之类字样)得到计算机与外界的异步串行数据通信接口。
为了把接收到的RTTY显示成电文,所缺少的仅两件事:
(1)在收信机与计算机COM1接口间需要有一个将AFSK音频信号解调为直流数字信号的解调器。
(2)在计算机中需要装入并起动一个程序,其功能为:
— 控制COM1按50波特五单位码方式等待输入的数据信号
— 将收到的五单位数据码由ITA2转换成计算机要求的七单位ASCII码,并加以显示。
七、RTTY解调电路原理
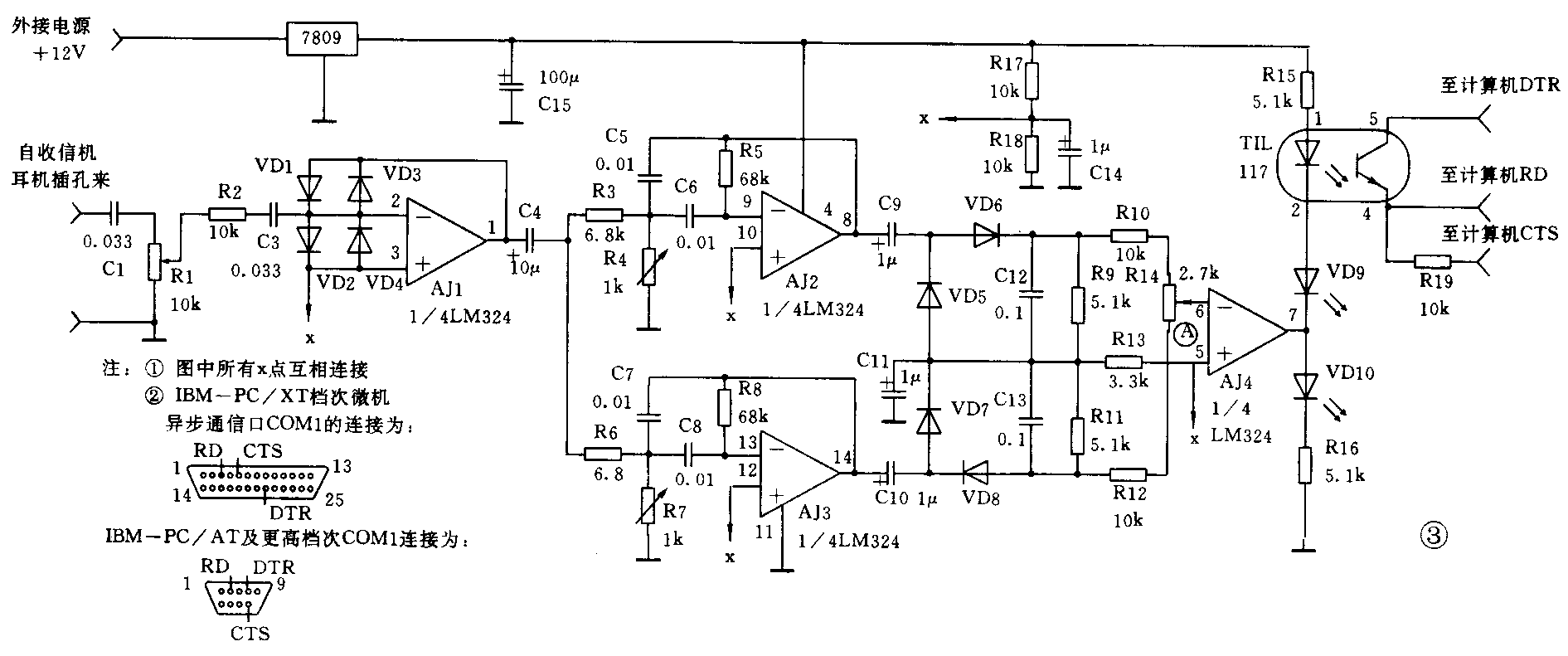
图3所示是一种廉价解调器电路。收信机送来的AFSK信号经四运放LM324之一限幅整形,除去干扰和电波衰落造成的影响,然后分两路送入两路中心频率不同的有源带通滤波器,其中一路中心频率为2125Hz,另一路为2295Hz(可切换为2975Hz)。滤波器输出分别经过二极管整流和RC平滑,反向叠加后送到由LM324构成的比较器。当输入的AFSK信号在2125Hz与2295Hz间跳变时,两路滤波器的输出幅度也随之交替变化,使比较器输出也在高低电位间跳变,指示用的发光二极管交替发光。光耦集成电路的作用是使计算机与收信机从电气上完全隔离,以免因一方接地不良等意外原因损坏计算机接口。

八、RTTY解调电路的调试
因电路不很复杂,使用通用试验印制电路板跳线焊连即可,对于元件排列也无特殊要求。装完检查无误,先不连计算机和收信机。加电后用音频信号发生器向输入插口送2125Hz信号,微调R4,使A点对地电压最大。再改送2295或2275Hz信号,微调R7使A点对地电压最小。然后接上收信机接收一个较强的RTTY信号,微调收信机的调谐(或拍频)旋钮使解调器两个发光二极管交替闪烁最明显。改变移频选择开关,选择发光二极管闪动较为有力的那档。最后微调R14,使指示闪动最有力。
最后,联上计算机,并在计算机的BASIC语言环境下键入并启动表2所列的程序。微调收信机的调谐或拍频旋钮,即可从计算机屏幕上读得电文。
对于没有信号发生器的爱好者,一开始就直接利用收信机收到的RTTY信号作为信号源调试,最终使指示灯闪烁最明显,也是可以的,笔者就是这样调试的。不过初次接触者也许会花费一些时间和精力来熟悉和正确地选择作为调试信号的RTTY信号。
九、常见问题
如果显示出的信息杂乱无章,可能的问题和对策是:
— 信噪比太差:设法改善天线及接收条件。
— 移频方向相反:有些电台的传号空号频率倒置,可改变收信机的USB/LSB开关位置,或将拍频旋钮改到另一侧对称位置重试。
— 速率不对;可在程序运行中按计算机键盘的“〈”或“〉”键,即可变换程序对计算机通信接口的速率设定,使之与电台信号相适应。改变设定后屏幕上会显示出当前的波特率。
— 所收的信号不符合前述的各项标准(例如所收的不是业余电台信号而是其它业务的加密电文),或干脆就不是RTTY信号。
— 常见的问题是由于计算机开关电源谐波的干扰,收信机无法正常工作。解决办法是将天线用高频屏蔽电缆从远处引到收信机,屏蔽外皮在收信机处与收信机接地端相连,并与计算机外壳、解调器接地端与地线在同一点相接。收信机无线如没有特殊考究措施可不考虑匹配问题,屏蔽电缆用一般电视天线所用的同轴电缆即可。
十、参考资料
由于业余电台信号比较弱,为了便于调试和取得经验,可以先以新华社RTTY英文(或法文)新闻电信广播或我国各地气象资料的RTTY广播作为调试信号、尤其是五个字母一组的气象报文,全国各地都很容易收到较强的信号。表3是这些RTTY广播的参考频率。但必须注意,不能截收业余业务、广播及公众业务以外的信号。一旦无意中收到,也必须保守秘密,不得作任何传播或扩散。
A
表2 程序清单
10 ’***** RTTY接收程序*****
20 ’注:(1)本程序需在BASICA,GWBASIC,QUICK
BASIC等环境下运行
30 ’ (2)凡上撇号(’)右面的文字为语句注释,仅起帮助
理解程序的作用,对程序运行没有影响,键入程序时可将它们省略。
40 ’
50 ’
60 ’〈主程序〉
70 GOSUB 450 ’屏幕及数据初始化
80 GOSUB 120 ’设置异步通信口参数
90 GOSUB 230 ’信号处理
100 END
110 ’
120 ’〈子程序-设置异步通信口参数〉
130 PORT=&H3F8 ’如使用计算机的COM2口,应改为&H3F8
140 OUT PORT+4.l ’设置光耦器件需要的DSR和CTS电位
150 PRINT:PRINT"〈":BAUD(S)"BAUD〉:";’显示当前波特率
160 OUT PORT+3.&H80 ’使异步口进入波特率设置状态
17O DVD=1843200!/16/BAUD(s)
180 MSB=INT(DVD/256): OUT PORT+1,MSB ’设置波特率高位
190 LSB=DVD-MSB*256: OUT PROT,LSB ’设置波特率低位
200 OUT PORT+3,0 ’设置五位数据码格式并使异步口进入正常工作状态
210 RETURN
220 ’
230 ’〈子程序-信号处理〉
240 K$=INKEY$:IF K$ 〈〉"" THEN GOSUB 360 ’查询键盘是否被按下
250 IF(INP(PORT+5) AND 1)=0 THEN GOTO 230 ’查询异步口是否收到字符
260 B=INP(PORT) ’读入接收到的字符代码
270 IF B=0 THEN GOTO 340 ’空字符,无动作
280 IF B=8 THEN GOTO 340 ’换行码 B=2已自动回车,本回车码B=8不必动作
290 IF B=4 THEN C=0 ’遇空格键自动设为字母档
300 IF B+C=43 THEN SOUND 1000,1 ’ITA2响铃码
310 IF B=31 TJEN C=0:GPTP 340 ’设成字符档
320 IF B=27 THEN C=32:GOTO 340 ’设成数字符号档
33O PRINT MID$(T$,B+C,1); ’将可显示字符由ITA2码转成ASCII码加以显示
340 GOTO 230 ’准备接收下一个字符
350 ’
360 ’〈子程序-键盘处理〉
370 IF K$=CHR$(27)THEN GOTO 100 ’如按(ESC)键,程序退出运行
380 ’…如按"〈"或"〉"键 ,则调整波特率参数:
390 IF K$="〈" OR K$=","THEN IF S=0 THEN
BEEP:GOTO 430 ELSE S=S-1:GOTO 420
400 IF K$="〈"OR K $=","THEN IF S=8 THEN
BEEP:GOTO 430 ELSE S=S+1:GOTO 420
410 BEEP:GOTO 430 ’如按其它键.则仅音响告警
420 GOSUB 120 ’重设异步口的波特率
430 RETURN
440 ’
450 ’〈子程序-屏幕及数据初始化〉
460 '…清除屏幕:
470 CLS:KEY OFF
480 PRINT TAB(18);"RTTY DECODING PROGRAM
BY BZ1HAM, JANUARY 1994"
490 ’…ITA2码至ASCII码的转换表:
500 T $= "E"+CHR $(13)+"A SIU\(_{x}\)DRJNFCKTZLWHYPQOBG^ MXVvx"
510 T$=BA$+"3"+CHR$(13)+"-’87\(_{x}\)$4*,!:
(5+)2#6019?&_./=_"
520 ’…生成波特率表(共九种常用速率):
530 DATA 45,45 45,50,56 92,75,100,110,150,300
540 FOR I=0 TO 8
550 READ BAUD(I)
560 NEXT I
570 =2 ’开机后的起始波特率为50波特:BAUD(2)=50
580 RETURN
表3 新华通讯社及国家气象局广播频率表
(摘抄自国外书籍,仅供参考)
新华通讯社 XINHUA Beijing
频率(kHz) 呼号 频率(kHz) 呼号
6915.0 BAP46 12265.0 BZR62
7520.0 BZP57 14367.0 BZR62
7650.O BZR67 14376.O BZT34
7887.0 BZS27 14760.0 BZA93
9417.0 BZP59 14923.0 BZA44
9491.0 BZR69 15544.0 BZS25
频率(kHz) 呼号 频率(kHz) 呼号
10982.0 BAP40 16136.0 BZR66
11133.0 BZG41 17443.0 BZG48
11606.0 BZSZI 17470.0 BZS28
11680.0 BZPSI 18872.0 BZR68
12228.4 BZR62
北京气象 Beijing Meteo
3350.0 BAA 91947 BAA23
5180.5 BAA9 10320.0 BAA8
5730.0 BAA24 14340.0 BAF47
7350.0 BAF44
成都气象(Chengdu Meteo)
3807.0 BLM66 5844.0 BLM21
4794.0 BLM66 10470 BLM23
兰州气象(Lanzhou Meteo)
6985.0 BSB29
乌鲁木齐气象(Urumqi Meteo)
5190.0 BZC75 11570.0 BZC75
武汉气象(Wuhan Meteo)
4482.0 BJZ25 7863.0 BJZ21
5315.0 BJZ27 10650.0 BJZ23
6950.0 BJZ20
(旧凡)