问:一台长海VF-2215放像机,重放时满屏雪花,有淡淡地、隐约可现的图像,检查视频磁头完好,清洗视频磁头鼓无效,请问应该怎样检修?(辽宁 王向东)
答:如果检查视频磁头鼓完好,应该在重放状态用示波器测IC201的重放调频波形,若此处波形正常,则故障在后级,否则故障在IC201或磁头组件。根据故障现象和维修记录统计,该故障部位多发生在前级。用示波器测IC201⑤脚和⑦脚两视频磁头拾取的信号应与磁头开关脉冲相对应,即CH1为奇数场,CH2为偶数场,两场交替出现。若所测波形不正常,测⑤脚和⑦脚为0.7V工作电压,说明IC201工作基本正常,问题可能出在磁鼓组件与IC201连接电缆线上,应仔细检查有无脱焊或断线。若所测波形正常,进一步测量IC201的工作状态,其应有+9V工作电压,应为5.9V,为4.2V,如果电压正常,重放调频波信号不正常,说明IC201不良。若IC201波形正常,应重点检测Q203和Q204两级放大电路。(聂元铭)
问:一台富奈VIP-3000HCMKⅢ型放像机使用2年多后发生轧带故障,经修理故障被排除,但出现了新问题,即:每次按压重放键或快进、倒带键,走带只能进行10多秒,而后使自动关机熄灯。经反复检查带盘脉冲检测电路,未能发现故障点,不知何故?(湖南 黄吉星等)
答:这种故障在富奈VIP-3000HCMKⅢ型放像机中较有代表性,造成的原因主要有两条:一是带盘检测电路失常,常见有光敏组合管S01不良,R21变质及线路断裂等;二是系统控制微处理器IC01(GC91A00MB013)内部相应电路损坏。若仔细检查带盘检测电路无问题,便可基本判定IC01内电路损坏。 (德沅)
问:一台熊猫BD47C4彩电,开机五分钟后,图像逐渐变得模糊不清,若关机后过一段时间再开机,仍重复上述故障,更换显像管座也不见效,问其原因在何处?(江苏 张海鹰)
答:这是由于显像管聚焦极上的聚焦电压不正常所致。当管座没问题时,应首先检查确定是显像管内聚焦电极与其它电极之间相碰短路还是聚焦极电压供给电路不正常,鉴别的方法:当出现故障时测聚焦电压是否发生变化,然后再焊下聚焦电压供电引线测聚焦电压是否发生变化,若前者电压发生变化,而后者电压不变化,说明故障出在显像管,若两者都变化说明聚焦电压供给电路有故障,其原因多是因行输出变压器内部聚焦电压电位器接触不良,随着开机时间的增长,温升增快,绝缘电阻下降,使聚焦电压偏离正常值,最后造成所述故障。对于该型机处理的方法只有更换与聚焦电位器合制在一体的行输出变压器。(陈克军)
问:一台北京8306型彩电,伴音正常,有彩色,但图像发暗,将亮度电位器调至最大,仍感亮度不足,调节机内SCREEN电位器,可使亮度增加,但出现满屏回扫线,如何检修?
答:显像管衰老,高中压及灯丝电压偏低,亮度通道及ABL电路故障均会引起光暗故障。调节SCREEN电位器可增加亮度,说明显像管及高中压、灯丝电压电路基本正常,问题存在于亮度通道或ABL电路。首先微调机内副亮度电位器,看能否恢复亮度,若亮度增加的同时出现回扫线,说明IC501(TA7698AP)内部亮度信号处理电路基本正常,应进一步检查显像管的三个阴极电压U\(_{K}\)。UK正常值约为130V,光暗故障时一般高达170V左右。若U\(_{K}\)确实高,应进一步测量三个视放管的Ue和V202的U\(_{b}\), 若这两个电压均偏高,检查外围元件也没有问题,则故障存在于ABL电路,应仔细检查R240、R241、VD313、R331等是否损坏,常见R240或R241开路引起上述故障。(文化)
问:一台松下L10型录像机视频放像正常,射频放像30分钟后,图像模糊直至消失。经检修是射频变换器上的混频二极管D2性能变坏所致,该管外形为长方形三引脚输出,不知该如何修复?
答:该管内部双向封装了两只二极管(HSM88AS),其性能变坏后可通过调整可调电阻R\(_{7}\)(用来调整D2偏压)来弥补,如果调节R\(_{7}\)仍不能解决,就需更换D2,但D\(_{2}\)一般是购不到的,这时可用以下的方法来修复:1.选用黑白机UHF高频头内的混频二极管代用;2.也可用1N4148两只来应急代换,毫不影响使用效果。(彬彬)
问:一台罗兰斯宝(LOREN-SEBO) LS- 528Z彩电中的三洋(SANYO)高频头(型号为115-B-09203CB)损坏,购不到同型号件,能否用国产高频头代换?(广东 龙伟明)
答:我国生产的TDQ—3型高频头与三洋115—B-09023CB外形大小、引脚排列完全一样,可直接代换,电路不必作任何变动。(汤志成)
问:一台华声牌收录机,检修时发现TA7270P集成块发烫,请介绍该集成电路的主要电气参数,代换型号,各引脚功能和工作电压。(湖南 聂世冲)
答:TA7270P双音频功率放大器,单列12脚封装。若V\(_{CC}\)=13.2V,RL=4Ω,则输出功率P\(_{0}\)=5.8W。TA7270P可用TA7271P代换,代换时要注意两者引脚排列相反。TA7270P各引脚功能及VCC=13.2V时各引脚工作电压如下:①输入Ⅱ,1.5V;②负反馈Ⅱ,1.5V;③电源纹波滤波,4.4V;④预放地,0V;⑤负反馈Ⅰ,1.5V;⑥输入Ⅰ,1.5V;⑦功放地,0V;⑧输出Ⅰ,6.6V;⑨自举Ⅰ,12.7V;⑩V\(_{CC}\),13.2V;自举Ⅱ,127V;输出Ⅱ,6.6V。(霄明)
问:修理好的一台晶体管收音机,机心尚未放进机壳内时声音较大,但放进机壳内声音就变小了 ,是什么原因?
答:这是机壳内的扬声器漏磁太大引起的。当机心装入机壳时,由于受扬声器磁钢影响,磁棒天线、振荡线圈、中频变压器磁芯的导磁系数发生变化,使Q值下降,损耗加大,使收音机出现高、中频统调失谐。另外扬声器盆架是金属制成的,对高频信号有一定的衰减,影响接收条件。当将机心放进机壳时就会出现音轻现象,尤其是在收音机本身灵敏度比较低的情况下更为明显。为克服上述毛病,机心放进机壳后,应再进行一次统调。(倪耀成)
问:爱华HS-727型收放机,收音正常,放声时夹杂很大噪音,在磁带空隙处还可听到电台播音声的干扰,断开磁头线,干扰小了些,但仍存在,不知何故?(佛山 劳永明)
答:故障现象很可能是前置集成电路有接地端脱焊或外围元器件接地端脱焊。当IC内部有接地端脱焊时,会使磁头线圈当作天线线圈接收杂散电磁场,经IC内非线性元件检波输出调幅音频信号。磁头断开后,连接线仍在接收。另外,如外围元件中作为IC内部放大器的反馈电阻脱焊或变质,交流旁路电解电容脱焊或失效,使放大器增益变得很大或因无接地点引起自激等现象,均会产生干扰,因此要重点检查焊点接触是否良好。元器件是否变质,最后还要检查前置IC是否工作正常。(张国华)
问:怎样快速判断大容量电容器的好坏?
答:用万用电表电阻档检测,观察它的充放电来判断好坏。但因大容量电容器充放电时间较长,等待时间较长且不易观察。为解决这一矛盾,检测时可先将电表置高阻档测试一下,当表外已偏转到一数值时,迅速拨到R×1档,表针即回到∞处;再将电表拨到开始测试的高阻档,看表针是否摆动,如不摆动这只电容器是好的,如表针摆动停在某一阻值,说明漏电电阻是某一阻值。测试换档时,表笔与电容的连接应保持不变。(倪耀成)
问:一台便携式收录机,错接220V~电源,导致集成电路KA22427烧坏,购买不到,请问该集成块有什么功能,在不改变引脚条件下,可用哪种型号代换?(河北 易卫华)
答:KA22427是韩国三星公司生产的调频调幅收音机专用集成电路、内含调幅部分从调谐到检波输出,调频部分从中放到鉴频输出;此外,还有低频功放。在不改变引脚条件下,可直接代换的国外型号有;ULN2204、TDA1083、TA7613AP;国内型号有:D2204、SL2204、FS2204、BH2204 BW2204、BGD2204、XG2204、XG1083等。(霄明)
问:一副AIWA立体声耳机发生断线故障,剥开塑胶绝缘皮后,发现芯线是多股铜质光线,线间缠绕多根丝线,不知该线如何绝缘,怎么进行连接?(浙江 邱国华)
答:这种立体声耳机芯线中并非铜质光线,而是多股高强度漆包线。由于漆皮颜色呈金黄色,容易被人误认为是铜光线,但你只要用万用表测量一下便可知道是绝缘铜线。通常对不带遥控器的耳机来讲,其芯线大都采用金黄和红色两种颜色的多股漆包线,所以区分和连接并不困难。少数非正规产品或冒牌品等可能仅用一种颜色漆包线,对此需用电表测量后才能区分。连接前务必要将多股线中的每一股均磨去漆皮,然后才进行焊接。有些文章称多股光线中只有一根是漆包线是错误的,照此连接一根线极易再次发生断线故障。(德沅)
问:一台录音机上的集成块BA511损坏,市场上难觅,不知有无其它型号的可以代换?(上海 孙顺康)
答:BA511可用BA521和BA532直接代换,也可用TA7205或LA4420按下表对应引脚连接进行间接代换。(张文华)
型号 引脚序号
BA5ll 1 2 3 4 5 6 7 8 9 10
TA7POF 10 9 8 3 6 7 5 4 2 1
TA7POF 2 1 8 10 9 6 5 4 3
注:LA4420第7脚为空脚。
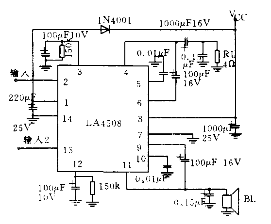
问:我手上有一块LA4508功放集成电路,想用它制作一台双声道扩音机,但不知道该集成电路的具体参数及应用电原理图,请告知LA4508的参数及电原理图?(解放军51396部队一战士)
答:LA4508是日本产双功放集成电路,它的主要参数是:输出功率8.5×2(负载阻抗4Ω时),典型工作电压15V。最大32V,典型工作时的静态电流为20mA,它的典型应用电路见附图所示。(邱慧远)
