一台NV-L15MC录像机,当把射频输出插口(RF OUT)用75Ω同轴馈线接至电视机的天线输入插口放像时,图像清晰度和声音的质量都很差。接着将室外电视天线接入录像机的射频输入插口(RFIN),在收录电视台播放的节目时,各频道的图像均出现“雪花”噪点,图像模糊,伴音也不清楚。把录像机搜台和电视机调谐器反复调到最佳状态,效果仍不明显。晃动一下录像机射频输出插口,有时偶尔图像和伴音会好一下,检查馈线及插头都未见异常。于是怀疑录像机的射频放大与转换部分可能有问题。
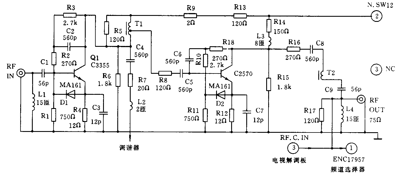
打开机盖,卸掉主电路板和后面板上的固定螺钉,翻开主、副电路板,便可看见装在电视解调器板上的射频盒,小心取下射频盒(注意别把电视解调器板上的印制线路焊坏)。依照射频印制极电路绘制出其射频放大转换部分的电路原理图加附图所示。

根据电路原理图分析可知,这是两级宽带射频放大与转换电路。用万用表测量射频输出插座芯与外层之间的电阻值为无穷大(从电路上看应近似为0V阻值),再仔细察看,发现插座芯与印制板上的焊点裂开虚接(可能是使用时屡次拔插,用力太大造成),焊牢以后故障应该排除,但为保险起见又外接12V直流电压继续检查放大器电路,以确保放大器电路没有问题(因为一旦将盒焊到印制板上还有问题,就不好再往下拆)。
用万用表测量三极管Q1(2SC3355)与Q2(2SC2570)的直流工作点电压;Q1的V\(_{e1}\)为0.9V,则Ic1≈I\(_{e1}\)=0.9/12=75mA;Q2的Ve2为0.27V, 则I\(_{c2}\)≈Ie2=0.27/12=22.5mA;显然,第二级管工作点的电压与电流属正常值,而第一级管工作点的电压与电流不正常。进一步检测发现Q1管的上偏置电阻阻值很小,测量R3两端阻值近似于0V,查与R3并联的贴片电容C2,已击穿短路。将C2拆下换上一只同容值瓷片电容后,则Q1管工作点的电压与电流均正常。
最后再全面检查一下,确认完全无故障后,即可把射频盒装好,焊牢在电视解调器板上,固定好主、副电路板,盖上机盖。打开录像机电源,则放像和收录电视节目全部正常。(阮殿清)