本文介绍一种既可用于卡拉OK演唱会、晚会,又可用于操场广播、车载宣传、会议扩音等的普及型多功能扩音机的设计与制作。
整机结构和主要性能:
该机采用倒立式轻触全自停录音机心,DM62优质磁头,立体声放音,卡拉OK BBD回响,交流、直流(24-36V)两用,电子降噪电路,立体声扩音输出,高、低阻抗输出转换(高阻抗输出16~250Ω,低阻抗输出4~8Ω),备有多组立体声输入插口供配接立体声调谐器、CD唱机、影碟机、录像机等,并备有外接频率均衡器输出、输入插口。这里仅简述选用OTL无输出变压器电路的理由。
1.OTL功放电路简单成熟,适用性强,容易装制,音质较好,特别是省去了绕制工艺复杂和要求较高的输出输入变压器。虽然与现在流行的“发烧”型功放电路相形见绌,但作为普及机型,其频响及失真度,完全能满足一般场合的扩音要求。
2.由于OTL功放电路输出端有输出耦合电解电容,负载稍一短路、开路并不易造成机器烧毁,对负载也有保护作用,且可配接自耦式输出变压器,不易因反向感应电压而击穿功率放大管。至于因输出电解电容引起的低频响应差,因是普及机型,也没必要考虑。另外,由于省去了输入变压器,以及输出变压器改成自耦式,更适合于自制。
3.OTL采用单组直流电源供电,因此可交、直流两用,对直流电源的要求低,简单的电容滤波即可工作,且供电电压范围宽,在交流或直流24V以上时,均可正常工作,交流电源电压在150V时,仍可正常工作无须调整,只是输出功率与供电电压的高低成正比。特别适用于交流电网波动较大和无交流电地区使用,足够一般扩音用。在现在的文艺演出或卡拉OK演唱会中,如果没有交流电,便无法正常演出。直流供电只是在应急或车载宣传时使用,在用直流供电扩音时,由于需要的供电电流小,从而延长了电池的使用时间。当采用40V交流电压时,每声道(8Ω)有25W左右的功率输出,在4Ω时,功率输出达50W以上,最大功率可高达150W。
4.功率放大三极管可采用同极性三极管,如3DD15、2N3055等,也可采用互补到配对管,如2N3055与2955、2SC2922与2SA1216等,只是电路要稍微改动一下,方便维修与自制。
下面再就整机的电路特点、制作中材料的选用和一些需注意的问题,作些说明。
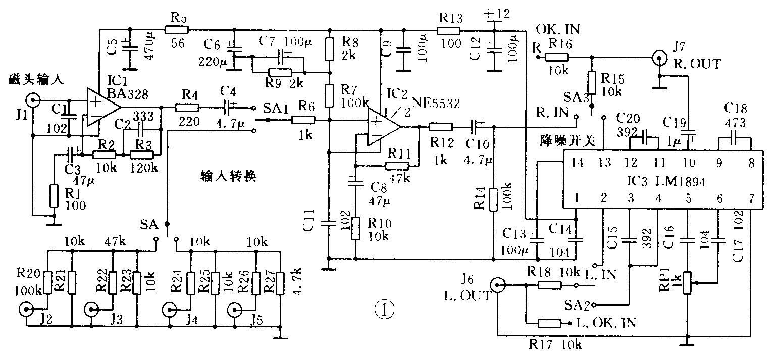
1.磁头放大和预前置放大电路:如图1所示,磁头放大采用BA328,可直接代换的有LA3160、LA3161等。预前置放大采用NE5532,可用TL082、MC1458、MC4558、LF353等双运放集成电路代替。自制时,要注意磁头与机心的接地点,不能多点接地。如发现有交流声,可通过调整接地点位置解决。另外要注意电源变压器的位置,要尽量远离前置电路板。考虑到供电电压的波动和直流供电的影响。机心电机和磁头前置供电,分别采用三端稳压电源(LM7812),可允许直流输入电压在36V左右,三端稳压集成电路要注意加上散热器。预前置放大只采用五倍左右的放大倍数。因外接输入信号源的内阻不一致,图中给出了四组不同的输入插口供选配。预前置这一级也可改装成唱机放大均衡电路,因后级的增益足够,此举无多大影响。

2.图1中,IC3为降噪集成电路,采用LM1894。调整时,最好采用录音卡座放音,方法是将录音带放入盒仓内,同时按下放音键和暂停键,调整RP1微调电位器,使电位器固定在磁带的噪声刚好消失这一点上,以免使高音受到损失。在正常使用降噪电路时,好象有一点高音被压抑的感觉,如果噪声不是特别大,建议尽量不要使用降噪电路。
3.图2为卡拉OK电路,采用由MN3102、 MN3207组装的BBD回响电路,电路原理与市面上的成品机电路原理基本一样。由于话筒放大和外来输入信号,都经BBD回响处理,这在使用者讲话作报告或外来信号扩音时,更能使声音圆润饱满,增加临场感。注意不要使回响延时时间太长,调整在刚有一点回音为好,否则会使声音模糊不清,影响收听效果。

4.图3中的IC4为前置放大电路,与预前置一样也采用NE5532集成电路,信号输入前端处留有外接均衡器输出、输入插口,不用时需用短路卡连接;前置输出回路串联有一只低音切除开关,由于扩音机的低频响应较好,用于配接号筒式高音扬声器、小扬声器箱、音柱或用于会议扩音时,为提高语音的清晰度,通过开关的控制可将低音部分地切除。

5.在各项性能基本能满足一般场合扩音需要的前提下,考虑到维修的方便和取材容易,图3中的功率放大部分采用简单的OTL无输出变压器电路。读者如需较高的档次,可自行改装。在原理图中,功放管用的是NPN型同极性功放管,可用Pcm>50W,BVCEO>100V,β>2O的硅大功率三极管,如3DD15、2N3055等,如果采用互补型对称管,则要稍微进行改动,这时可选用大功率PNP和NPN互补型配对三极管,如2SA1301与2SC3280、2N3055与2955等。需要较大输出功率或功放管功率太小不符合要求时,也可采用三极管两只或多只并联的方法,但要注意β值要基本一致。由于输出端有耦合电解电容保护,负载和功放管都不易损坏,在调整时,如果没有发现自激现象发生,中点电压允许有些偏差,对音质并无多大影响。装制时要特别注意C34电容的质量和容量,因为该电容如果一开路或变值失效,将会引起功放电路的严重自激并导致烧坏。调试时,如果发生低放自激现象,要首先考虑该电容是否失效或变值。
功率放大电路输出阻抗,分高阻抗与低阻抗两种,用一个转换开关控制。低阻抗输出4~8Ω,直接用OTL功率输出端。高阻抗输出为250Ω,方法是在OTL功率输出端,加接一只自耦式输出变压器,用于远距离传播。配接号筒式16Ω高音扬声器或数十只小扬声器箱、音柱,用于广播宣传、工地传呼。
6.图4是电源供给部分,因考虑到交直流两用,并受三端稳压器输入电压的限制,T1次级交流电压可选用24~44V左右,直流电压输入在24~36V较为合理。电源变压器功率,原则上按所需扩音输出功率的大小考虑。如果不用直流供电,交流电压还可提高,只是直流滤波电解电容和其它元件的耐压要相应提高。为有一定的裕量,一般将交流电压乘以1.5倍,便为所需的耐压值。在电源变压器的功率容量不够大时,选用的次级电压不宜太高,否则容易烧掉。由于市面上耐压50V的电解电容比较容易找,因此可选用35V左右的交流电压。直流供电可采用2个或3个12V蓄电池串联起来供应,应急使用也可使用一号手电筒干电池15节以上串联供电,只是输出功率较小。

在电原理图中,除了标明参数型号的元件之外,其它均无特别要求。小功率三极管可选用9000系列中的9015、9014等PNP、NPN型管,低放部分由于供电电压较高,可选用2N5551与2N5401,推动管只要Pc>20W,BVCEO>80V,β>50的硅中功率互补型配对三极管,都可使用,如2SD669、2SA649、2SC2073、2SA940等。电容耐压除标明外,“OK”板和磁头放大、前置级、音调控制级可采用25V左右,其它最好用50V,这主要看其所处的工作电压高低而定。电阻一般情况下采用功率1/4W~1/2W的普通碳膜电阻,或金属膜电阻。
另外,在使用时,变换高低阻抗输出开关和交直流转换开关时,要先关掉电源开关;远距离传送和外接高阻抗线路输出时,要加有输出指示电路。特别是在农村,要加装避雷器,可用电话机用的“用户保安器”代替,防止雷电时损坏机器。(肖沐荣)