家用电器由开机电流冲击导致的故障比较多,例如烧断保险管、整流桥、变压器等。要消除开机冲击电流对内部元器件的威胁,有必要给家用电器装设开机软启动功能。但增加专门的软启动系统将使整机造价大幅度提高。因此,人们盼望一种廉价的、具有软启动特性的元件,这就是本文将要介绍的NTC功率热敏电阻器。
功率热敏电阻器的特性
NTC功率热敏电阻器,是一种可以通过1~10A强电流的负温度系数变化的热敏元件,其外形见图1,直径在5~20mm之间分为6种,附表列出常用型号及主要参数供读者参考。


功率热敏电阻的参数中,零功率电阻值是指元件在25℃环境下无电流作用时的自身电阻值。某一种直径的热敏电阻它的零功率电阻值在1~50Ω之间可分为多种规格。在元件外形直径一定时,零功率电阻值越大,则最大稳定电流值将越小。零功率电阻值相同而外形直径不同的NTC功率元件,其最大稳定电流值也随之改变,即直径大的电流值大,直径较小的电流值也小。
参数中,最大稳定电流I\(_{max}\),是指NTC功率元件能长时间稳定工作而不造成性能恶化的电流最大值。热时间常数是指NTC功率元件在25℃环境中从通电工作开始,到最后达到最大稳定电流值所需的时间。通过附表可看出,直径越大,其热时间常数值也较大。
应用举例
1.白炽灯泡的软启动
我们知道,白炽灯泡冷态电阻与正常发光时的电阻相差甚大,每次开灯瞬间的电流冲击,将使灯丝急剧蒸发而逐渐变细,使用不久便会出现断丝而报废。例如一只220V/100W灯泡,正常发光时的电阻为484Ω,所通过的电流为0.455A。用万用表测得冷阻不足35Ω,加电瞬间将产生大于6A的冲击电流。如果按图2那样串入一只零功率阻值在7~35Ω、最大稳定电流值在1~2A的NTC功率热敏电阻,则通电的初始阶段,将由启动元件除去1/5至一半的电源电压,使灯泡作欠压启动。随之功率热敏电阻的阻值随温度上升而下降,灯丝受热其电阻值上升,灯泡端电压逐渐接近电源电压,使灯泡正常发光。

2.家用电器的软启动
NTC功率元件在家用电器上应用也是非常适宜的。如收录机、电视机、音响扩音设备、仪器及车、船用低压电器等。这些电器内往往安装有大容量电解电容器作滤波或傍路,在开机瞬间,电容器对电源几乎呈短路状态,其冲击电流很大,容易造成变压器、整流堆或保险管的过载。如图3所示,在设备的整流输出端串接上NTC功率元件,这样在开机瞬间,电容器的充电电流便受到NTC功率元件的限制。在14~60余秒之后,NTC功率元件升温相对稳定,其上的分压也逐步降至零点几伏。这样小的压降,可视此种元件在完成软启动功能后为短接状态,不会影响电器的正常工作。

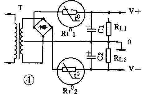
有些中高档音响、扩音机中,常采用正负对称的双电源供电,可参照图4所示位置加入软启动元件。

功率热敏电阻的选用
在实际应用中,主要对最大稳定电流I\(_{max}\)、零功率电阻值Rt\(^{0}\)及直径大小这三项参数提出要求。
最大稳定电流I\(_{max}\),是以负载工作电流IL的大小按1~5倍I\(_{L}\)选用Imax值。如已知I\(_{L}\)=1A,则NTC启动元件的Imax应在1~5A之间选用。
零功率电阻值的选择,是以负载(如灯泡)未通电时的冷阻R\(_{0}\)为依据,按R0/1~5来选用Rt\(^{0}\)值。如某灯泡冷阻R\(_{0}\)=5Ω则Rt0值在1~5Ω之间选用。
元件直径选用,则是根据软启动过程所需时间,即热时间常数来确定的。通常直径较大的元件,其软启动时间较长,反之则较短。另外,直径较大的,允许流过元件的I\(_{max}\)值也较大,具体选用时可综合考虑。
在图4中,电容器C1、C2的容量为4700μF时,NTC功率电阻选用Rt\(^{0}\)值为12~20Ω,C1、C2为10000μF时选用的Rt0值为5~12Ω,当C1、C2容量≥4700μF时,选用2.5~5Ω的Rt\(^{0}\)值,其电流I\(_{max}\)值则依据实际工作电流IL的大小选择。例如某扩音机工作电流为2.5A,内部所用滤波电解电容器的容量为11000μF×2(双电源),要求软启动时间不大于50秒。根据上述条件,可选用I\(_{max}\)值为3A、Rt0值为8Ω、直径为10mm、型号为10-083的功率热敏电阻,其软启动时间≤45秒。图5为其中13-203型NTC功率元件启动特性曲线。

使用注意事项
1.安装位置应远离电器中易发热元件,也不宜靠近散热窗,更不能紧靠散热板或有排风扇气流吹动处,引脚尽量留长,以免影响NTC功率元件的性能。
2.关机后,在热时间常数值内,NTC功率元件尚未恢复至零功率时的电阻值,因此不宜短时间频繁启动。
中山市达华电子厂供功率热敏电阻器,不论阻值,以直径定价,5~10mm每只1元,13~15mm每只2元,20mm每只3元,每次邮费3元。邮码;528415。(蔡凡弟)