CD4013是一片CMOS双D触发器,即在一个芯片上集成了两个性能相同、引脚独立(电源共用)的D触发器,引脚排列如图1所示。每个D触发器具有输出端Q和Q、时钟输入CP、数据输入D、复位输入R、置位输入S。D触发器的功能用一句话来概括就是;在CP脉冲的上升沿将数据输入D端的状态传送到输出Q端。此外,当R端加高电平时,Q=0,Q=1;当S端加高电平时,Q=1,Q=0,综合成真值表如表1所示。


如果将D触发器的数据输入端接到反相输出端Q,则每当输入一个时钟脉冲,则Q端输出必为原来状态的反相,即原来为高电平则变成低电平;原来为低电平则变成高电平,如图2所示。此电路可用于控制电源的开关、静音控制等。这也是一个典型的2分频电路。一般称为“反转型”触发器。

图3是用D触发器组成的单稳态电路。S端加正脉冲时,Q端变成高电平,此高电平经RT给CT充电,当CT上充电电压达到触发器R端转换电压时,Q端输出便由高变低,CT通过二极管VD迅速放电,为下一次触发作好准备。电路的延时时间tw≈0.7RT·CT。

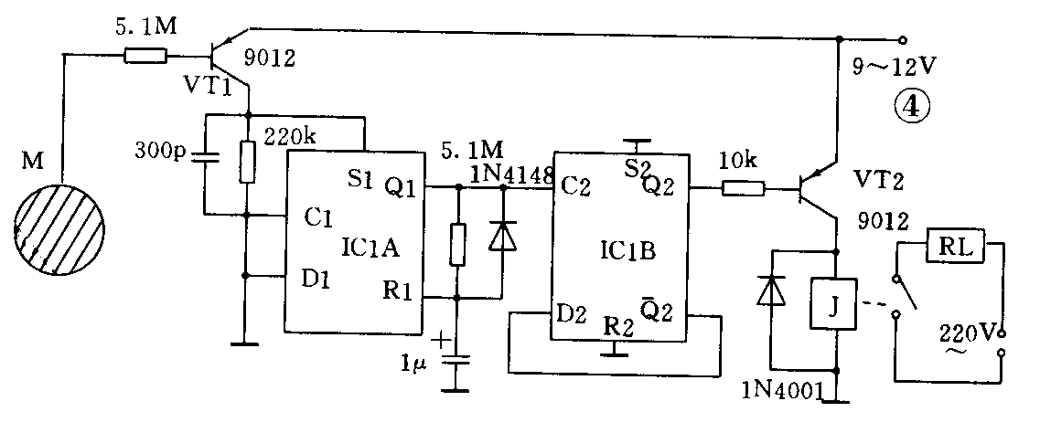
图4是一个触摸开关电路。IC1A组成单稳态电路,消除触摸M端在S1端产生的抖动脉冲;IC1B组成“反转型”触发器。当人手触摸M端时,使VT1管导通,S1端输入正脉冲,Q1变为高电平,触发Q2改变状态,由此形成继电器接点的闭合与断开。按图中数据,大约3.5秒可接受一次触摸,从而有效地消除了触摸抖动,使电路工作更可靠。(李洪明)
