石英谐振器是利用石英单晶材料的“压电效应”而制成的一种频率控制元件。它具有体积小、Q值高、性能稳定可靠的特点。
石英谐振器在电路图上的符号见图1(a),等效电路见图1(b)。

由于石英谐振器具有高稳定度的谐振频率,因此广泛应用于通信设备、广播设备、各种电子仪器、计算机等设备中,成为现代电子工程及家用电器中不可缺少的关键元件。
石英谐振器按频率精度及稳定度的不同可分为高精度、中精度和通用型三种,最常用的为通用型。如果按封装形式来分,有玻璃真空密封型、金属盒封装型、陶瓷封装型及塑料盒封装型等几种。最广泛使用的为扁型金属盒封装的石英谐振器,外形见图2。这类封装的产品,现国际上已规定了统一的系列型号,国内也有对应的产品。图2中括号内J1、J3、J7为对应的国内产品代号。

石英谐振器的外壳上都印有一些数字和字母,它们表示什么?有什么含义?下面来谈谈这个问题。
在每一块石英谐振器的外壳上必须标有标称频率,这是石英谐振器的重要参数。通常用带有小数点的数字来表示,其频率单位为兆赫(MHz)。例如3.579,4.433,6.000,10.00,16.00,26.00,27.00以及49.00等。对于几兆赫以下的频率,也有用干赫(kHz)为单位来表示的。石英谐振器标称频率的精确程度,一般通过小数点后所取位数的多少来表示。例如标志为3.579的谐振器的精度就要比标志为3.57的精度高,因为前者多了一位有效数字。
在有些晶体谐振器的外壳上除了标示标称频率外还用字母表示厂标、商标或型号。如日本产品上标有NDK、TOYOCOM、KSS等字母;美国产品中标有CTS、MCCOY等字母。也有少数产品在外壳标记的最后一行标出产品生产日期和批号。但必须注意在上述各种标记中,并不都要标全,但标称频率是必须标上的。
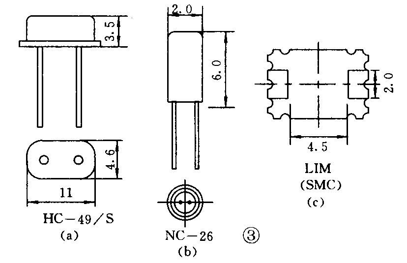
随着电子技术的发展,目前国际上也出现各种小型化及片状的产品,如图3(a)(b)(c)所示,其中有HC—49/S矮型石英谐振器、高度只有3.5毫米;MC-26型手表用石英谐振器,直径仅2毫米,还有SMC型产品,它是无引线的表面安装型片状石英谐振器,它们将广泛应用在集成化和小型化的电子设备中。(陈志远)
