晶体二极管是由一个PN结加上相应的电极引线和密封壳做成的半导体器件。二极管种类较多,常见的有整流二极管、检波二极管。它们的型号不同,外形的大小也不同,但是在电路中都是用图1所示的符号来表示。在二极管的符号中,三角形箭头为正极用“+”表示,三角尖所指直线为负极用“-”表示。

在收音机、电视机电路中,经常出现二极管的符号。二极管在电路中有多种用途,如整流、检波、稳压等,但初学者对此往往分不清。要识别二极管在电路中的不同用途,我认为必须掌握二极管的基本特性,而且要记住典型的整流电路、检波电路的组成和特点,还要了解常见的二极管的命名方法。
单向导电性是二极管的基本特性。这个特性只允许电流从二极管的正极流向负极,而不允许负极流向正极。二极管符号中三角形箭头指的方向就是允许电流导通的方向。二极管的单向导电特性,可用图2所示的电压—电流关系(伏安特性)曲线来进一步描述。图中坐标0点表示:当二极管两端不加电压时,二极管中没有电流通过。曲线0A表示:当二极管加上正向电压但比较小时(硅管约<0.7V,锗管约<0.3V),通过二极管的电流很小。而一旦超过这一电压后,通过二极管的正向电流急增,如图中很陡的AB段曲线所示。曲线0C表示:当二极管加上反向电压时,能通过二极管的反向电流几乎为零。但当反向电压超过一定值时,反向电流急增,二极管被反向击穿损坏,是图中曲线的CD段。

从结构上来分,由于制造工艺不同有点接触型和面接触型两类二极管。
检波二极管一般选用锗材料点接触型的二极管,图3是典型的检波用的锗二极管的特性曲线图。检波二极管的特点是:工作频率高、正向电阻小、允许通过的正向电流小。检波二极管的作用是:把原来调制在高频无线电电波中的音频信号取出来。检波也叫解调。国产的检波二极管的型号有2AP_系列。型号中的第一个数字“2”表示二极管,第二个汉语拼音字母“A”表示N型锗材料,第三个汉语拼音字母“P”表示普通管,最后一个“-”部分是用数字表示序号(下面型号中出现这个符号意义相同)。常见的进口检波二极管有1N60等型号。

整流二极管一般选用硅材料面接触型的二极管,它的特点是:工作频率低、允许通过的正向电流大、反向击穿电压高、允许的工作温度高。整流二极管的作用是:将交流电变成直流电。国产的整流二极管的型号有2CZ_2DZ_系列等。型号中的第一、最后部分数字的意义同前,第二个汉语拼音字母“C”表示N型硅材料、“D”表示P型硅材料。常见的进口整流二极管有1N4001、1N5401等型号。
整流和检波过程并没有实质上的差别,不同的仅是应用的场合和要求,整流一般是对低频率的市电来说的;而检波一般是对高频率的小信号来说的。
二极管整流电路,一般都接在电源变压器的次级输出端或者220伏的交流市电,通常是用四个二极管组成的桥式整流电路。它的后级为滤波器,交流电经整流后,要求将交流成分滤得越干净越好,所以滤波电容器都是用大容量的电解电容器。一般容量为几百至几千微法。整流电路的后面为由它供电的电路。整流电路工作频率较低,而通过二极管的电流较大,所以都用硅材料面接触型整流二极管,如2CZ33、2DP4。图4是一个典型的稳压电源电路,电源变压器先把220伏的交流市电降低到10伏左右,用四只二极管VD1~VD4整流变成“脉动”的直流电,再经过电容C1滤波,得到比较平滑的直流电压。图5是某种型号的彩色电视机中的电源电路,VD1~VD4为整流二极管,C7为滤波电容。


用于检波的二极管电路,它的输入电路是收音机中放级输出端或高放输出端,检波器件通常由一个检波二极管组成,它的后级为时间常数较小的RC高频滤波器。为了得到检波后的不失真音频信号,滤波电容的容量都不能太大,只要能将高频成分滤掉就行,滤波电容一般为十几皮法(pF)至几十纳法(nF)。由于检波二极管工作频率较高,通过的信号电流很小,都使用锗材料点接触型的检波二极管,如2AP9、 2AP10。检波电路的后面为低放电路。图6是一种超外差式晶体管收音机中的检波电路。它与半波整流电路相似,只是检波器后面接的滤波器参数不同。C1、C2、R4为高频滤波器,检波后的低频信号由Rp送至低放级。图7是来复式收音机中的倍压检波部分,C3为滤波电容。检波后所得的低频信号再加到VT1的输入端,再作一次低频放大,然后送给耳机。


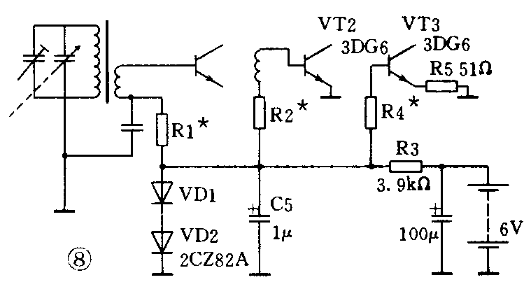
有时我们利用硅材料的二极管的正向特性来稳压。从硅二极管的正向特性可知,通过二极管的电流在一定范围内变化,它两端的电压基本上维持在0.7伏不变。图8中两个串联的硅二极管VD1、VD2和R3、C5组成1.4V的稳压电路作为高频级的偏置电源,当电源电压下降到3伏时,收音机还能保持正常工作。在晶体管偏置电路中看到这样正向接法的二极管一般是作为稳压之用。

另外有一种特殊的二极管叫稳压二极管,它的符号见图9。它的符号与二极管不同,很容易识别。稳压二极管在反向击穿状态下工作(而一般的二极管不允许这样工作),就是说它的正极接电位低的地方,负极通过电阻接电位高的地方,如图4中的VD5。

综上所说,要分析二极管在电路中的作用主要是看二极管所在的位置,也就是说它是在什么功能的电路中,并结合二极管的型号来综合分析。当然二极管的用途还不止这几种,初学者随着对电子技术知识的增加会逐渐认识的。(周富发)