在现代化经营活动及日常生活中,人们期望有一种稳定、安装和移动方便、初装费用低廉且不必交纳电话费的通信工具,它适用于企事业单位、军营、旅馆,前店后厂或前店后居的工商业户、广大农村以及楼宇内部使用。一些经济效益显著的单位,虽在各科室安装厂邮电市话,但因为用于内部通话的比例相当大,精明的企业家也期望加配不必重复拉线、简单可靠且美观的内线电话,以节约电话费。本文介绍的这种DT—21E型电话机可以满足上述需要,它针对国内外流行电路作了许多改进,具有以下特点:
1.单机均设有独立的拨号键盘、逻辑控制和收发信电路,双工通信,不需程控交换机。
2.采用带储存和重拨功能的DTMF双音频发码集成块,识码速度快,抗干扰能力强,工作可靠。
3.可利用专设双线或单线一线一地方式、广播线及闭路电视线、低压或高压电力线传输信号,安装简便。
4.具有与普通市话相同的拨号音、发码音、铃音、回铃音、忙音、占线指示、来信指示和严谨的逻辑设计,符合日常使用习惯。
5.采用摩托罗拉公司生产的无线通信专用集成块组成超外差接收电路,灵敏度高,选择性好,噪杂波低,通信距离远,性能较直放机型显著提高。
6.全机仅用集成电路12块,功能齐全,电路简洁,勿需调整直流工作点,适合中小企业和业余爱好者制作并就近推广。该机中有高放、中放、低放、振荡、变频、稳压、调制、发射、电话发解码和多种脉冲控制电路,是电子职业高中综合教学和实验的选材。另外该机外壳新颖美观,厂家可提供整机、套件和全套电路图、印板图和生产、调试、检验、维修资料。
工作原理简析
收发信电路见图1。话音信号由BM拾取,N9-4对数放大,C28输出,与M、N点输入的双音频发码信号和回铃音信号在R44处会合,对载波发生器N7调频,VT3射随输出。逻辑信号RC/TC控制模拟开关N10和开关二极管VD29、VD30、VD35、VD36;主呼(自行摘机外打电话)时,RC为1(高电平)、TC为0(低电平),N10的a、b、c三组接点接Y组,N7由R50、RP2调定发载频200kHz;VD29导通,150kHz二级丙类载频输出放大器VT7/VT9关闭;VD35截止,150kHz收信通道N9-2开启;VD30截止,200kHz载频放大器VT8/VT10开启,载频输出经并联选频网络T2、C55、串联选频网络L2、C60由隔直电容C95、C96送到输出插座X处;VD36导通,200kHz收信通道因N9-6输出为零而关闭。形成开200kHz发射和150kHz收信、关150kHz发射和200kHz收信的工作状态。被呼(对方来电话)时,RC=0,TC=1,上述状态相反:收200kHz,发150kHz。守候(挂机)时,RC=0,TC=0,发射停止,收200kHz:外线输入的200kHz信号由C95、C96隔直,L2、C60、T2、C55选频,经R84、C38限流,VD33、VD34大信号削波,由R86等输入N9-6和N9-5二级选频放大器,VT12射随输出。C53、L4为150kHz串联陷波器,在被呼状态时短路150kHz发射波,避免自发自收现象。N8为摩托罗拉无线收信专用的FM窄带调频集成块MC3361,这里用作超外差长波接收:T8输出经C48送入模拟开关N10 b组接点,C61输出,VD37、VD38削波,C62耦合进入N8混频输入脚。N8第1和第2脚外接的C71、C72、L5等元件决定本振频率f\(_{振}\)-f入=455kHz变频后由第3脚输出,三端陶瓷滤波器FL1窄带选频,输入第5脚进行5级限幅中放,第8脚L6、C75正交鉴频,在第9脚得到鉴频后的音频输出信号由R65和C8分别输往低放和DTMF双音频解码器。在守候和被呼状态,N8本振频率由L8调定,在VT6射极上用频率计测量应为200kHz+455kHz=655kHz;在外呼状态时收150kHz:RC=1、N10的C组Y接点(3脚)上的C69、C70并入振荡回路,调C70使本振频率为605kHz。

载波电话系统中,信道占用信号ONAR是最关键的逻辑控制信号。目前流行电路中一种是用锁相环LM567作鉴频,其5、6脚的阻容元件决定LM567的自振频率f\(_{0}\)。当输入信号频率落入f0捕捉范围时LM567第8脚电位由1变0,用其作为ONAR信号控制逻辑、发射、低放等电路工作。由于LM567对f\(_{0}\)的谐频(半频、倍频、1/3频等)很敏感,极易假锁,造成噪杂波大和ONAR误动作,这是一些载波电话工作不稳定的主要原因之一。有的电路用幅度鉴别电路代替LM567的频率鉴别作ONAR信号,在干扰严重地区由于无法分辨强干扰和弱信号,效果亦不理想。MC3361附带的噪杂波检测电路利用调频接收时未收信号噪杂波大,收到信号噪杂波低的特点,放大并检测噪波幅度用作信道占用信号,工作可靠,电路简洁,试用于本机效果理想。C65、C66等与MC3361内置的运算放大器组成10kHz带通滤波器,放大和检测9脚的噪杂波,VD39整流,RP3选择鉴别阈值,13脚输出信道占用信号ONAR(有信号时ONAR为0,无信号时为1),14脚则输出其反相信号ONAR-。实测本机发射输出电压空载时≥15V,100Ω负载时≥7V(0.5W),接收灵敏度≤10μV,噪杂波低,选择性好,通信距离远,抗干扰能力强,使用效果较采用LM567的21A型机显著改善。
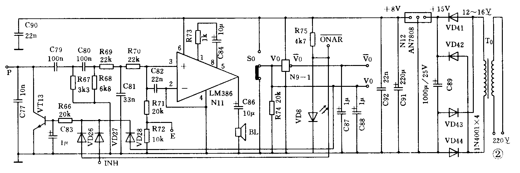
低放和电源电路见图2。市电由T0变压,VD41—44桥式整流,N12稳压供作中放低放和逻辑电路电源。叉簧开关S0和反相器N9-1输出的V0(挂机为0,摘机为1)和V-0(挂机为1,搞机为0)提供工作控制信号。N8鉴频输出经R65输入C79、R67等组成的300Hz-3kHz带通滤波器,由N11低放驱动听筒BL。门控管VT13由VD26-28控制,在挂机和信道占用时导通,短路输入音频,避免噪杂波和窃听现象。铃音、拨号音、忙音信号由E点输入,不受VT13控制。

图3为DTMF双音频发解码电路。N1为带储存和重拨功能的电话专用双音频发码集成电路。主呼时摘机,按1~9键盘,第2脚输出相应的双音频信号分别去调制和低放电路,第13脚电位在按键盘时由0变1,由T/PM点输出控制图4R-S触发器N4-2置零端R2,停拨号音。HKS是挂断和重拨控制脚,受RC控制,#为重拨键。N2为双音频解码集成电路,鉴频输出信号由Q点输入N2第2脚经放大、比较后由其10~14脚输出BCD码,再由N3将BCD码解为十进制码。跳线Ⅰ、Ⅱ选连N3的1~9解码输出脚(如Ⅰ连第14脚,Ⅱ连第7脚,则本机座号为16),当合乎本机座号的解码相继输入时,Ⅰ、Ⅱ先后出现高电平,带自动恢复功能的R-S触发器N4-1、N4-3被置位,Q1=1、Q3=1,来信指示灯VD7亮,铃音音乐块N6通电工作,VT2由R18输出铃音信号去低放,由N点经R46调制N7,TC=1使150kHz发射通道开启发回铃音。摘机后V0=1,VT1导通短路R13,Q3维持为1,V-0=0,VD25使VT2截止,停发铃音,双方正常通话。倘响铃后无人摘机,V0=0,VT1截止,R13、R14给C12充电一段时间后置零端R3=1,Q3复零,停止发射。

图4为主呼和逻辑电路。ONAR=1(信道未占用时)摘机:V0=1,V-0=0,N5-5=0,R-S触发器N4-4置位端S4=1,Q4=1,C20使Q2=1,VD19截止,800Hz振荡器N5-6和N5—1起振,R35、R36送拨号音去低放。RC=1开200kHz发射和150kHz收信,按号盘发码,对方识码后传回铃音ONAR=0,ONAR-=1,VT3短路R23,Q4维持导通。或非门N5—4输出的INH=0,低放门管VT13截止,对方摘机后双方通话。如果发码后对方不识码,ONAR-=0,VT3截止,R23、R24为C18充电一段时间后R4=1,Q4复零停发射。INH=1,800Hz振荡器被N5-2/N5-3超低频振荡器调制,R36等输出忙音信号去低放。按S*键,N5—5=1、Q4=1发射开启,VT4使HKS由1变0,按N1“#”键可重发上次号码。如果信道占用时强行摘机,由于ONAR=0,VD11锁住S4:Q4=0、INH=1放忙音关低放,使其不能发射和窃听。通完电话挂机,V-0=1,C13、C14、VD17等使Q3、Q4、Q2复零。

载波电话的传输途径
本机由X1输出信号,当X1未插入插塞时,载波回路通过高压电容C97、C98接220V~电力线;当插入插塞时,220V~一端断开,X1可接为各种输出形式:1.共线传输:采用两根专用线,将所有电话均并联在这两根线上,最好用单芯线拉开10cm间距走线,铜、铝甚至粗铁丝均可,应注意防雷击。这种方式可传输4~20km,效果好,工作稳定。虽然较采用电力线多了两根线,但较之安装程控交换机的一部电话两根线(装20部电话需40根线)还是节省的多。2.一线一地方式:架设一根公共粗线,将载波电话输出的一端接在该线上,另一端接自来水管、暖气片或深埋于地面保持潮湿的金属片上,实验传距可达2~10km。3.有线广播线:有线广播使用频率在20kHz以下,扬声器的匹配变压器对电话载频阻抗很高,电话信号衰耗小,用广播线作传输效果不亚于上述共线和一线一地传输效果,广播时不影响通话,对农村、铁路列车、客船等都是很可取的传输途径。4.闭路电视线:利用共用天线电缆的外屏蔽层作为一端,另一端接地,传输效果很好。但某些电视系统中,电缆屏蔽层是接大地的,须由主管部门统筹安排。5.220V~电力线零线与大地一线一地方式:这种方式不用另架线,不受相线制约,在同一变压器范围内可传1~5km,适合广大农村试验推广。按照电工规范,零线在电力变压器附近处接大地,此方式对不同地点的使用效果由实验确定。6.低压电力线:220V~市电同相传输效果好,异相时须跨接≥0.1μ高压电容;居民户电度表的电流取样线圈对载频衰减很大,应在其上并上一个≥0.022μ的电容器。7.高压电力线:传输效果优于低压线,但须由专业人员设计安装,方法参见图5。(刘永华)

国营潍坊华仪通信设备公司配合本文供应:DT-21E载波电话整机;邮购价238元,批发价20台以上218元;套件邮购价178元,批发价200台以上158元;邮费每台6元。全套资料36元。邮费4元。彩照资料附资2元函索。联系人:潘宏香,电话:(0536)7661057,邮编:261200,厂址:山东省潍坊市访子六马路88号。