在通信技术迅猛发展的今天,手持式无线对讲机以使用方便,价格低,小区域内使用不用组网而深受喜爱。本文介绍一种通话距离远(开阔地通话约15公里)价格低的无线电对讲机,供广大无线电爱好者参考。
主要技术指标
发射机:1.发射功率:4W(DC9.6V);2.发射频率30.275MHz;3.频偏,±5kHz;4.调制方式:调频;5.发射电流:700mA。接收机:1.接收灵敏度0.2微伏(S/N=12dB);2.中频频率:一中频:10.7MHz,二中频:455kHz;3.音频输出功率≥100mW。
电路工作原理
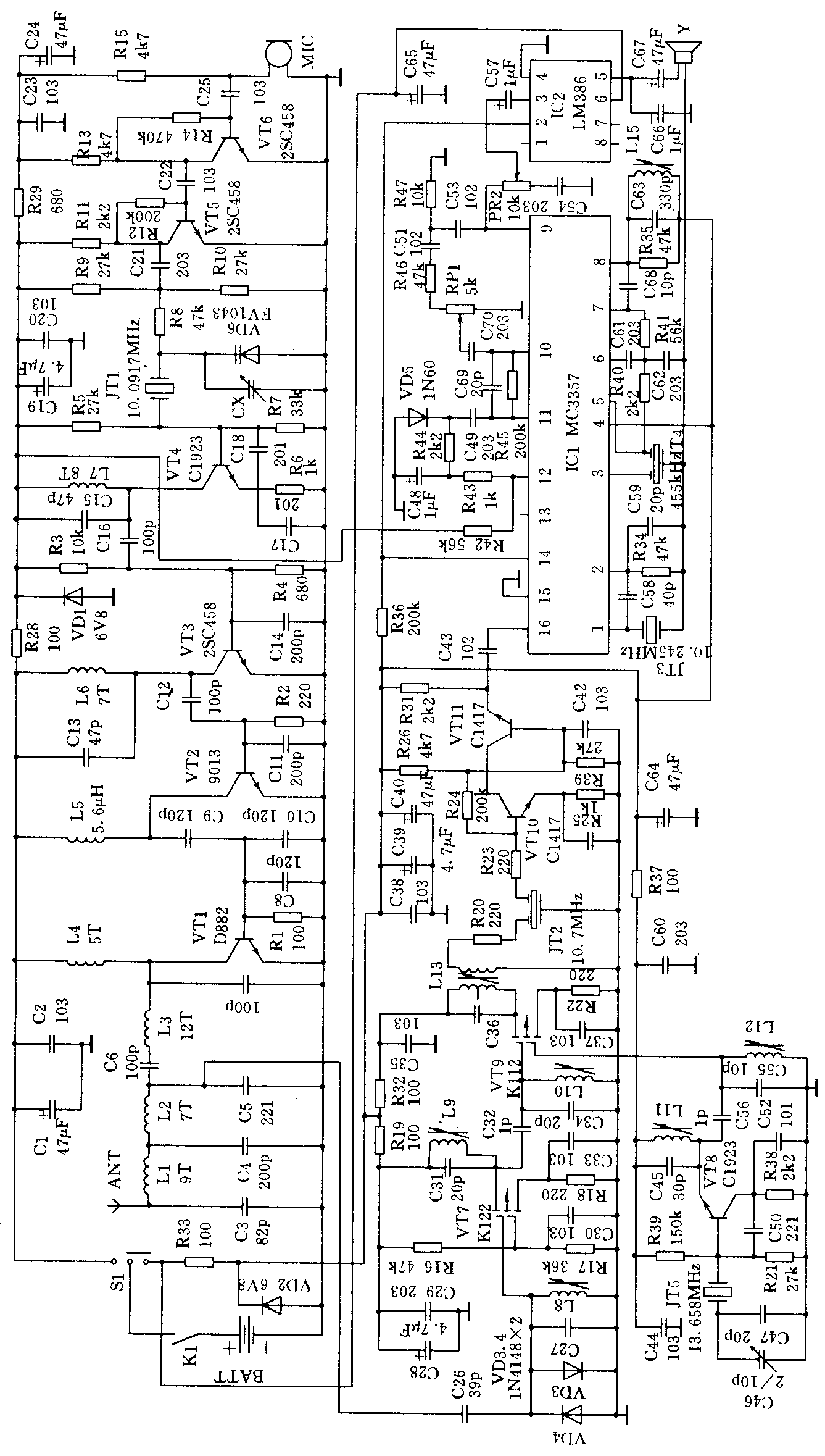
整机电路见附图。发射机部分分音频调制和发射两部分。图中话音信号经MIC由电容C25输至VT6,VT5组成的放大器进行音频放大,放大的信号约6V(峰-峰值)送至VD6两端,VD6两端电压随话音信号变化使VD6结电容变化,而VD6又是串在VT4,JT1组成的三点式振荡电路中的,由此而形成了调频。VT4及JT1和VD4及有关元件组成频率为10.0917MHz的振荡器,VT3及C13、L6等组成三倍频器,由主振器的谐波成分中选出三次谐波使中心频率为30.275MHz。VT1、VT2为30.275MHz丙类放大器,它们的工作情况分别决定于R1,R2的阻值。由于丙类放大器的多次谐波非常高,所以必须由LC调谐回路选出可用波成分,这部分在输出回路中完成。在输出回路中由L3,C6组成串联谐振电路,由C3,C4,C5和L1,L2组成低通滤波器对输出高频信号进行选频和阻抗变换。

接收机:未按动S1时电源与接收部分接通,接收部分工作由天线送来的微弱信号经发射部分的低通滤波器滤波后输至L8,C27构成的30.275MHz选频回路进行选频,选频后的信号送至双栅场效应管VT7构成的高放电路第一栅极进行高放,放大后的信号进入混频器VT9的第一栅极进行混频。VT8,JT5等构成三点式晶体振荡器。振荡器产生本振基频信号(13.658MHz),由负载L12和C55选出三倍频信号(40.974MHz)加于VT9第二栅级。经混频放大后的信号由C36、L13选出第一中频信号,由JT2滤波后输出10.7MHz信号经VT10和VT11共射、共基电路进行第一中频放大,放大后由C43进入IC1第16脚。IC1首先将其作二次变频得到第二中频455kHz,由3脚输出经陶瓷滤波器JT15后进入5脚作二次中放并鉴频,由9脚输出音频信号,经RC滤波器滤除高频杂波后,经音量电位器RP2送至IC2音频功放,推动扬声器发音。与此同时IC1的9脚部分信号经C70、C51、C53、R46、R47等组成的高通滤波器,使无信号时滤除20kHz以下的信号送至10脚,由IC1内部放大后,从11脚输出,由VD5检波,C48、R43滤波后,产生一直流控制电压,该电压经12脚进行同相放大后由14脚输出至IC2的2脚,从而控制IC2的工作与否而达到静噪的目的。
整机调试
发射部分的调试方法:在未通电之前,细查元件是否装错、漏焊、短路。上述均正常的情况下方可通电调试。调整顺序是:振荡倍频,推动功放,最后调话音放大。因本电路设计比较准确,只要元件经过筛选,焊接正确,基本不用大的调整,就能达到指标。接通电源(DC9.6V)同时用电流监测整机电流,一般发射机正常时应在700mA左右,如果电流大于1A,一般是元件击穿或焊接短路造成的,应予以排除。如电流基本正常,将功率计接至天线输出端,然后要仔细耐心反复调整L7,L6,L3,L2,L1使功率计指示≥4W。在调整时用射频感应的方法,将信号送入频率计,微调C46使其输出频率在JT1(10.0917MHz)的三次倍频上(30.275MHz)。话音放大电路,本级一般不用调试,这两级放大器只要静态工作点正常,就可在话筒处送1kHz音频信号,用示波器在C21外测有6V(峰-峰值)即可。附表给出各管工作的电压,因为电路工作在高频状态下,所以测试结果有误差,仅供参考。
b e c
VT1 -1.2 0 9.5V
VT2 -0.3 0 9.5V
VT3 0.4 0 9.5V
VT4 2V 1.8V 5~6V
VT5 0.6V 0 1.4V
VT6 0.6V 0
?1
接收部分调试:调试顺序,先调高放,中放增益,鉴频,再校正本振频率。在未接通电源以前,应检查元件连线,无误后,方可接通电源,用万用表测各晶体管的静态工作电压,然后将扫频仪的输出端连接到天线的输入端,把输入(即探头)接到3357的16脚,然后仔细、反复调整各谐振回路,顺序是先调L13、L11、L12、L10,再调L9、L8(最好用无感起子)。使通道增益在64dB以上,(因电路参数设计比较准确,只要电路焊接无误,元器件筛选正确,通过仔细反复调整都能达到性能指标),然后测本振频率。把频率计接到混频管VT9的源极,使本振频率为JT5(13.658MHz)的三次谐波,如有误差可调整C46使频率准确。然后把音量电位器顺时针方向旋到底(即音量最大)再将静噪电位器旋到某一位置,使噪音消失。用已调好的发射机发射,然后调整L15使接收机输出音量最大,且不失真为止。旋转静噪电位器,使其不静噪,测试整机电流应小于100mA,静噪时应在20mA左右。如偏离正常太多,则机子有故障应予以排除。
元件选择
本机所有电阻均选用RT1/16W,电容选用小型瓷片电容。VT5,VT6可选用普通三极管3DG6。VT3,VT4可选用9013。VT1可选用C2078或 C2075、VT2可选用D467、8050、VT7、VT9可选用3SK74,VT8、VT10、VT11可选用C1907或C9018。VD6为FV1043,所有空心线圈均用直径1mm的导线绕制,空心直径为5mm。L8到L12用5×5中频变压器骨架在中槽绕6圈制成,L15选用TTF-2-1,L13选用电视机10.7伴音中频变压器。
注:请读者在购买及使用无线电对讲机时,严格遵守国家的有关政策和法规,否则后果自负。(荆保成)