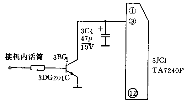
例一:一台长江CL-6728收录机,接通电源后指示灯亮,但收放音均无声。由于指示灯亮,证明电源正常,而收放无声,凭经验可断定问题出在功放电路。查功放块3JC1(TA7240P)的各脚电压,发现③脚电压误差太大(正常为4.5V,实测只有0.3V)。首先怀疑话筒录音静噪三极管3VT1(3DG201C)的 c、e击穿,实查3VT1正常。进一步检查静噪电压的滤波电容3C4(47μ/10V),发现该电容接近击穿,换之,收放音正常。
分析:因TA7240P的第③脚是静噪端(如图),该脚直流电压的高低直接控制左、右声道放大器的工作状态。③脚为低电位(0.2~0.3V)时,静噪电路工作,使左、右声道无输出(机内话筒录音时就是这种工作状态);③脚为高电位时,左、右声道输出正常(收放音时的工作状态)。由于3C4对地接近短路,故③脚电压很低,这时静噪电路始终处于工作状态,功放块的左、右声道无输出而发生本例故障。

例二:燕舞L15428型收录机购买将近一年,收、录、放卡拉OK伴唱各功能都能使用,就是使用时间不能过长,约半小时后嗡声渐增大,直至无法使用,这种现象在夏天犹为突出。根据故障分析,怀疑电源或功放有问题。在出故障时查电源的变压器、整管、滤波电容及各件的温升无异常。查功放块LA4508的各脚电压与电路图标注的电压很接近,用棉球蘸酒精给散热片降温,嗡声明显减小,怀疑LA4508的热稳定性差。正准备焊下LA4508时,发现电容C229(100U/16V)铝壳上塑料套紧靠U型散热片的一边破裂。换一同规格的电容,并用导线将这只电容改接至散热片的外面,连续工作3小时无嗡声出现。
分析:因C229在U形散热片内紧靠散热片,机子开启一段时间后,散热片的温度稳定在最高限度,电容三面受热导致性能变坏,出现嗡声大。(王永喜)