金羚XQB35—18全自动洗衣机是优化以前各种机型程序,在不断地提高洗净率、降低噪音、方便广大用户的基础上研制成功的。
洗衣机实质是实时控制系统。人们可以根据衣物的污浊程度以及质地,提出不同的洗涤时间及洗涤水流强弱的要求,同时也可以提出甩干程序的要求。该电路完全解决了家庭主妇提出的一系列问题,充分地满足了用户各种需求。
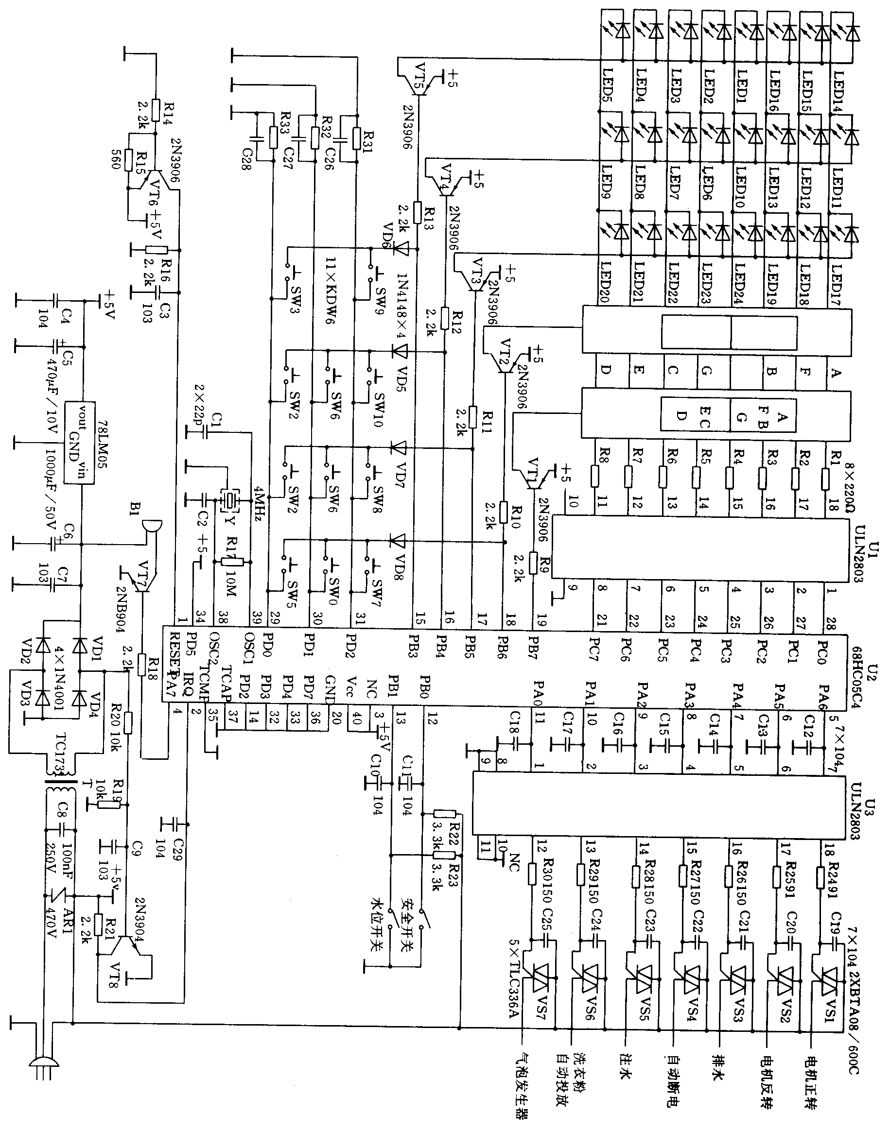
该种型号的洗衣机程序控制的核心是美国摩托罗拉公司生产的微处理器MC68HC05C4及其外围电路,包括显示驱动、按键扫描、交流功率控制,电源以及复位、过零检测等电路。其控制电路如图所示。

MC68HC05C4微处理器40脚扁平封装,它在一块芯片上集成了计算机所具有的逻辑运算单元ALU、4156BROM、176BRAM、控制和定时等逻辑单元,有PA、PB、PC、PD四组端口。PA端口作为交流功率控制的输出口,PC端口为显示输出口,PB端口为输入、输出端口,PD端口为按键操作输入端口。
(1)显示部分。本电路用两位7段显示屏来显示洗衣机工作“剩余时间”及洗衣机故障代码。当显示时,单片机PC端口(即脚为0电平,经驱动电路向7段数码管供电,PB6、PB7输出经两只PNP管反相为两位显示屏各提供相应的共阳极电压。用发光二极管指示所选定的工作状态及运行状态之变化、发光二极管是共阳极连接,通过受控的3只PNP晶体管为发光二极管提供驱动电流和键扫描电压。当显示和按键扫描时,单片机PC端口输出扫描行值(0电平有效),PB3~PB5输出经PNP晶体管反相,为发光二极管提供阳极电压。从而使发光二极管正向导通而显示按键最新选定的工作状态和运行状态的变化。
(2)按键操作。单片机从PD0~PD2读入键值,由于PD0~PD2脚通过电阻接地,当无键按下时,读入的应是“0”电平,若其中有按键时,由于显示位扫描使VD6~VD8轮流导通,因此为由按键的输入线提供了高电平“1”信号,当单片机通过PD口读入“1”后,认为有按键,进行键译码并转入相应的程序。水位开关及安全开关信号是由PB0、PB1口读入的,同时作按键值处理,当水位达到选定的水位时,开关合上,低电平有效,被单片机读入。正常时安全开关合上,即低电平有效,当脱水时,揭盖开关断开,PB0输入“1”电平,将通过调出相应的程序暂停脱水动作,以保安全。脱水时,若内桶碰撞机壳,即不平衡时,也是通过此开关(与前者区别依断开时间的长短而定,前者时间较长,后者时间较短)输入信号给单片机进行两次自动不平衡调整(暂停脱水动作,重新进水到水位,洗衣1分钟,以达到使衣物平衡的目的)、若仍达不到平衡则停止工作,同时蜂鸣报警处理。
(3)操作面板名称及功能。SW0启动/停止按钮。当接通电源开关后,必须按SW0洗衣机方能开始工作。在工作过程中按此键整机停止工作,重新按此键,洗衣机接上述程序继续工作。在洗涤时间内可以任意更改工作参数,若洗涤结束进入漂洗以后的程序,则只有通过按SW0才能改变工作参数。
SW1,调出标准程序,LED20亮。
SW2,调出牛仔程序,LED21亮。
SW3,调出轻柔程序,LED22亮。
SW4,调出羊毛程序,LED23亮。
SW5,调出快速程序,LED24亮。
SW6脱水时间选择键,有3种时间选择:5分钟时LED17亮,3分钟时LED18亮,40秒时LED19亮。
SW7漂洗方式选择键,有4种组合:LED14、LED15亮,两次溢水漂洗(当水位达到时开始漂洗,但仍进水,适合加洗涤剂较多、衣物多的漂洗方式)。LED14、LED16亮,一次溢水漂洗。LED15亮,两次存水漂洗(当水位达到时开始漂洗,但停止进水)。LED16亮,一次存水漂洗。
SW8洗涤时间选择键,LED10-LED13亮有4种时间选择:12分、9分、6分、3分。
SW9水流选择键,LED6一LED9亮有标准、牛仔、轻柔、羊毛4种选择。
SW10洗衣粉选择键,LED1-LED5亮,有极少、少、中、多、极多5种选择。
(4)交流功率控制。交流功率控制信号从单片机PA端口输出经驱动电路ULN2803作为可控硅的控制信号,通过控制可控硅导通来完成一系列交流功率动作。⑤脚、⑥脚分别控制电动机正转、反转。⑨脚控制进水阀动作。整个洗衣过程结束,或上电无任何选定的操作,或故障报警两小时后⑧脚有输出可控硅VS4导通电磁阀动作,洗衣机自动断电。国内首创洗衣粉注入机。单片机⑩脚输出作为洗衣粉的控制信号,它是通过可控硅导通时间即同步电机运行时间来控制洗衣粉量,它将根据您对衣物量的多少及污浊程度的选择,而选择适量的洗衣粉自动投放,达到既不浪费洗衣粉又能充分洗净衣物的目的,同时可避免人体与碱性洗衣粉直接接触。装备超声气泡发生器,单片机脚输出使气泡发生器在洗衣过程中一分钟动作,一分钟停止交替进行,这将使洗净率提高50%,磨损率下降40%。采用高科技静噪排水设计,单片机⑦脚输出控制牵引器电动机拖动排水系统,克服了以往交、直流电磁铁排水时金属碰击的噪音,即使在夜间洗衣也不致影响人安睡。
(5)电源电路。采用桥式整流、三端稳压集成电路输出+5V提供微电脑各种电源。压敏电阻的作用是抑制瞬时高电压、提高电脑程控器抗干扰性能。
(6)过零检测:通过变压器输出的经全波整流的电压作为过零检测信号,当输入电压大于0.7V时三极管VT8导通,而使单片机的IRQ端为低电平“0”,一旦输入电压低于0.7V时,则会使VT8截止,而IRQ为高电平“1”,即IRQ有效,产生中断信号,这样可使单片机产生真正的过零检测中断。
(7)复位:接通电源时,通过①脚使单片机复位,将内部寄存器清零,各标志置初始状态而自动复位。
(8)蜂鸣器报警电路:PA7的输出经NPN三极管放大驱动蜂鸣器鸣响,用来提示操作及故障报警。石英晶振提供4MHz的时钟信号。
总之,目前市面上推出洗衣机品种繁多,从发展趋势看,电脑控制的洗衣机占绝对优势,而在原理上大同小异,只是功能上稍有差异。(艾晓晓)