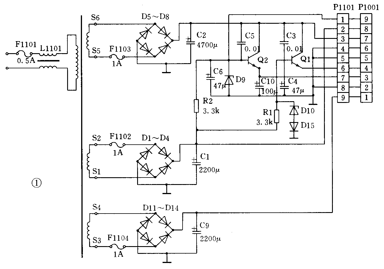
松下NV-PD92放像机使用的电源一改新型录、放像机普遍采用开关型稳压电源的方式,而是使用了早期机型的串联型稳压电源。从维修的角度出发,这种电源的故障比较容易检查和维修。由于缺乏此类机型的详细电路资料,笔者根据实际电路板将电源电路绘出(见图1),从图中可以看出PD92放像机的电源电路较为简单,它的电源变压器有3组输出:S3、S4绕组交流输出经D11~D14桥式整流和C9滤波为机器提供约20V不稳压电源稳出;S5、S6绕组经D5~D8整流和C2滤波提供约9V不稳压输出,此路输出同时还通过稳压管Q1提供非开关5V稳压电源,通过稳压管Q2提供受电源开关控制的5V稳压电源。微处理器IC6001(MN67434VRSA)的3输出的电源开关信号通过QR1001反相后从P1101的①脚加至Q2的基极以控制Q2的输出;绕组S1、S2经D1~D4整流C1滤波为机器提供另一种约20V不稳压输出,并经R1、R2为Q1、Q2提供基极偏置电压。下表为笔者实测电源接插件P1001各引脚正常电压值及对地电阻值,供检修时参考。

电压单位:V;电阻单位:kΩ
引脚 ① ② ③ ④ ⑤ ⑥ ⑦ ⑧ ⑨
电压 22 0 5 5.1 0 0 9.2 22 5.8
对地 正测 5.8 0 4.8 6.4 0 0 5 7.2 6.6
电阻 负测 6.8 0 6.4 1.4 0 0 380 7.2 6.9
PD92放像机的电源电路虽然简单,但从电路中可以看出,电源部分向机器提供的输出除两路5V为稳压电源外,其余三路均为不稳压输出,显然,对于录、放像机来说是不符合要求的。实际上在PD92放像机的主电路中还设置了一些稳压电路来对不稳压输出进行稳压处理,它们也是电源电路的一部分,在检修时务必不能忽略。在主电路板上P1001①脚输出的不稳压20V在驱动电路板经Q3201稳压为9V,P1001⑦脚输出的不稳压9V在主电路板经Q3和Q4稳压分别输出两路稳压5V,P1001⑧脚输出的不稳压20V在主电路板经Q1001稳压输出12V,在驱动电路板经Q5稳压输出12V。这5只起稳压作用的晶体管除主电路板上的Q3(2SD1996)外,其余4只均为2SD1273,其主要参数为:80V;3A;40W,当其损坏更换时应予注意,这几只晶体管在电路板上的位置见图2。

PD92放像机的电源系统比较分散,维修资料也较缺乏,因此甚至有些一般性故障若对电路不熟悉也容易走弯路,笔者现举两例较为常见的故障以供参考。
例1 故障现象:接通电源,STANDBY指示灯亮,按动OPERATE(操作)开关,OPERATE指示灯始终不亮。
检修:将磁带置入带仓,机器也无装载反应(注意:PD92放像机的磁带置入检测使用的是光电检测,当打开机盖进行操作时若环境光较强,机器也不会动作,应减弱外界光的影响),由此怀疑为电源电路或系统控制部分故障,测量P1001各脚电压,③脚始终无电压。⑨脚电压极低并不随电源开关而变化,其余各脚电压值正常,测微处理器IC60013电源开关电压,在按动电源开关时始终为2V左右,毫无变化,显然不正常。利用示波器测量IC600145时钟信号,无信号波形,至此说明微处理器不工作,进一步测量IC6001脚供电电压,该电压也仅为2.2V左右,可以看出微处理器不工作是由于供电电压不正常而造成的。在PD92放像机中IC6001所需要的5V电源并不是由P1001④脚输出的非开关5V直接提供,而是取自P1001⑦脚的非稳压9V输出,但这中间串接了一只稳压管(即主电路板上的Q3)。测量Q3各极电压,其基极、集电极电压正常,而发射极电压仅为2.3V,卸下该管测量,确认该管已损坏,更换Q3后机器工作正常。
例2 故障现象:机器运转正常,但监示器无图像,也无雪花点。
检修:这种故障现象应为视频通道出了问题,利用示波器监测YC组件板在主电路板上的PP3001①脚视频输出信号,无视频信号输出,改测磁头放大器FM调频输出信号(主电路板P3011⑤脚),也无波形,怀疑故障出在磁头放大器,测量P3011各脚电压,发现其⑦脚供电电压明显偏高,正常值应为5V,而实测值近8V,磁头放大器的5V供电电压由P1001③脚引入,该电压由电源电路中的Q2提供,测量Q2各极电压,发现其基极电压也明显偏高,Q2的基极电压值是由稳压二极管D9的稳压值决定的,怀疑该二极管稳压特性改变,改换一稳压值为5.6V的稳压二极管,再测量上述电压均与标准值相符,播放磁带,声、像正常。(郭一仁)