大家知道,要想扬声器系统能播放足够的低音,主要有两个途径,一是从扬声器角度考虑,选择那种具有足够低频下限的扬声器,最简单的办法是增大扬声器口径;一是从音箱角度考虑,最简单、最直接的办法是增大箱体容积。能不能在有限的箱体容积内,在不增大扬声器口径的情况下,使扬声器系统能够重放足够丰满的低音呢?下面就介绍一种多声室背向反射式音箱。它打破了一般音箱容积和扬声器口径的局限,能够超乎寻常地重放足够的低音。
一、多声室的设计
普通音箱只设一个振动声室,供低音扬声器进行一次谐振。倒相音箱利用了扬声器背向声压,经倒相孔倒相后应与扬声器前向辐射声波同相叠加,增强了整个系统的低频效果。本设计在普通音箱体内设有A、B、C三声室(见图①),扬声器前、后向声能得到更加充分的利用。当扬声器接收信号而发生振动时,前向声波经B室进行一次谐振,并通过B室倒相管倒相后向前辐射,似一个普通倒相音箱。而背向声波首先在A室进行第一级谐振,经中间倒相管进入C室进行第二次谐振。根据亥姆霍兹谐振原理,在谐振频率上的振动得到加强,使C室具有较A室更低的谐振频率的声波。经C室倒相孔辐射出的声波频率,超过了扬声器本身的重放低频频率,从而展宽了扬声器系统的低频频带。系统中,中音频主要来自B室,与高音频一样向前辐射;低音频则来自C声室的第二次谐振声波,通过背向辐射而出。

二、背向反射作用
本设计将倒相管开口置于音箱体的背面,就是为了利用室内墙壁的反射作用,从而增强低频效果(见图②)。只要调整音箱与墙壁之间的距离,形成足够的反射作用,本来指向性较弱的低音,将因声波反射的作用更加均匀地扩散在整个空间,低频效果得到进一步加强,远远超过了扬声器本身的低频特性。

三、制作
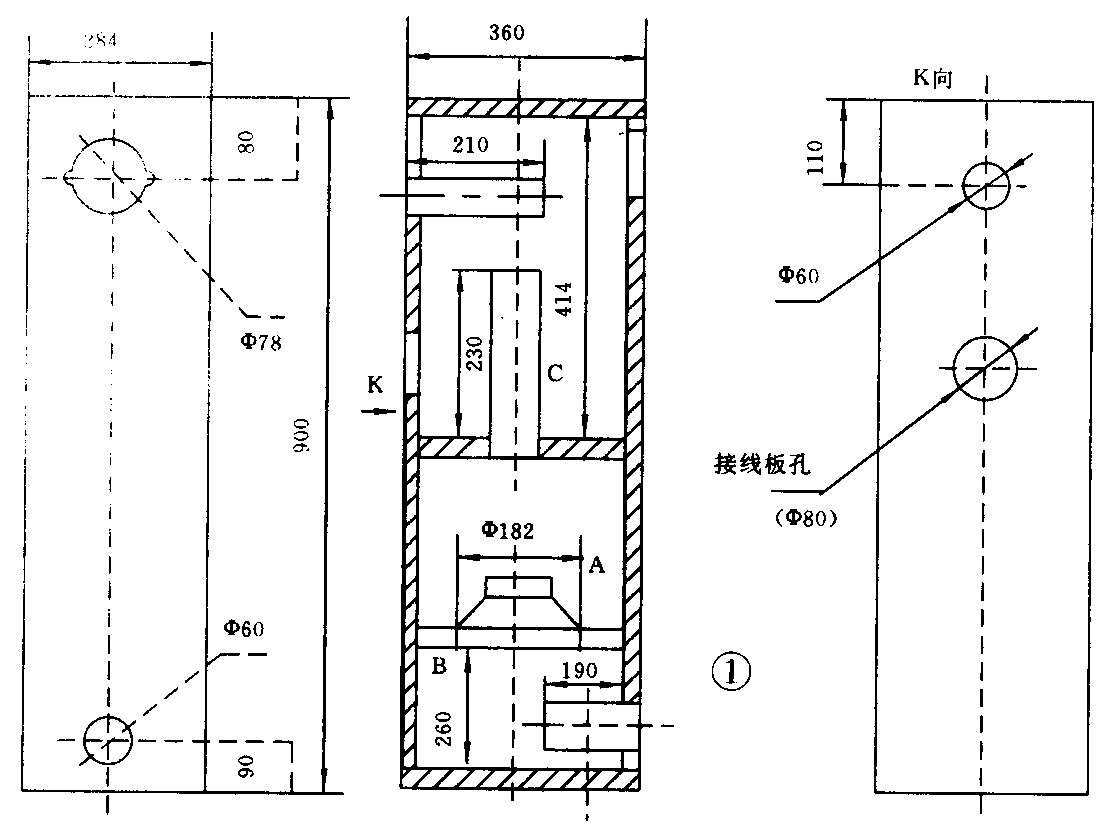
扬声器单元选音色亮丽的Hi-Vi-SS1作高音,选动态性能好的Hi-Vi-S8-Plus作低音,其低频重放下限本身就达27Hz。箱体用18mm中密度纤维板,1220×2440mm规格的正好一张。安装位置及结构尺寸如图(1),其中A室顶面、B室底面、C室顶面附适量吸音棉。
分频网络采用12dB/oct、6dB降落点交叉的L-C滤波回路,如图(3)所示,分频点为4000Hz。注意将高音扬声器反相联接。其中L1为0.37mH,L2为0.21mH,C1为7.4μF,C2为4.26μF。

四、调试与试听
调试时,只需调整B、C室的倒相管的伸进长度,以获得良好的低频瞬间性能。注意先调B室管,再调C室管。
试听时,播放有代表性音乐,高音清脆细腻,中音明亮劲力,低音则沉稳雄厚,连绵不绝。特别是管风琴的气氛烘托,大有身临其境之感,难以相信是由一只8英寸扬声器发出的。有兴趣的朋友不妨试试。(冯建)