随着音频信号数字化处理技术的日益发展,卡拉OK领域内的音频处理也得到了长足的进步,日本三菱电机最新推出的一套数字延迟回声混响变调系统,由单片话筒延迟回声电路M65839SP和单片数字音调控制电路M65840SP,配套的M34225M2单片机电路及遥控电路M50560组成,具有很高的性价比,全部的功能操作及模拟量均可实现遥控,可以极方便地应用于卡拉OK装置、电视机、录像机、影碟机、盒式收录机和迷你型立体声装置。因为采用全遥控操作,也可以很方便地用来改造原有陈旧的卡拉OK系统,而无需考虑各种机型的面板问题,使之具有数字延迟、混响、变调、消主声及歌声替换等先进功能。
M65839SP是一片高性能的数字回声电路,集成了过去需外接的一些电路如话筒放大、话筒音量控制(ALC)和回声音量控制。话筒音量和回声音量可通过直流电平或串行总线控制(遥控方式)。M65839SP用16KRAM于数字回声处理,另有内置的ALC(自动电平控制)功能抑制了大信号通过话筒时失真的产生,电路在单电源5V下工作。
M65840SP是数字音调控制器,用来控制音乐的音调而不改变音质,它集成了过去通常外接的存储器和用于A/D转换的高精度比较器,允许±20级范围内的单片音调控制(1级相当于一个半音音阶),音调控制通过串行总线实现,电路在单电源5V下工作。
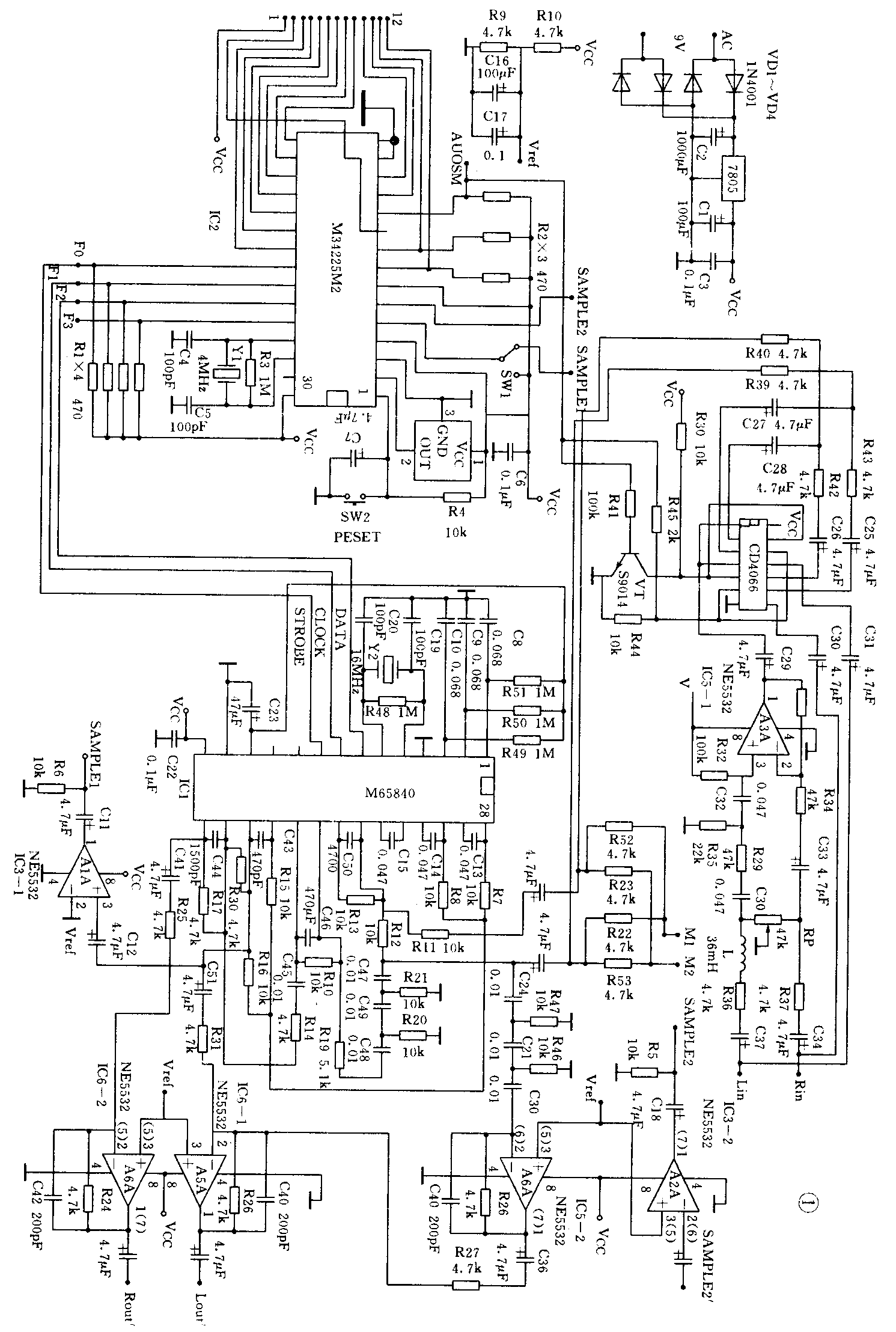
本文介绍的卡拉OK系统由四个部分组成:单片机控制及数字变调部分、数字延迟回声混响、显示及键盘控制板、遥控手机部分,分别如图1、2、3、4所示。图1中的IC1为变调处理电路,由IC2(M34225)单片机电路通过串行总线来控制其工作。JC2为一专用的单片机电路,可对两路话筒音量、回声音量、升降调进行共计19项功能的全遥控操作。IC3-1(NE5532N)为变调信号取样放大器,IC3-2为话筒取样信号放大器,设置这两个放大器的目的是实现以下的功能:①音调自动回零功能 (IC-1),当单片机第5脚的SW1开关接到SAMPLE1端时,则在音乐消失5秒钟后,音调将自动回到F0,当选择开关接正电源时,无此功能。②歌声自动替换功能(IC3-2),当按下歌声替换键时,当有声音传入话筒时则原唱歌声自动进入消除状态,而以演唱者歌声为主,一旦歌手不演唱,则自动转为原唱。IC4为电子模拟开关,用于选择音乐信号和话筒信号是否通过变调器。IC5-l为消主声电路,该电路设计时采用LC滤出中频信号后再与原信号中的中频(歌声)成分相抵消,效果相当好,几乎可将原歌声彻底消除,而音乐信号损失很少,且不会产生明显的移相现象、IC5-2是高通滤波器,用以提取引音乐中的高频部分。IC6是线路输出放大器。

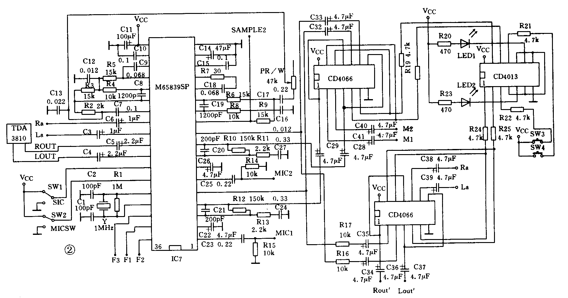
图2是以M65839SP为核心的数字延迟回声混响系统,其晶体的振荡频率为1MHz,选用较低的振荡频率有助于降低振荡器的高次谐波对线路板的模拟部分的辐射和干扰,有利于信噪比的提高和降低互调失真,使处理后的信号最大限度地忠于原信号,其内部包括两个独立的话筒放大器,电子音量控制,低噪声低失真数字延迟回声电路,回声音量控制,线路混合放大器,其主要的性能指标如下:

话筒放大器:失真度0.08%.ALC的上升时间为40ms,恢复时间为1s,信噪比90dB。
话筒、回声音量控制器:失真度0.02%,信噪比为90dB。
回声部分:延迟时间13lms可调,失真度l.5%,信噪比90dB。
线路混合部分:电压增益0dB,失真度0.02%,信噪比92.5dB。
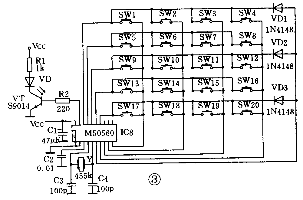
M65839输出的音乐信号也可以通过由TDA3810电路组成的环绕声处理模块,由前后四路放音系统放音,经过这样的处理后,实际的音场会相当开阔,听音氛围相当的好。IC9为话筒信号的回声或变调的选择、IC10为音乐信号的回声或变调的选择,ICll为相应的控制电路。这样,话筒信号和音乐信号就可以组成四路处理方式。图3为遥控器的手机电路图,采用配套的M50560电路。图4为显示及键盘控制板,显示参数有变调显示、当前音调设置显示、音量遥控显示。(张国鹏)

