中学生在八、九年级电子实验这门选修课上要做无稳态电路的实验,为了让同学们对此实验有兴趣,教师可进一步辅导学生做些小制作。
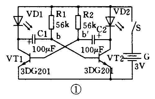
无稳态电路见图1。接通电源后,两个三极管会自动地轮流导通和截止,如VT2导通,VT1截止,发光二极管VD2点亮,同时C2通过 R2、VT2的C、E极放电,C1通过VD1、VT2的B、E极充电,这样b’端电压升高,b端电压降低。过一段时间,则VT1导通,VT2截止,发光二极管VD1点亮,VT1导通后又重复上述过程。于是发光二极管VD1、VD2就一亮一灭(如果电路对称,即R1=R2、C1=C2、βl=β2,则发光二极管亮灭的时间相等)。针对这样一个有动感的电路,我们可以发挥学生的想象能力,指导学生做一些玩具小动物。如买一个长毛绒小猫,把电路和电池装进它的肚子里。在小猫的两个眼睛内装上发光二极管,就使这个小猫更加活泼可爱。其开关的安装应充分发挥学生的主观能动性,使它既有开关的功能又起装饰的效果,各人可以有各人的特色。例如在开关处引出两条电线,拉出外面,用彩色的丝带裹住两条电线做一个猫圈,用一个衣服上用的金属子母扣,掰开两半后分别焊在电线的两头作为开关。把两半子母扣合上,开关闭合,猫眼珠闪亮;拉开子母扣,开关断开,猫眼不亮。除此之外还可以请学生自己动手在纸上画一个图案,如今年是猪年可画个小猪,贴在三夹板或有机玻璃板上,在猪眼中开两个小孔,放上两个发光二极管,电池和线路板装在适当的位置,见图2。通过以上的制作一定会大大地提高学生的兴趣。


在这个电路的基础上,如果把VD1、VD2换成两种颜色的发光二极管,就可组成一个双色互换的闪光的电子胸花电路。
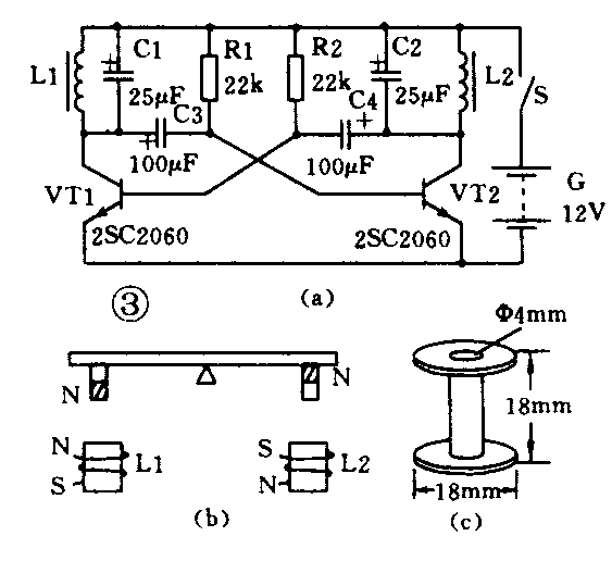
把电路中的两个发光二极管换成两个电感线圈,L1、L2,见图3(a),这样就能组成一个电子翘翘板的电路。当VT1导通时,VT2截止。线圈L1中有电流通过,适当选择L1的端子使它与VT1集电极相连后,线圈上端产生磁北极(N),如图3(b)所示。这个磁北极与翘翘板左边永磁铁下端的磁北极互助推斥,翘翘板左边升高,右边降低。过了一段时间后,电路自动翻转,VT2导通,VT1截止,线圈L2中有电流通过,适当选择L2的端子使它与VT2集电极相连后,L2线圈的上端产生磁南极(S),这个磁南极与翘翘板右边永磁铁下端的磁南极互相推斥,翘翘板右边升高,左边下降。这样,翘翘板就不停地摆动起来。电感线圈L1、L2可用厚1毫米的硬纸按图3(c)做一个骨架,用直径0.12毫米的漆包线绕3000匝。为了增强线圈通电后的磁力,在线圈的中间插入一段长18毫米、直径4毫米的铁棒。也可以用工作电压为直流12V的继电器中的带铁芯的线圈来代替L1、L2。由于L1、L2通电时的磁力不大,因此翘翘板要尽量轻,两端重量要基本相等。这个电子玩具,实际上是一个名副其实的无稳态振荡器的演示器。通过制作,让学生体会、解释为什么改变C1、C2大小,翘翘板上下摆动的速度会随着改变,使制作向纵深发展。

适合改变元件的参数,就可组成无稳态音频振荡器。图4是一个蜂呜警报器电路。VT1、VT2、C1、C2等元器件组成无稳态音频振荡器,在VT2的集电极以阻抗为8Ω的扬声器为负载,并串一只发光二极管,将所振荡的可听频率信号由扬声器直接输出,获得蜂鸣器的效果,同时发光二极管可持续发出红光显示报警。

图5是一种能发出模拟巡逻车警报声响的电路。电路由两大部分组成,VT1、VT2及有关元件组成锯齿波发生器。由VT2发射极输出低频电压,其波形近似三角波,VT3、VT4及有关元件组成无稳态音频振荡器,由VT4发射极输出音频电流,经VT5放大使扬声器发出音响。VT3、VT4组成的无稳态电路的振荡频率是随基极电压的高低而变化的,这个电压又决定于VT2输出的锯齿波电压,所以本电路能发出模拟警报声。

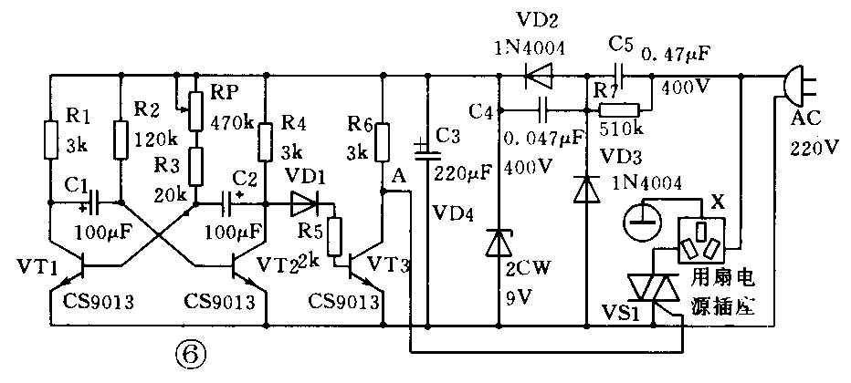
图6是电风扇自然风模拟控制电路。它包括由VT1、VT2等组成的无稳态电路,VT3等组成的触发器及电源三部分。无稳态电路接上电源后,两个管子会交替截止或导通,当VT2导通、VT3截止时,A点电压约为9V,由此触发可控硅VS1导通,接通220V交流电源,使电风扇起动工作;当VT2截止时,VT3导通,A点电压接近0V,便可控硅VS1关闭而风扇停转。调整RP的阻值,可有效地控制风扇开、关的时间(RP阻值增大,风扇转动的时间长,停转的时间短),达到电风扇吹出模拟自然风的效果。通过该制作,能让学生进一步了解无稳态电路的工作原理,使制作更富有创造性。

鉴于上述原理,用无稳电路还能制成很多小制作。教师在指导学生制作过程中应充分激发学生的学习热情,发展学生的智力与动手能力。(周富发)