电路原理
康佳2910N是深圳康佳电子公司1994年春节后推出的第二代彩霸中又一新款大屏幕彩色电视机,具有丽音接收系统,除接收一路普通FM伴音外,还能接收两路高质量的数字伴音,目前香港四个电视台每天均有大量立体声或多声道节目播出,因此一上市即受到广大消费者欢迎,下面介绍丽音接收电路原理及维修要点。
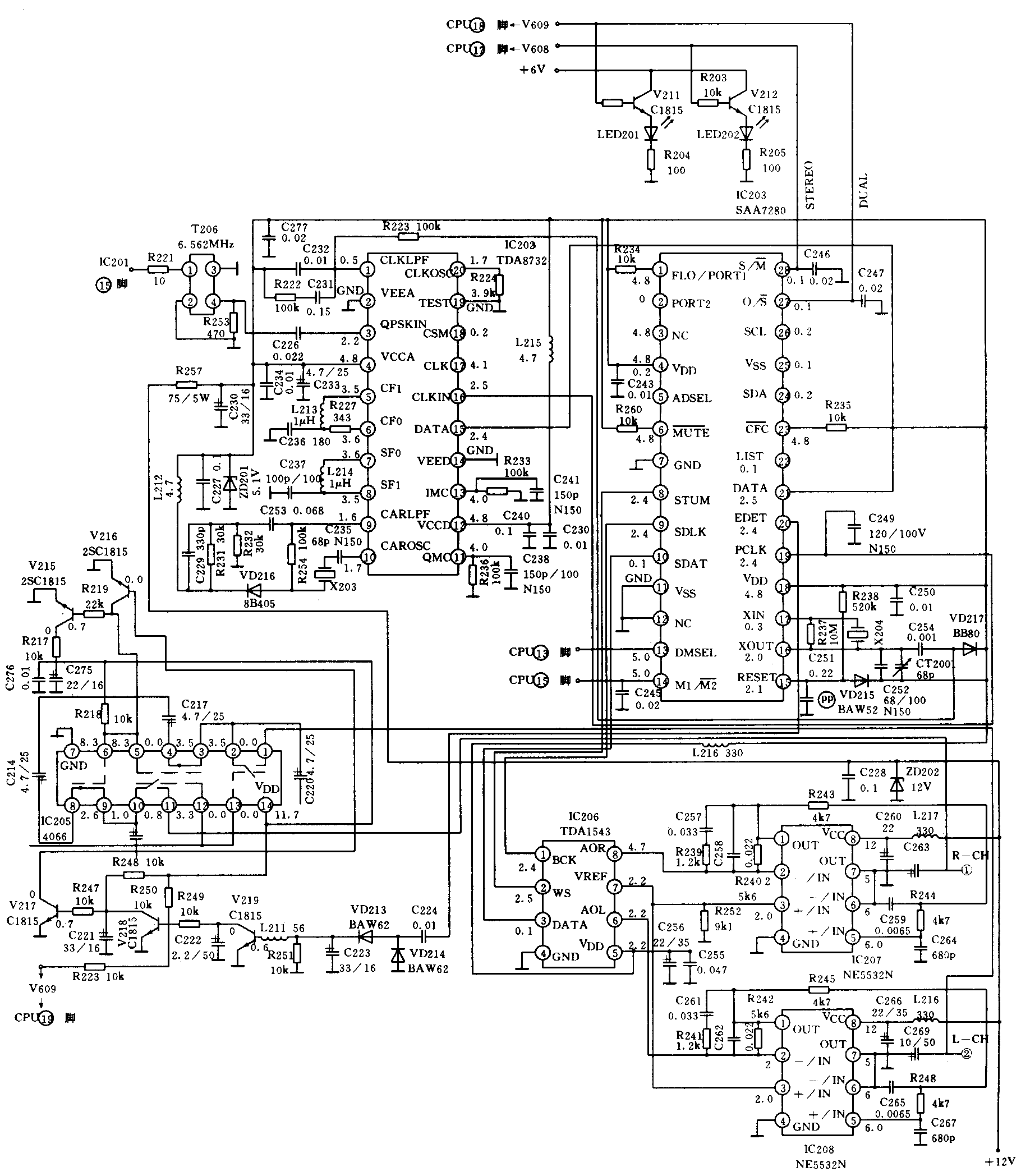
丽音信号通道:(有关电路见附图)从IC201(TDA3857)之15脚输出的(经QSS准分离声音解调的)丽音信号,经T206 6.652的数字中间声载波滤波器,进入IC202(TDA8732)之3脚限幅放大,在正交同步解调器中与基准余弦波正弦波相乘,其乘积分别由6脚、7脚输出,经外接LC电路C236、L213及C237、L214滤去载频和高次谐波,再从5脚和8脚送回IC202内部,在比特流解码电路中把相位变化转换成串行比特流后由15脚输出,到IC203(SAA7280)21脚进行3倍过取样。取样频率由原32kHz扩展为96kHz,经三倍过取样的声数据流由10脚输出。另外,告诉D/A变换器帧结构方式的“声选择字”信号由8脚输出,数字时钟信号则由9脚输出,上述3路信号输入到D/A变换器IC206(TDA1543)的3脚、2脚、1脚,进行D/A转换,从6脚、8脚分别输出左右声道的模拟信号,由于NICAM信号在编码时对高音进行了预加重,因此,从IC206之6、8脚输出的模拟信号必须送到IC207、IC208(NE553)之2脚进行去加重、低通滤波、预放大音频处理(与CD机相似),R239(R241)、C257(C261)、C258(C262)组成去加重电路,R243(R245)、R244(R246)及C264(C267)组成15kHz低通滤波器,最后,模拟信号从7脚输出,在IC205(CD4066)中与FM解调伴音进行一些切换,再输出到功放。

下面再分析一下外围电路,SAA7280之17脚接17.742MHz的比特时钟基准频率晶振,在IC内部经24分频后得到丽音解码所输出的728kHz基准比特时钟信号,此时钟信号由19脚送至TDA8732的16脚,在其内部与接收信号比特时钟相比较,得到的相位误差信号由l脚输出,送到变容二极管VD217,构成一个锁相环路,以保证728kHz信号的准确度,TDA8732之10脚外接13。104MHz晶振经二分频后得到6.552MHz的丽音信号载波频率,而相位误差信号从9脚输出,通过控制变容二极管VD216,构成另一个锁相环路保证载波频率的准确度,SAA7280之10脚是误码检测输出端,如果一帧内出错数据超过7个(反映在声音上则是声音很杂或未收到丽音节目时),则20脚输出高频噪波信号,经VD213、VD214、C223整流滤波后输出高电平,控制V219、V218、V217、V609到达CPU(MN15828)之19脚,使丽音键不起作用,SAA7280之27脚、28脚分别是多声道、立体声识别输出端,当接收到多声道(DUAL)或立体声(STERO)信号时分别输出高电平,点亮DUAL灯或STEREO灯,并分别经V608、V609到达CPU之18脚、17脚,使CPU识别出收到的信号是多声道信号还是立体声信号,而13脚则是单双声道模式选择端,使CPU可以通过13脚、14脚输出高低电平4种状态的选择输出,控制SAA7280的声道输出,数据关系如表1所示。
表1
13 14 数据显示
低 低 DUAL2
低 高 DUAL1
高 低 DUAL
高 高 STEREO或FM
电源部分:NICAM解码电路的各电源均由XS203之9脚提供,由ZD202稳压至12V,再经R257降压,ZD201稳压至l.5V,再分别送至SAA7280的4脚、18脚及TDA8732的4脚、12脚,此部分的供电与其他各部分电源相对独立。因此,若此部分电源有故障,对FM伴音的接收并无影响。
维修要点
检修步骤:当接收丽音节目时,丽音键不起作用,可根据STEREO灯或DUAL灯是否亮来区分维修重点。
当灯不亮时,可能是此部分电源不正常或未识别到丽音信号,首先检查IC202,IC203两片IC的各电源脚是否正常(+5V),正常时再检查两个晶振是否起振,若起振就应检查丽音信号通道。
灯亮时,则表示丽音解码及前级已正常工作,可检查IC203之20脚是否高电平,若高电平则表示丽音解码错误数据太多,应重点检查6.552载波是否正常。
实例1:丽音键无作用,灯不亮。
检查各电源脚电压正常,用频率计接于SAA7280之19脚,无频率显示,表示X203(17.472)晶振未起振,更换X204后有频率显示,在无信号状态下调CT201,使频率准确到728,000Hz,但丽音键仍无作用,这时,用示波器接于TDA8732之9脚,发现有远大于10mV噪波,表示X203未起振,更换X203后,仍相同,更换TDA8732发现9脚波形有10mV左右,表示X203已起振,这时按丽音键,有作用,一切正常。
实例2:丽音键无作用,灯亮。
测量SAA7280之20脚电压,低电平(0.1V)表示丽音接收部分一切正常,应是此脚与CPU之19脚之间电路有问题,使CPU未识别到NICAM信号,从而丽音键不起作用,经查,发现V219的。c、e极短路,更换后一切正常。
维修经验表明,两个晶振X203、X204是最容易坏的元件,大家可依照例1的方法判别。另外,也可根据图纸所给各脚电压是否正常来判断IC各脚外接零件及IC是否正常,注意,图纸上所给电压是在接收非NICAM信号时的电压,有些管脚的电压在接收NICAM信号时会有所变化,另外,有些管脚电压值标错了,现将正确电压值全部列出(见表2、表3)以供大家参考。(许耿)
表2 IC(TDA8732)
有 2.4V 2.1V稳 0.2V
无 3.9V 1.2~2.1V不稳 0.2V
表3 IC203(SAA7280)
10 15 16 17 20
有 2.4V 4.7V 2.6V 1.8V 0.1V
无 0.1V 4.7V 2.6V 2.0V 2.1V