本文向读者介绍一种成本低廉、行之有效的“多用途电磁录音头”。该录音头配合普通录音机,可将电话的通话或电视机伴音的内容录制下来。工作时只需将录音头靠近电话机的扬声器或电视机的扬声器即可。由于工作时与放音线路不直接联接,使用非常方便。
图1为电磁录音头的外形。从图中可以看出电磁录音头主要是由一个电磁线圈构成。为使用方便,在线圈的外壳上装有一个吸附力很强的塑头。

录音时,可将录音头吸附在电话机扬声器或听筒附近,如图2所示。

扬声器发声时,附近的空间将有微弱的磁场变化,使录音头线圈感应出电动势。线圈引线接有插头,可直接插入录音机话筒(MIC)插座上进行录音。
从图2中可以看出,本品也可以用于由于电池供电的小型收录、放音机等的转录工作,声音清晰,不受外界噪音干扰。经实验,不宜用在由交流供电的收录音机上进行转录,否则会有较强的交流电磁干扰。
录音头的线圈用Φ0.15mm漆包线在Φ5的软铁棒或磁芯上绕800匝左右,线圈的引线固定在骨架上,用屏蔽线引出即可。
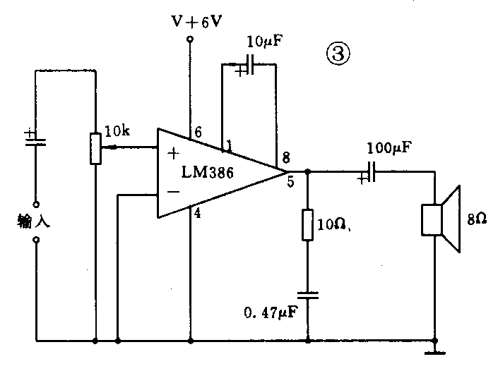
如果你使用的电话机自身没有扬声器放音时,可以按图3所示的电路接成音频放大器。通话时需将录音头吸附在听筒上,将插头接入大器输入端,可将声音放大供多人同时收听。(张军)
