排电阻是一种集多只电阻于一体的电阻器件。这些电阻具有一个公共端,并在其外表上对应于公共端引脚上方,标注有“●”域“记号,以区别于其它引脚(如图1(a)所示)。排电阻电路如图1(b)所示。由于制造工艺等原因,有些市售的排电阻质量不好,例如:出现标记位置标错(标在离开公共端的另一端);引脚与电阻间开路;相邻二引脚短路(如图2所示);阻值误差较大等。为了确保排电阻的质量可靠,在应用前,须进行测试。


一、测试方法
(1)单电阻测试法:一个独立电阻有2根引线,可用万用表的2根表棒接触其二引线,以测出电阻值。对排电阻也一样,用一根表棒接触其公共端引脚,另一根表棒分别接触其余引脚,也可测出各个电阻值来。把这些电阻值与标称值比较、分析,从而确定其好坏。因为在测试中每次只测出一个电阻值,故称为单电阻测试法,用R单来表示。但是,在一些情况下(排电阻存在问题),也可能造成判断失误,把坏品当成好品。例如在图2中,引脚1对引脚0的电阻为R1;而引脚2对引脚0的电阻为R2。但是由于引脚2与1发生短路,且引脚2与R2呈开路状态,所以对R2测出来的电阻是R1而不是R2,而R2就根本无法测出。当采用单电阻测试法时,无疑地会把R1值当作R2值用,这种现象在双电阻测试法中则可以被检测出来。
(2)双电阻测试法:其方法是用万用表棒依次测出排电阻相邻引脚间两电阻之和。因为在一次测试中读数为两电阻和,称为双电阻测试法,用R双表示。例如,用一表棒接触引脚0,另一表棒接触相邻的引脚1,则测出电阻为R01=R0+R1=R1(因引脚0本身电阻为零);引脚1与引脚2间的电阻为R12=R1+R2=2R1……。这些电阻值除R01=R1外,其余电阻R12、R23等,等于2R1。根据这些电阻的值可判断排电阻质量好坏。例如,由图2显见,由于引脚1与2短路,测出来的R12必为0,由R12=0可判断排电阻质量不好,不宜应用。
二、测试线路原理
由于排电阻体积小、引脚小,引脚间距近,且万用表棒测试头较粗,若用2表棒接触排电阻两相邻引脚来测出R双是很难的,操作不便,测试人员也很累。为了改善测试条件,提高测试速度和效率,准确方便地进行测试,笔者采用了几件市场上很易购到的普通元器件,制成了简易排电阻测试器,操作十分方便,仅仅通过改变转换开关S的档位就可以实现对R双的测试,还可以通过对微动开关SB的操作,进行R双和R单的转换测试,即在测试R双的时候,只要按动一下SB电键,就可相应读出R单来。本测试器特别适用于排电阻批量测试。
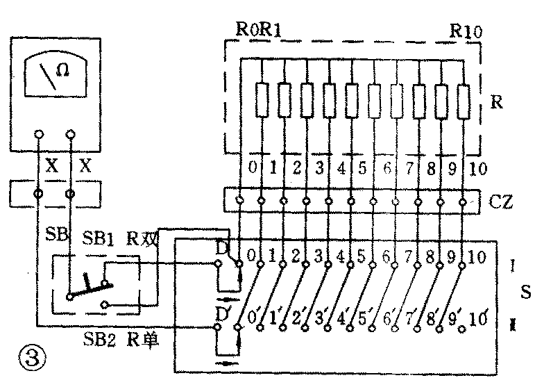
测试线路原理如图3所示。它由排电阻插座CZ、双层多档位单刀转换开关S、微动开关SB、接线柱X和X'、测试用万用表等构成。由图3显见,插座CZ通过引线与转换开关S的Ⅰ层的固定触点0—10对应接通;而2根万用表棒通过接线柱X和X'及引线接到转换开关S的Ⅰ层动触点(刀片)D和Ⅱ层动点D'。通过转换开关档位的改变,Ⅰ层动触点D可以分别与0~10号触点接通,即马排电阻插座CZ的0—10号引脚接通;Ⅱ层动触点D'可以分别与0'—10'触点接通,再通过引线与Ⅰ层的(n+1)触点接通(n=0……9)。可见,转换开关处于任何档位,Ⅱ层动触点D'所接通的CZ插座孔号(排电阻引脚号)总比Ⅰ层动触点D所接通的CZ插座孔号(排电阻引脚号)超前一位。所以D和D'所接通的CZ插座孔引脚是相邻2个引脚。故万用表测出的电阻为两相邻电阻值之和,即R双。

引入微动开关SB的目的是,不论转换开关S处于何档位,测试方法都可以随时互相转换。由图3知,微动开关SB具有一个公共端、一个常闭触点SB1和一个常开触点SB2。当未按下SB时,公共端与触点SB1总是闭合的,用于进行R双测试;当按下SB时(不松手),公共端与触点SB1脱开(也与1层的动触点D脱开),与触点SB2接通。而SB2仅通过Ⅰ层的固定触点0与插在CZ座孔的排电阻引脚0接通,与Ⅰ层其它触点无关。另一表棒接通情况不因按下SB按键而变。所以SB的作用就是改变一根表棒的接触位置,使其与排电阻公共端接通,从而达到测试单个电阻的目的。
三、使用方法
图4所示为排电阻测试器的面板布置图。测试器的使用方法如下:1.根据待测排电阻的标称值和所采用的测试方法(R双或R单),恰当地调整万用表电阻档位。注意,调整电阻档时,应考虑R双=2R单。2.将排电阻插入CZ插座孔中,使排电阻的标记与CZ插座孔0对准。3.依次逐档改变转换开关S的档位,同时读出对应于该档位的电阻之和(R双)。4.若要读出对应于该档位的R单阻值,可按下SB电键不松手,即可读出R单阻值。

说明一下,当转换开关S处于(0—0')时,读出的电阻R双= R01=R1,这不是错,因为公共端本身的电阻为零。此时若按下SB,读得R单亦为R1值,说明此时0引脚上方的标记是正确的,否则测出的数值为2R1,说明标记标错了,要把排电阻从CZ插座中取出,换另一端再插入CZ插座孔中进行测试,其阻值应为R1。
四、元件选择
1.排电阻插座CZ的选择:选择时应考虑CZ的插孔数必须满足待测排电阻引脚数(即等于或大于),若考虑将来需要测试更多引脚的排电阻,尽量选插孔多一些的CZ插座。可采用集成电路用的弹簧插座,例如具有2排的24孔的弹簧插座。可用锯条沿中间分割为两半,取用其中之一半(12孔)。
2.转换开关S的选择:选择时应满足具有双层单刀式结构;其档位数必须满足待测排电阻的引脚要求(即等于或大于);此外为尽量使体积小,触点接触良好,接触电阻小。可选用无线电用的波段开关,例如11W1D波段开关,其结构如图5所示。

3.微动开关SB的选择:所选用的微动开关必须具有一个公共端和一个常闭触点SB1一个常开触点SB2(见图3)。当按下按键时,公共端与SB1脱开与SB2接通。松手后能恢复原状态,即公共端与触点SB1接通与SB2脱开。
4.接线柱的选择:应考虑接线柱内孔与表棒测试头的配合要好,能保持良好接触。
5.万用表:应根据待测阻值大小,便于观察和读出阻值,操作方便来选用。有条件可选用数字式万用表,读数直观,但显示数据慢,周期长。
五、元件制作和整机安装
1.面板的制作:本测试器是一种简单的测试器,无壳体,把面板和支架用一块铝板(180×140,厚度1~1.5mm)做成一体,形如“П”字。其中上面部分开有圆孔和方孔,就成了安装元、器件的面板(见面板加工图6所示)。两侧高度必须超过元、器的最大高度。

2.电阻刻度盘的制作和转换开关的安装:如图7所示制作电阻刻度盘。在制作时,应注意到波段开关顶部的旋钮尺寸,因为它是居于刻度盘中心部分,电阻刻度的刻线应在旋钮的外围。本图中电阻刻度线有2根R双和R单,其尺寸供参考,应根据旋钮尺寸来定。其刻线粗细和字的大小根据自己情况来定。制作时先把圆周分为12等分(每等分等于360÷12=30度角),下面一等分空着,用来写R双、R单标记,其余11等分如图7所示标上数字。刻度盘制好后可用胶水把它贴在面板对应的Φ8孔上面,使刻度盘的Φ8与面板上Φ8孔中心线对准。刻度盘也可直接画在画板上,最好先在面板平面上涂上油漆。安装转换开关时,最好在与面板的接触面(面板下平面)处贴放一橡皮板(要剪一与Φ8相当的孔),以防松动。把转换开关的轴从底下向上从Φ8孔伸出面板上面,用锁紧螺母固紧后,再装上旋钮。安装时注意把转换开关反时针拨至最底,以便使旋钮上刻线对准电阻刻度盘上1或01位置,把螺母旋紧。若刻线未对准,要拆松转换开关锁紧螺母,对准位置再重新固紧。

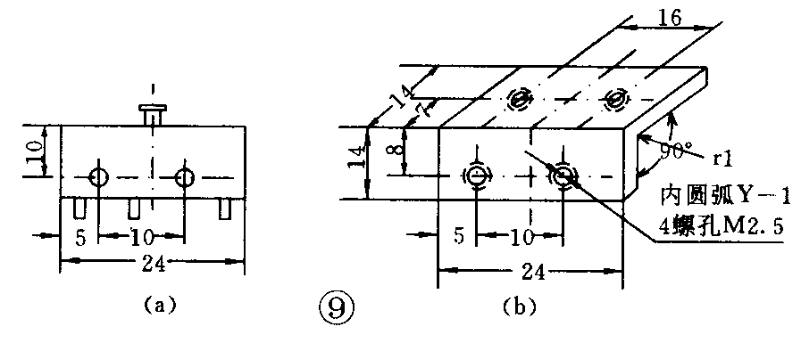
3.微动开关SB的安装:由于微动开关的安装孔是横向布设(孔的中心线平行面板平面),如图9(a)所示,无法直接安装于面板上。为此需要做一个“Г”型的支架(如图9(b)所示),先把微动开关用M2.5螺钉(2只)固定在支架侧面上,然后再把微动开关组件(连支架)装在面板上。装配时使微动开关伸出方孔24×10的上面,用M2.5螺钉2只固紧。

4.排电阻插座CZ的安装:由于排电阻插座是焊在印刷电路板上的,为此,必须找一块具有与弹簧插座孔引脚间距相同尺寸的电路板,按图8(a、b)所示锯成46×16的尺寸,剔去无用的铜皮,以防止引脚间短路。再打好2个通孔Φ4,要保证插孔居于这两孔中间位置。然后把插座CZ引脚清洁干净,插入电路板对应孔中,在反面焊牢。再把插座组件(含CZ插座和电路板)用M2.5螺钉和螺母固紧在面板上。安装时应把插座CZ通过方孔31×5伸出上面。

5.接线柱的安装:直接安装在2个Φ8的孔中,使之牢固。
6.整机电路引线连接:安装完工后按图3把各引线焊好,并用尼龙线捆扎好。各引线要尽可能短,但要留有一定余量,为将来维修拆装时提供方便。不便于焊接的元件,如转换开关的引线以及排电阻插座引脚的引出线,可在整机安装前先焊好,其余引线可在整机安装好后进行焊接,以便于安装。
所有面板上的元器件安装完毕后,再把配用的万用表棒插入接线柱内孔中,选择一只好的排电阻插入CZ插座中,进行测试,检查安装是否完好。(张武