本文介绍的逐级显示电路,是为展览多幅图片或展品设计的。自动显示时每一级的时间长短,可以在较大范围内调节,以满足每幅展示内容所需的时间。也可以采取人工遥控方式,以适应讲解员的时间安排。当调节自动显示的时间较短时,可以作为广告的逐级显示装置,十分醒目美观。
电路工作原理
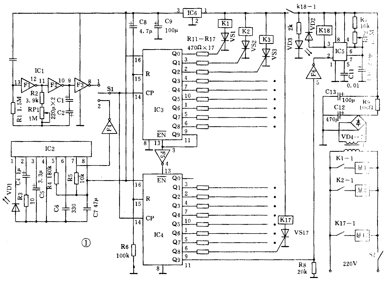
电路原理如图1所示,主要有由振荡器与遥控器组成的触发电路,多级计数电路,延时启动电路,可控硅保持电路和执行单元等部分。下面简要介绍各部分工作原理。

1.触发电路有两部分,一部分是产生自动触发信号的振荡器,它以六反相器中的F1、F2两个反相器和阻容元件组成。它的作用是产生连续方波脉冲,在自动/手动开关置“1”时,自动触发计数器计数。振荡器的振荡周期在2秒~5分钟连续可调,电解电容采取同极性对接串联,是为了保证这种长周期振荡的稳定性。在F1的输入端接C3,是为了保证每次电源接通时,振荡的输出级F3输出低电平。
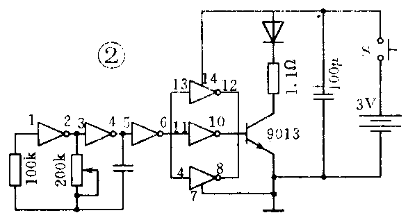
触发器的另一部分是红外线遥控器,当S1置“2”时,便可以通过遥控方式使计数器工作。红外线遥控发射器见图2,红外线接收器由接收管VD1和红外线专用集成电路IC2等元件担任。其工作原理在《无线电》杂志上有多文阐叙,这里不再赘言。

反相器F4将接收器每次工作产生的负脉冲转换成正脉冲,去触发计数器CP端进行计数。
2.多级计数电路由IC3、IC4和反相器F5组成,IC3和1C4为十进制计数/分频器CD4017。多级计数电路的工作原理是:由R6、C8组成的清零电路保证每次直流供电电源接通瞬时,使IC3和IC4处于复位状态。这时Q0输出高电平,贝IC3的Q9必输出低电平,它一方面使IC3的EN—端为低,保证IC3在脉冲触发CP端时正常计数,另一方面经反相器F5使IC4的EN—为高,将IC4锁定。当IC3计数至Q9为高电平时,IC3的EN—转为高,停止计数;而IC4的EN—转为低,在脉冲触发CP端时继续计数。到IC4的Q9为高电平时,便通过F6触发延时启动电路,切断前级与本级电路电源,显示全停。
计数级数的多少按显示需要设计,1片CD4017可输出9级,2片CD4017可输出17级,具体级数设定后,把下一级输出端接F6即可。
3.延时启动电路是利用多级计数器的最后一个输出端,经反相器F6去控制IC5完成的。IC5为555时基电路,将它接成单稳态触发器。当S2闭合接通电源后,其触发端②为高电平,复位端⑥经积分延时T≈1.1(R7+RP2)C10后也为高电平,使输出端③翻转为低电平,继电器K18吸合,将前级直流供电电源接通。当计数到IC5的Q9端为高电平时,经反相器F6转变为低电平去触发②端,使③端转为高,继电器K18释放,前级直流电源切断,又经延时启动进入下一个循环。设计延时启动电路的目的是在每次展示完结后,一方面让显示器全部熄灭,另一方面让讲解员有充分的时间作下一轮显示的准备。延时启动时间设在2秒至5分钟可调,以满足展览或广告的不同需要。
4.可控硅保持电路和执行单元由单向可控硅VS1~VS17和继电器K1~K17组成。因为在直流电路中,单向可控硅被触发导通后,即使去掉控制级电压,也能维持导通,所以本文所述的逐级显示电路,在每一级被“点亮”后能保持下去,直到全部显示完成,被延时启动继电器触点切断前级直流电源,才全部熄灭。
因为执行单元是继电器,它一般有两对以上的触点,所以每幅显示的内容可以是灯光或者灯光加语音电路的讲解词,形成自动讲解的展览/广告形式,具有很高的实用价值。
元件选择
图1中IC1为CMOS六反相器CD4069,IC2为红外线遥控专用集成电路CX20106A,IC3、IC4为十进制计数器/分频器CD4017,IC5为时基集成电路555,IC6为LM7812。图2中的六反相器型号为74HC04。
变压器T选15VA、220V/14V的;可控硅选用1A/400V的;继电器K1~K17视显示屏的负载而定,100W左右的可选用JRX—13F型的小型继电器,500W左右的则要选用JQX型中功率继电器。用于定时的电解电容器C1、C2和C10要优质正品,漏电流要小,最好选择钽电解电容。
安装与调试
整个电路分别安装在机箱内和显示屏内。机箱内安装电源变压器和印制电路板,而将用于调节时间的RP1、RP2,开关S1、S2和电源指示发光管VD3安装在机箱面板上。从安全的角度考虑,将继电器安装在显示屏内,这时从机箱内引出的是A1~An根继电器线包控制线加1根+12V直流电源线。当然也可以将继电器K1~Kn都安装在机箱内,这时从机箱里引出的是220V交流电源线。
调试工作主要是调整IC1的振荡周期和IC5的延时时间。将RP1调节到两个极端位置,看是否起振并且振荡周期是否在2秒~300秒的范围?增减RP1和R2的阻值,可以使振荡周期增大或减小。若不起振,主要检查C1和C2的质量,并用优质品替换之。IC5的延时长短也是调RP2、R7,或者C10,这里不再叙述。(陈堰波)

