采用热释电传感器(简称PIR传感器)构成的被动式人体红外探测电路,具有监控范围宽、探测距离远、可靠性高等优点,在安全防范及自动控制领域,已得到广泛应用。本刊今年第2期第45页上介绍了PIR传感器的结构与原理,本文着重介绍PIR传感器专用控制电路——TWH95系列模块的原理与应用。
TWH系列PIR控制电路采用大规模CMOS数字电路及微型元件固化封装,具有性能指标高、一致性好、外围电路简单、安装使用方便、无须调试等特点,是一种实用性能较强的人体自动探测控制模块。该电路接信号输出方式可分为3种:交流供电继电器输出型TWH9511,交流供电可控硅输出型TWH9512以及直流供电集电极输出型TWH9513。它们的引出脚排列见图1(a)(b)(c),各脚名称见表1,主要特性功能见表2,内部原理框图分别见图2、图3,探头电路见图4。






电路结构
TWH95系列控制电路内部设计有2个高阻抗输入低噪声运算放大器,总增益限制67dB以内,灵敏度可通过外接电阻进行调整。比较器为一个典型窗口式比较电路,其上下限阀值经若干次选择后,确定出最佳门限值。放大及比较器均由IC内部高精度4V稳压供电,设有温度补偿电路,因此电路增益不会随外界温度的变化而改变。这种电路既能抑制如热气团流动所产生的红外干扰,误报率极低,又能保证探测距离达12米以上。
TWH95系列电路,均设置使能控制端RD。该脚悬空时为自动状态,接入光控元件时,可使电路白天待机,晚上恢复自动工作。电路内部均设有一个专门为PIR预热的开机延迟电路,延迟时间为45秒,使PIR传感头预热后建立稳定的工作状态。另外,内部还设置了输出延时系统电路,延时时间参见表2。
对于交流供电的控制电路,专门设计有交流过零检测控制,使被控负载的接通与断开均处于交流电的过零点,这不仅减弱对负载的电流冲击,而且也消除了开关器件对电源的干扰。此外,交流供电型电路内部已设置有交流整流、滤波以及稳压电路,外围只须接入一只合适的降压电容即可直接使用在市电上工作。
工作原理
接通电源,电路即处于开机延时阶段,PIR传感头加电预热45秒。延时结束,电路进入自动检测状态。如果有人进入探测区,人体热红外线被PIR传感器探测到,输出幅度约1毫伏、频率在0.3—7Hz(与人体移动速度及透镜型号有关)的微弱电信号,此信号经一组高频滤波和阻抗匹配网络,馈入控制电路输入端S,微弱信号由内部两级带通选频放大后送至窗口比较器进行电压比较,输出触发电平。此触发信号通过一系列内部系统计数、延时、控制处理及驱动电路,最后推动可控硅或继电器,达到人体自动控制或防盗报警等目的。
典型应用
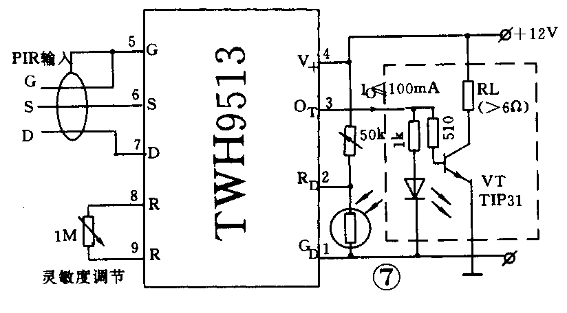
图5~图7为3种控制电路的典型应用电路,由于控制电路模块化,实际安装使用就变得非常简单。需夜间工作白天待机时,可按图接入光控元件,在实际开启的环境照度下,微调50k电阻,使其为自动状态。无需光控的全天候工作方式,只需将RD端悬空即可。



图5电路可广泛用于控制电路与被控负载隔离操作的场合作自动控制或报警,如自动门、自动电扇、危险区自动报警器等。而图6电路最大优点是以两线制工作,直接替换原控制电路中手动开关将极为方便。适合在整机与被控制端无需与市电隔离的人体自动控制场合,如商场、库房以及家庭的楼道走廊自动灯光照明。
图7为12V直流供电的应用电路,其输出端能直接驱动100mA以下负载。如负载功率较大,可按图7虚线框内所示增加一只大功率管扩流即可。2脚为输出使能控制端,低电平禁止输出,悬空允许输出。方便制作多功能无线遥控防盗装置。这种直流型控制模块,特别适合作保安防盗报警装置或机动车辆的防盗监护设备。
使用注意事项
1.交流供电回路所用降压电容器,要求其耐压≥400V。
2.TWH9511应用电路中,要求继电器K的线圈直流电阻≥400Ω。
3.光敏电阻应选亮阻≤5kΩ,暗阻≥500kΩ,并注意勿受所控灯光的反馈影响。
4.室外安装探头时,滤波匹配网络部分应安装于探头内部,且探头与控制电路引线应采用屏蔽线并要求长度不大于5米,灵敏度也不宜调得过高,以免邻居、路人的正常活动以及强热气团流动引起误触发。(蔡凡弟)