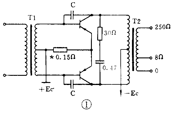
早期生产的国产晶体管扩音机,功率在25W至100W,在我市拥有近二百台。该类扩音机的末级功放均采用低频大功率锗管如3AD30C和3AD18等,这些管子的击穿电压BVceo低,一般只有几十伏,而扩音机末级工作电压在24V左右,晶体管工作时实际承受的反峰电压值已接近击穿电压,余量很小,尽管不少机型采用了稳压电源及保护电路,但仍然经常发生末级功放管烧坏的事故。我本着勤俭节约的原则,首先对上海民声50W的扩音机进行改装,经测试各项指标达到原来要求,通过一段时间的使用,效果显著。以后先后改装了30余台,深受用户欢迎。现把具体改法介绍如下:
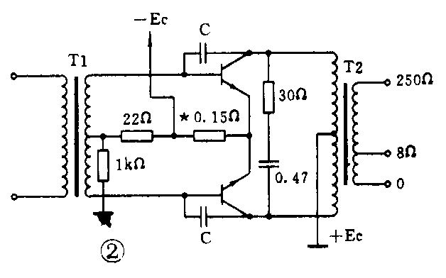
该机原来末级电路如图1所示,用的是2只PNP锗管3AD30C,由于末级前后均有输入和输出变压器,假如用2只低频大功率NPN硅管来更换,并改变供电极性、供电位置,对末前级和输出电路是不会引起任何影响的。由于硅管的温度特性好,击穿电压BUceo比锗管高得多,改用硅管后,末级的抗过荷和抗电压波动的能力就会比原来强。我采用的硅管为3DD15A,价格只有1.5元,图2是改装后的末级电路。选用管子时须要求BVceo>100V,Icm>5A,B>26。同时为使硅管导通的eb给电压比锗管高,为了减少小信号交越失真,需稍加静态偏置,使末级功放管在无信号时有约10mA起始电流。基极电路中的22Ω和1kΩ两个电阻就是为此而加装的(该2个电阻阻值应按扩音机功率不同而改变)。(王万海)

