故障现象:一台日立VT136录像机,放像快进、快倒均在3秒钟内自动停止,显示屏内计数器始终不计数。
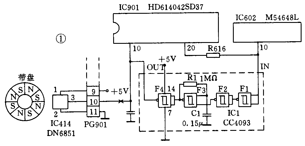
分析与检修:由于该机能执行放像、快进、快倒等功能,只是在3秒钟内自动停止,说明此机电源部分、机械部分、系统伺服控制部分工作正常。在走带时计数器不能计数,对此应首先测量IC414(DN6851)霍尔带盘检测输出端电压,正常时在0~5V之间变化。实测结果为0V,说明故障出在霍尔检测部分,如图1所示。为了确定霍尔集成块是否损坏,可将它从机上拆下,接上5V电源,用一变化磁场靠近它,用万用表直流电压档测它的输出脚③,结果没有0~5V的变化电压,从而确定霍尔集成块已损坏。

代换方法:如一时没有原配件,又要急用,可用CMOS(CC4093、施密特触发器)电容(0.15μF)和电阻(1MΩ)这三种元件构成的频率为1Hz的振荡器来临时代替。
组成的电路如图1虚线框内电路所示,其工作原理是:当放像、快进、快倒时,IC901系统伺服控制集成块的输出高电平去控制主导轴驱动集成块IC602的⑩脚。现就从IC901的取出这个高电平去控制IC1的F1,F1输出低电平,F2输出高电平控制F3的一输入端,使F3振荡发出约1Hz左右的脉冲电压,再由F4作输出级送到IC901⑩脚上,即原IC414霍尔检测输出的线路上。当控制走带停止时,IC901输出低电平,F3的控制输入端由高电平降为低电平,F3停振,这时IC901也正好不需要脉冲信号,系统控制集成块内的计数器也就停止计数。
元件选用:该装置对元器件没有特殊要求。IC1为四2输入端施密特触发器CC4093;R1为1/16W1MΩ;C1为0.15μF/63V;电源电压为5V。整个电路装在一块25×30mm的线路板上,具体电路及印制电路版如图2所示。装好后把原IC414的输出线断开,将此电路板的输入、输出线按图1所示接上,无需调试即可使用。(顾振远)
