变容二极管的电容—电压特性适用于调谐电路。在数字调谐收音机及电调谐器VHF和UHF中已得到广泛应用。调频接收机中的可变电容常因气温变化,动定片热涨冷缩引起容量变动造成频漂,在功率大的机器中还因扬声器振动引起自激,使收听无法进行。利用可变电压控制变容二极管结电容进行调谐可以比较好地解决上述问题。通常为了使振荡回路和天线输入调谐回路同步,变容管都是按反向电压—结电容特性编组配对使用,要求它们的热稳定性要高、内阻要小,在低电压使用时电容变化范围要大,当反向电压在1V—6V改变时,结电容可在30p—7p变化(电容比≥4)。适应型号有1SV 101(东芝)、SV201(三洋)、KV1301NT(索尼)及MV209、FV1043等。
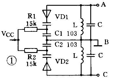
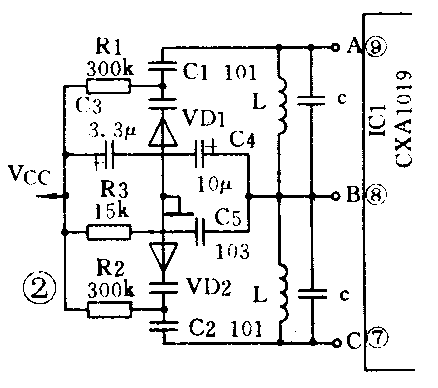
下面绘出两种常用电路:图1比较简单,R1、R2供电,C1、C2为隔直电容,同时起高频通路作用。因变容管接在输出两端,该电路Q值损失小,但因变容管的内阻存在势必有直流通路。图2比较完善,电路将隔直电容置于输出端,因此不会有直流通路。但因R并接在变容管两端会对Q值稍有影响,在这里R选用不可过小,C3、R3用来改善线性度,C4、C5为高频旁路电容。该电路中B点并不接地,和集成电路CXA1019第8脚相连,该脚内部含稳压电路,测量为1.24V电压。A点接至第9脚天线调谐回路。C点接至第7脚振荡回路。A、B、C点也可直接替代普通接收机中的可变电容器,用一只电位器就可方便地进行调谐。(赵建文)

