电视双伴音广播是在传送一路通常电视节目的图像及伴音(通常称主伴音)的同时,又附加传送一路不同的伴音信号(通常称副伴音)的广播方式。电视观众可以根据需要,选择收听其中的一路伴音。这给多语种地区的观众带来了很大的方便。同时,在双伴音广播的基础上,可很容易地实现立体声伴音传送,大大提高电视机的声像效果,这将给电视广播注入新的活力。因此,双伴音/立体声接收成为近年来电视发展的热点之一,尤其是在大屏幕彩色电视机中,已成为必备功能之一。
本文将介绍电视双伴音/立体声广播的几种常用的方法,并详细介绍双载波法与NICAM728方式双伴音/立体声接收的电路与原理。
一、电视双伴音/立体声广播常用的几种方法
1.双载波法:用两个伴音载频,由两路声信号分别调频传送。在接收端分别对两个载频解调,得到两路伴音。这种方法是由德国开发的,其信号的频谱图参见图1。特点是性能优越,成本较低,接收端电路简单,可与普通接收机兼容,尤其适合于PAL制。

2.多路传输法(Multiplex):可在一个载频上传送两路或两路以上的声信号。在接收端经解调可恢复传输的声信号。采用这种方法传送的信号,性能指标较双载波法略差,一般在NTSC制中采用。日本采用的FM—FM制,可传送两路声信号。特点是接收机线路简单,成本较低。美国及北美采用的Zenith方式,可同时传送立体声、一路伴音及一路非广播用途的业务用话音或数据,但其接收机的解调电路较为复杂。
3.NICAM728方式:即通常所说的丽音广播。这是英国开发的一种数字双通道音频处理系统。它采用了准瞬时压扩音频多路系统(Near Instantaneous Companding Audio Multlplexing System—NICAM)传输技术。在发送端,将两路音频信号首先转换成脉码调制PCM)信号并进行NICAM728方式编码,经编码后的码流对数字伴音载波采用4相差分脉冲相移键控方式(4 Φ DPSK/QPSK)调制发射。因此,在接收端可对数字伴音载波进行4 Φ DP-SK解调,得到两路数码流,对其进行NICAM728方式解调可得两路数字伴音码,经D/A转换及低通滤波后可恢复两路声信号。由于采用了数字传送方式,频响宽达15kHz,信噪比可达60dB以上,其音质可达到激光唱片(CD)的水平。因此,这种方式除传送原有伴音信号外,还传送两路高质量数字声信号,其信号的频谱图参见图2。

双伴音/立体声广播的传送方法的选择主要依赖于现行电视广播制式特点。我国采用的PAL—D制式具有较宽的频道带宽,宜选用双载波法;英国采用的PAL—I制式具有较宽的频道间隙,在保留原模拟伴音不变的同时,可插入一路数字伴音即丽音;日本、美国等采用的NTSC制式的频道带宽及间隙都很窄,选用上述两种形式都难以实现,则选用多路传输法。当然,选用哪种方式,还有许多问题需要考虑,远非上述这么简单。
由于我国双伴音/立体声电视伴音广播采用双载波法,而香港地区采用NICAM728丽音方式,因此,电视机应具备两种双伴音/立体声接收功能才能满足国内观众的需要。下面将分别介绍其原理与电路。
二、双载波法双伴音/立体声解调电路
为了获得较好的声像效果,避免声像相互干扰,双载波法双伴音/立体声电视接收机一般都采用准分离伴音方式。图3给出了双载波法双伴音/立体声解调电路的原理框图。其工作过程如下:

准分离伴音中频经检波后得到6.5MHz/6.742MHz两个伴音中频信号。其中,6.5MHz一路经鉴频解调后得到主伴音[即第一伴音或立体声的和信号(R+L)/2];6.742MHz一路经鉴频解调后得到副伴音(即第二伴音或立体声的R信号)。两路伴音分别送入立体声解码器得到立体声信号。另外,副伴音信号中还有一载有识别信号的54.7kHz的调幅导频载波信号,这一信号经调谐放大和AM检波得到双伴音/立体声识别信号,用于控制解码矩阵的状态。输出选择电路可根据观众的需要输出立体声、单声道、第一伴音或第二伴音。
东芝公司2929DXH型大屏幕彩色电视机的双载波法双伴音/立体声解调电路如图4所示,它采用了西门子(Simens)公司开发的总线控制(ⅡC—BUS)专用IC—TDA6620,该IC内部含有带宽滤波器、立体声识别与解码矩阵及输出控制电路。其工作过程如下:

经鉴频解调后得到的主、副伴音分别送入(1)、(3)脚,副伴音中的54.7kHz导频信号送入(4)脚进行选频放大,经带宽滤波器对导频信号进行负边包络检波,得到一个频率为117.5Hz(立体声)或274.1Hz(双伴音)的识别信号,这一信号经多路传输器(Multiplexer)与总线应答,将伴音状态置立体声或双伴音,同时主副伴音解码矩阵进入相应的状态,并由总线控制完成信号输出选择,在(7)、(8)脚得到所需的输出信号。(1)脚所接电位器用于调整立体声信号的分离度。
松下公司M16M机心“画王”系列大屏幕彩色电视机中采用了飞利浦公司研制的双载波法立体声/双伴音电视伴音信号处理专用IC—TDA3803A,图5是其电路原理图,其工作原理与TDA6620相似,工作过程简述如下:

主伴音经鉴频后得到的主伴音信号送入(25)脚;副伴音经鉴频后得到的副伴音信号和导频载波信号,分别送入(27)脚和(2)脚。导频信号经选频放大和AM解调后由(28)脚输出至(5)~(8)脚有源带通滤波得到识别信号并送至识别电路,完成状态识别与解码矩阵切换功能,识别结果由(14)、(l5)脚输出。(16)~(19)脚为模式控制端,立体声/单声道切换可由(19)脚选择,主副伴音可由(16)或(17)脚选择。(20)~(23)脚为输出信号。在接收立体声广播时,若选择立体声状态,(19)脚为高电平,则(20)、(21)脚分别输出右声道、左声道信号,(22)、(23)提供了另一个输出口,若选择单声道状态,(19)脚为低电平,则(20)~(23)脚均输出左右声道混合信号;在接收双伴音广播时,若选择伴音(1),(16)脚为高电平,则(20)、(21)脚均输出第一伴音信号,若选择伴音(2),(16)脚为低电平,则输出第二伴音信号。参见附表。图中(5)、(6)脚所接的电位器分别用于调整立体声和双伴音的接收灵敏度,(24)、(25)脚间所接电位器用于调整立体声信号的分离度。

需要说明的是,目前带有双载波法双伴音/立体声解调电路的进口电视机多为PAL—B/G制,其主副伴音载频分别为5.5MHz、5.74MHz,与我国采用的频率(6.5MHz/6.742MHz)不同,需进行改动并进行适当的调整后才能接收我国双伴音/立体声电视伴音广播信号。
三、NICAM728丽音解调电路
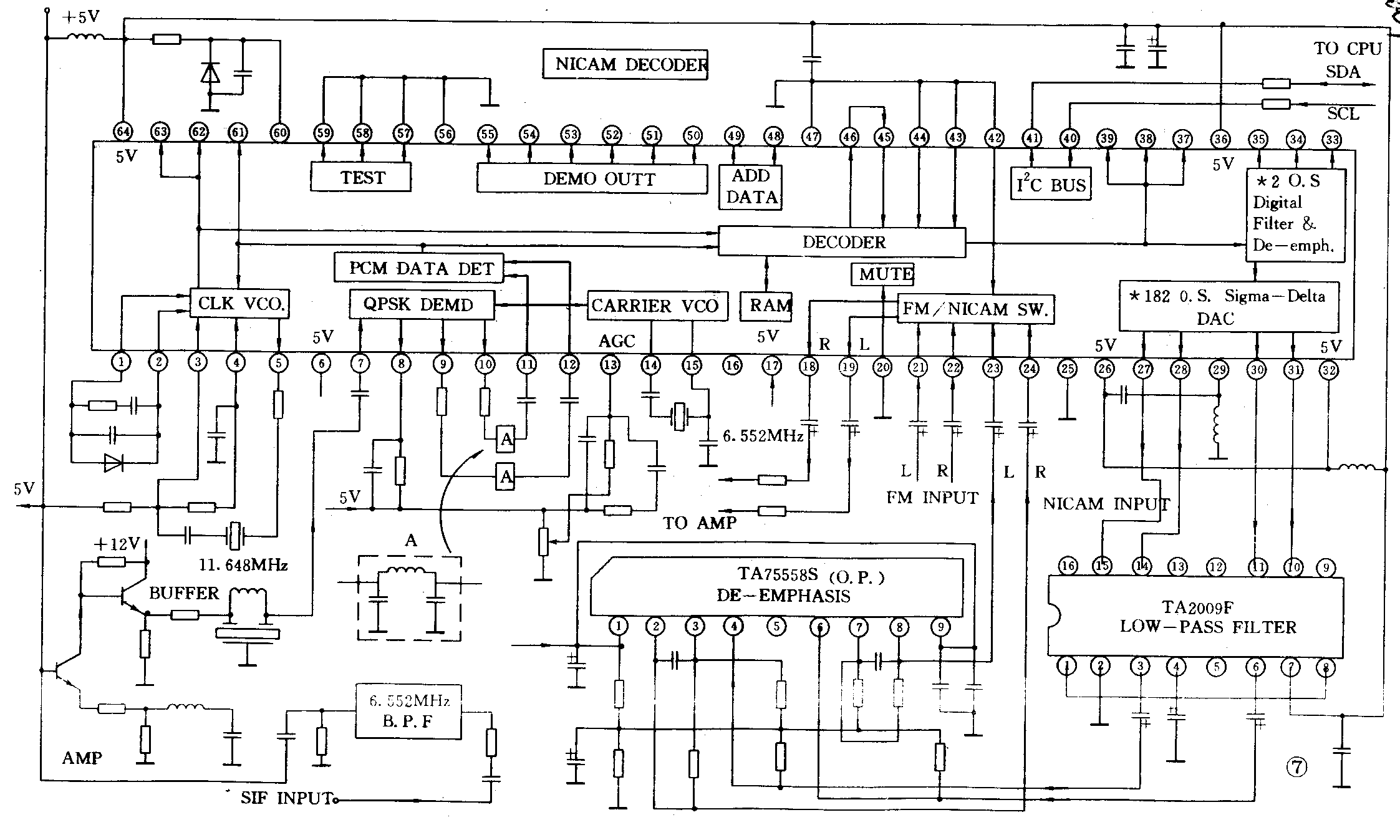
丽音解调电路的原理方框图参见图6。TB1204N/F是东芝公司研制的目前较先进的总线/非总线兼容的单片丽音解调电路,配合一个模拟低通滤波器TA2009P/F及一去加重电路,可组成一个完整的I制或B/G制丽音解调电路。东芝2929DXH等大屏幕彩色电视机及松下“画王”M16MV3机心中均采用了该IC,6.552MHz(I制)或5.85MHz(B/G制)的数字伴音载波信号经过LD01带通滤波器(B.P.F)和放大器进入解码器TB1204N,完成QPSK解调及PCM数码解调并恢复时钟信号,通过内置的RAM将其转换成伴音数据码,该数据码由内置的D/A转换器转换成两路模拟信号,通过外接的15kHz低通滤波器将声频(40Hz~15kHz)外的杂波滤除,并通过去加重电路去除加重成份,得到两路高质量音频信号。图7给出了东芝“火箭炮”2929DXH型29英寸彩色电视机中的应用电路。图中粗箭头示出了信号的流向。TA2009F为低通滤波器,双运放TA75558S为去加重电路。


TB1204N/F还设有两路外部信号输入端口(21)、(22)脚,可方便地与其它双伴音/立体声(如FM双载波法)电路连接实现多种立体声接收功能。TB1204N的各种控制信息均可通过ⅡC—BUS总线与CPU应答来实现,(41)、(42)脚为总线接口。另外,还设有非总线控制端子,(42)为FM/PCM输入选择;(52)~(55)脚为双伴音/立体声识别输出,可用于显示或CPU输入;(43)、(44)为丽音信号选择单/双伴音用。松下M16MV3机心中就采用了这种使用方式。
丽音解调IC电路还有很多,如松下“画王”M16M机心中采用的TA8662N+SAA7280P两片IC组成的丽音解调电路及“三超画王”M17机心中采用的TDA8732+SAA7282ZP两片IC组成的丽音解调电路,线路也比较简单,原理与TB1204N相似,此处不再详细介绍。(李砚泉)