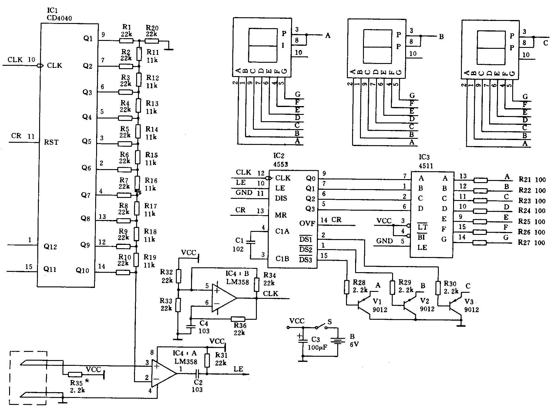
在许多场合下对溶液浓度进行测试,只需要知道它与标准溶液的相对浓度。本文介绍的数显溶液浓度测量小仪器,就适合作这种溶液浓度测试,使用既方便又直观。所用的均是廉价易购元件,成本较低,电路如附图所示。

电路由探头、A/D转换和数显锁存三部分组成。探头由石墨或金属电极及R35组成。当把探头插入溶液(要求溶液是导电溶液,且电导率与浓度具有单调函数关系,绝大多数电解液均满足此条件),探头把浓度信号转变成电压信号,并送入IC4:A,IC4:A的输出经C2、R31组成的微分电路输出锁存信号。其工作过程如下:在脉冲信号CLK的作用下,IC1与IC2同时计数,IC4:A的第2脚电压从零开始上升,当其高于IC4:A的3脚电压时,其第1脚输出低电平,经微分电路输出一个负脉冲送IC2的第10脚,对当前计数值进行锁存,这个被锁存的数即是A/D转换需输出的数。显示部分由IC2内部扫描显示部分及IC3、V1~V3、数码管、R21~R30组成。C1与IC2内部电路构成显示扫描振荡器,三位扫描信号由1、2、15脚输出并由驱动管V1~V3选择出需被点亮的数码管。IC2的5、6、7、9脚输出BCD码,由译码驱动集成电路IC3译成七段显示码并驱动数码管。由于ICZ采用扫描方式工作,所以只需一片七段译码电路即可显示3位数字。最大显示999。当计数到1000时IC2的第14脚输出一个进位脉冲,本电路中利用这个进位脉冲对IC1清零。IC4:B及外围元件组成振荡器,为IC1、IC2提供时钟信号。
电路中石墨探头可用干电池中碳棒加工,后部用金属片夹牢,保证它们接触良好,引线从金属片焊出。探头形状可根据不同场合而定。若用金属探头,由于探头上会有微弱电流流过,需考虑溶液中电化反应,不能在溶液中引入金属离子杂质。测试时应注意每次插入溶液深度要一致。使用时先把探头插入标准溶液中,记下此时显示值,以后配溶液时都配到这个值即可。由于溶液电导率还与湿度有关,再做一个标签,计下每个湿度下应配的值,一个方便、实用的小仪器就做好了。
由于电路所测值是相对浓度,所以对元件的绝对精度要求不高。电阻可选用1/8W误差5%的碳膜电阻。C1、C2、C4可选用瓷片或绦纶电容。C3选用电解电容。S可选用小型开关。IC1~IC3可选用CD、CC、MC系列CMOS数字集成电路(型号见图注)。IC4为双运放LM358。SX1~SX3可用8字数码管或3位共阴扫描屏。V1~V3可选用中小功率PNP管,如9012等。(陈伟)