普通吊扇一般采用电感式调速器分档调速,结构虽然简单,但调速开关使用日久之后经常出现接触不良、跳火等毛病,并且使用不方便。本文介绍一种不需制作专用发射器,直接利用电视、音响等的红外线遥控器遥控的电子调速器,实现9档风速调节,LED数码管显示风速,采用双向可控硅控制,动作安全可靠,方便实用。
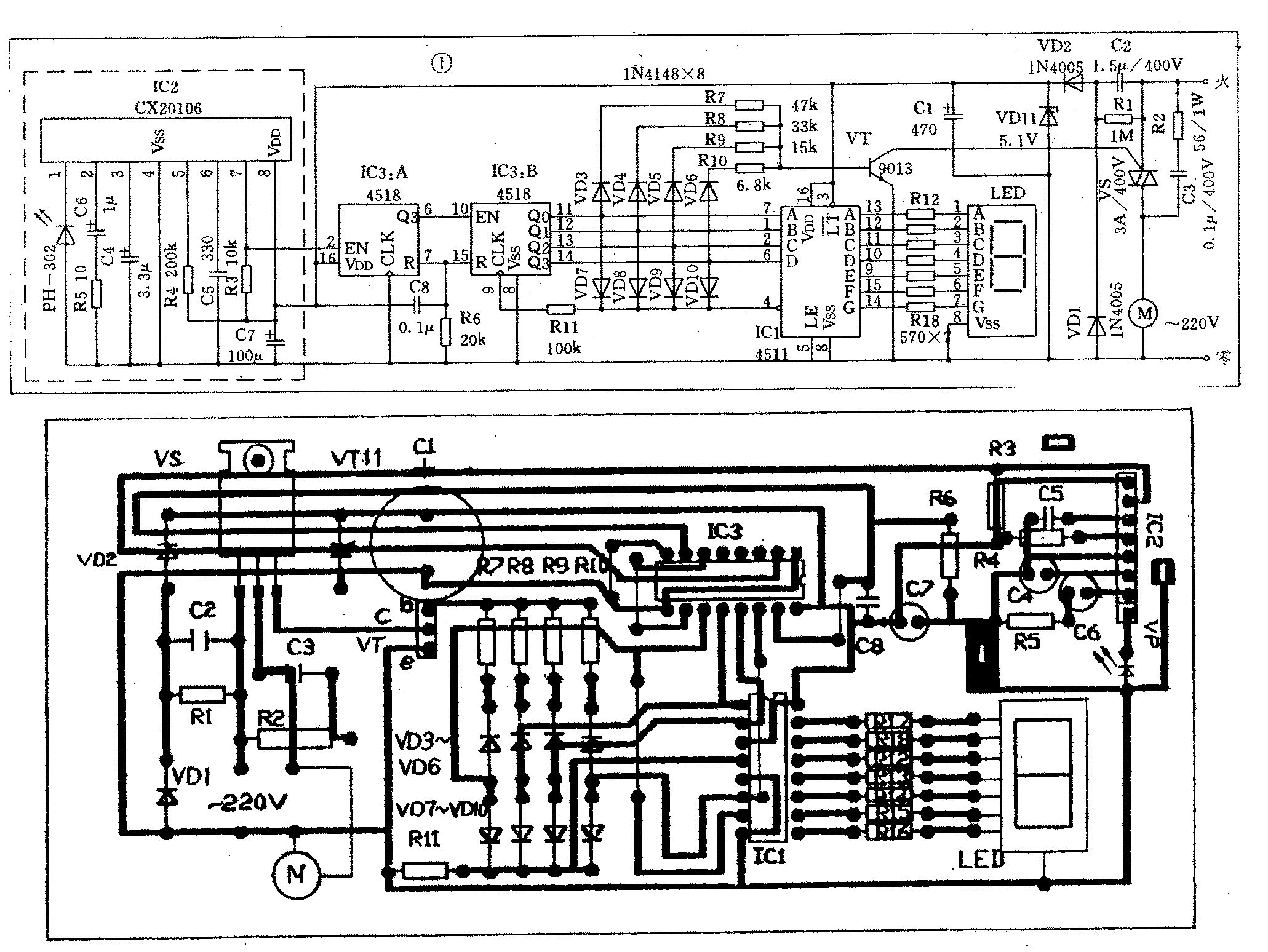
工作原理:电原理图如图1所示。从遥控器发射的脉冲,进入接收二极管PH-302。这一信号调制在40kHz左右,信号非常弱,不能直接利用。经IC2检波、放大后,送入IC3:A的输入端。IC3为双BCD加法计数器,接成二级计数器串行级联形式,采用脉冲下跳变计数。因电视、音响等遥控器发射的是脉冲群,含有多个脉冲,若将此脉冲群直接控制吊扇,很不容易准确地调在所需要的档上,IC3接成图中所示电路后,当输入端输入10个脉冲时,其输出端Q0~Q3的状态才改变一次,即风速调节一档。这样就较容易控制吊扇风速了。C8、R6组成开机复位电路。

IC3:B的输出,一方面通过R7~R10组合控制输出电流,经VT放大后调节双向可控硅VS的导通角,从而控制吊扇的风速。合理地调节R7~R10的阻值,可改变触发信号的强弱,进而改变双向可控硅的导通角,使加在电机M两端的电压发生变化,达到调速的目的。二极管VD3~VD6起隔离作用,避免各路输出互相干扰。IC3的输出共可组合成9档不同的电流,因此可实现吊扇的9档风速调节。同时,IC3:B的输出经IC1译码后直接驱动LED数码管显示相应的风速档数。VD7~VD10及R11组成4输入端或门电路,当IC3:B输出全为低电平时(此时吊扇停转),控制IC1的消隐端BI-为低电平,LED数码管不显示。吊扇的风速档循环顺序是:1~9、停。
电路的电源部分采用电容式降压,经VD1、VD2整流后,由VD11、C1稳压滤波输出5V左右的直流电压。R2、C3组成吸收回路,防止浪涌电流损坏双向可控硅。由于电路直接与电网相接,因此注意通电时不要用手触摸电路。
右上图为印刷电路板图(比例1:1)。LED数码管采用外接方式。IC2的放大增益较高,要用金属屏蔽罩将图1中虚线部分的元件加以屏蔽,否则不能正常工作。
元件选用及调试:红外线接收管选用PH-302,IC2选用CX20106或KA2184,IC3、IC1选用CMOS数字集成电路CD4518、CD4511或MC14518、MC14511,LED可选用0.5英寸的共阴型数码管,VD11选用0.5W5.1V的稳压管,C2、C3选用耐压400V以上的金属化纸介电容器或油浸纸介电容器,其它元器件的主要参数图中均已标出。
该调速器需要调试的是触发电路,即确定各限流电阻R7~R10的阻值。按遥控器上任意一键,使LED显示“1”,调节R10,使电机M上具有一定的端电压,如200V;再使LED显示“2”,调节R9,使M两端电压为180V;“3”档就不用调了,因“3”档的触发电流是由R9、R10共同决定的。实际上只需调节“1”、“2”、“4”、“8”档时M两端的电压,其余各档可由这4档组合而成。
此调速器安装的位置与遥控电视或音响的角度至少要大于45度,以免干扰电视或音响的工作。若调速器灵敏度太高,可适当减小R5的值,降低灵敏度;反之,增加R5的值,提高灵敏度。
为减少外界光线的干扰,在接收管的前面需加一块透明的紫红色的有机玻璃或塑料片。外壳可用有机玻璃自制或利用原调速器盒改装而成。
若将吊扇换成白炽灯,便可成为一盏新颖的遥控调光灯。(刘小林)