许多电子产品如电风扇、空气净化器、加湿器、取暖器、空调等都需要调速定时功能。本文介绍三种实现此功能的专用IC。
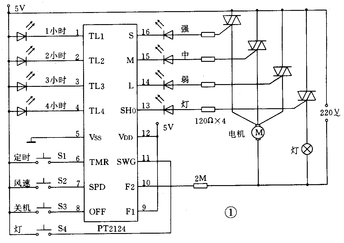
一、PT2124的主要特点是:①强、中、弱三档风速;②4段4小时电子定时;③一组独立式辅助输出;④以交流电源频率作时基;⑤自动中风启动;⑥全部采用轻触式开关控制,可灵活设计控制面板。
PT2124的典型应用电路如图1所示。其主要电气特性如下:工作电压为3~6V;静态电流为100μA;可控硅触发输出电流为7.6mA。

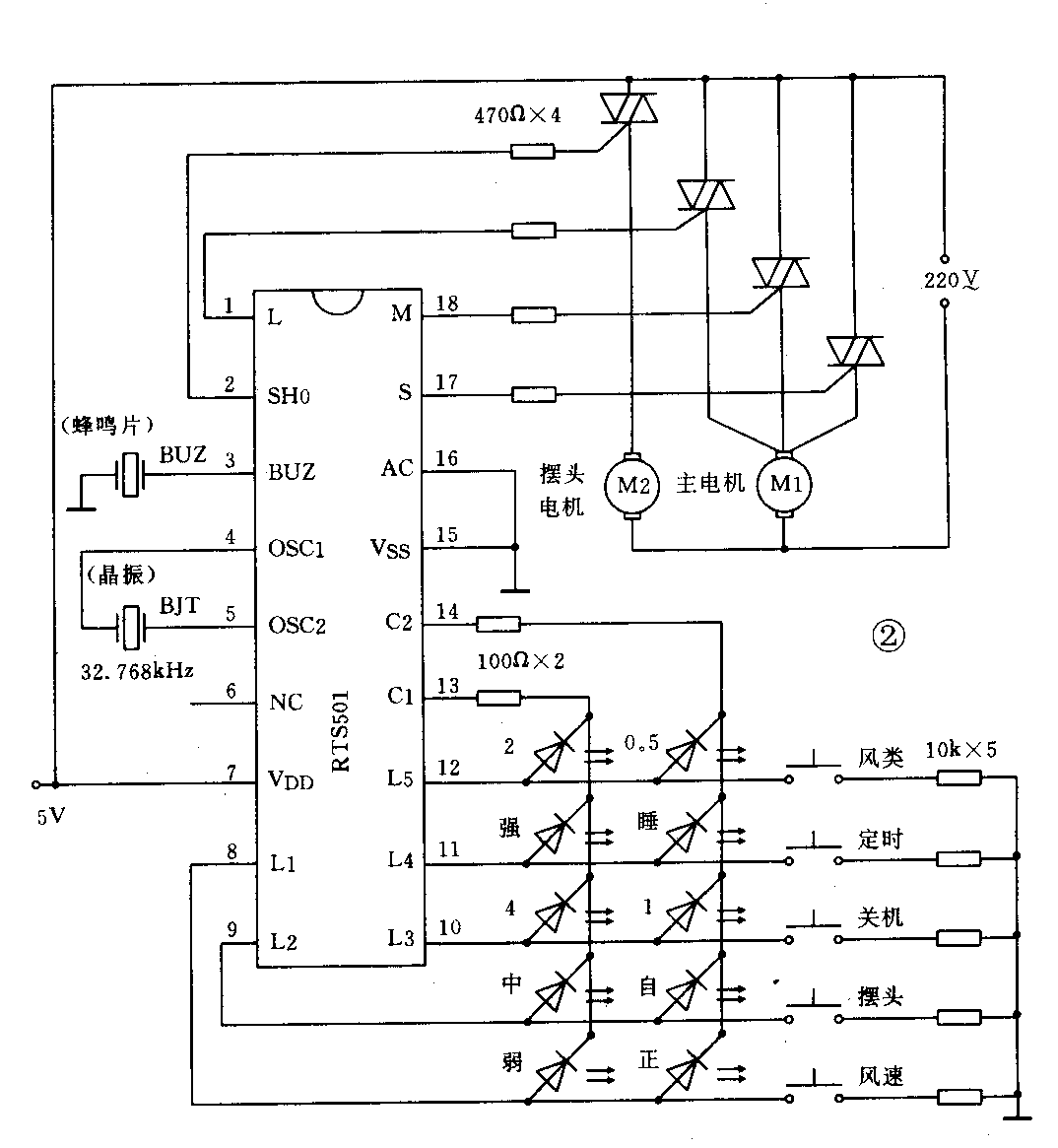
二、RTS501是国内应用较多的一种IC,它除了具备PT2124的全部功能外,还增加了自然风和睡眠风功能。定时为7.5小时4段式累进计时、蜂鸣器声响作正确输入提示。典型应用电路见图2。其中BJT表示晶体,BUZ表示蜂鸣片。主要电气特性如下:工作电压3.5~5V;静态电流为100μA;可控硅触发输出电流为25mA。

三、BA8206是具有遥控功能的调速、定时IC。它的基本功能与RTS501相似,另外增加了关机运行模式记忆和一个输出控制接口。它的全部功能均可以遥控,遥控发射电路见图3。BA8206亦可使用本机键来实施控制,典型应用电路见图4。图3中BA5104有2位用户码C1、C2,接地为“0”,悬空为“1”;图4中BA8206的用户码由第10脚接或不接二极管VD1、VD2来决定,接为“0”,不接为“1”,两者应相互对应。


BA8206的电气特性如下:工作电压3~5V;静态电流为500μA;可控硅触发输出电流为10mA。(张景水)