多功能程控闪光专用集成电路SE9201,功能全,花样新颖,可广泛应用于节日彩灯、舞台灯光、商业广告、门面装磺等的灯光控制。
SE9201采用双列直插18脚塑封,也可根据需要采用软封装,各管脚功能如图1所示。

SE9201全部花样有27种,由花样控制端B1、B2、B3、B4编程控制,控制逻辑如其值表所示。

SE9201的应用电路从输出功率来分有小功率、中功率和大功率三类,现举例说明。
图2是小功率应用电路,负载是发光二极管,主要应用于衣饰、音响和电子玩具等。发光二极管可两个并联使用。

图3是中功率应用电路,每路输出功率可达100W。主要应用于节日彩灯、商店橱窗,特别适用于小酒家、小商店的门面装璜。

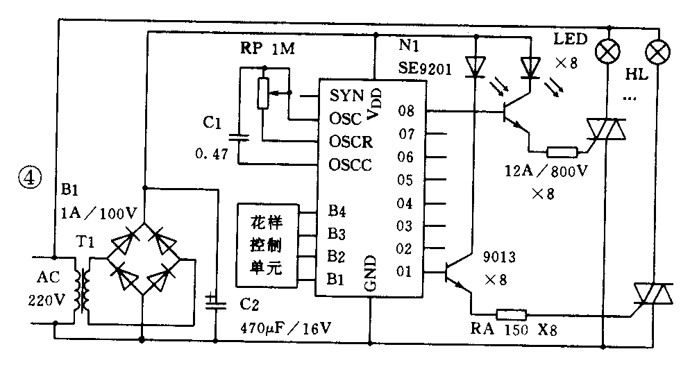
图4是大功率应用电路,每路输出功率可达1500W。主要应用于商场、酒店的门面装璜,特别适用于高大建筑物的轮廓灯控制。负载可以是白炽灯、满天星,还可以是霓虹灯。

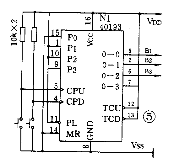
图4中的花样控制单元有3种形式;旋转开关式、琴键开关式和轻触开关式。第一种形式用六根导线直接将主板与开关相连。第二种形式可将琴键开关直接固定在面板上,也可安装在专门设计的控制板上。第三种形式,花样控制板的核心是二进制可逆计数器CD40193,相应的原理图如图5所示。

上述电路只要选用合格的元器件,并采取有效的散热措施,不必调试即可正常工作。常见的故障是灯光晃动,主要原因是可控硅不能充分导通,可以适当减小限流电阻RA,必要时更换可控硅。对于开机正常、但开机工作一段时间后出现某一路或几路灯光常亮的故障,则是由于采用不合格的可控硅或不够大的散热板引起的温升过高造成的,对策是更换可控硅或加大散热面积。
由于本电路采用双极和CMOS兼容工艺,输出级采用Bi-CMOS结构,可提供较大的驱动电流。通常每路输出电路在VDD=5V时可大于10mA,因而用可控硅控制灯光时,根据可控硅的电流容量,输出级的限流电阻应依据该可控硅栅极电流的大小来选择。SE9201电路由东南大学无锡分校生产(0510)-6765738。(李桂宏 谢世健)