1.问:一台天津产“星牌”便携收录机,功放IC为TA7236BP,现已损坏,由于购不到相同型号的IC,请问能用什么型号的功放集成电路代换?
答:有许多类型的功放IC,只要将管脚稍作变换,均可代换TA7236BP集成电路,表1中给出许多型号,可供选择。

2.问:一台爱华320组合音响,所用功放为厚膜集成块STK4122,为提高输出功率,该选用何种型号的功放块?
答:STK4122厚膜块是三洋公司STK41×2系列中的一个。该系列功放块在先锋、索尼、三洋及国产三力机中有所运用,其参数如表2所示:

由表可见,STK41×2系列中,×数字较大的完全可代用数字较小的。要增加输出功率,代换时还应增大变压器容量、滤波电容耐压及容量、整流二极管最大正向电流等。
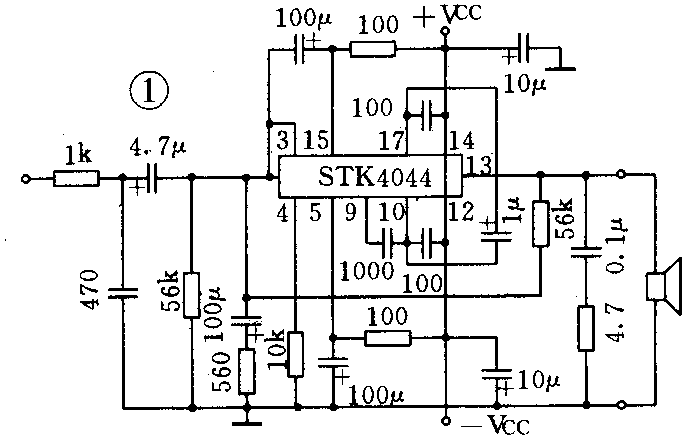
3.问:一台声达牌2×100W立体声调音台,其功放厚膜集成块STK4044Ⅺ坏,不知其参数如何,能用何种型号的集成电路代换?
答:STK4044Ⅺ为三洋公司所生产,它与STK4024、STK4030、STK4036、STK4038、STK4042基本是同一系列产品,在山水及国产华强、南方、钻石音响中都有应用,其接线见图1,参数见表3。Ⅺ型的比Ⅱ型的产品谐波失真要小50倍,频响也宽。


可见,STK4044在这一系列中是最高一档的。因此,在没有相同型号时,用STK4042Ⅺ代用,要注意功率不可满载,并设法加大散热片。
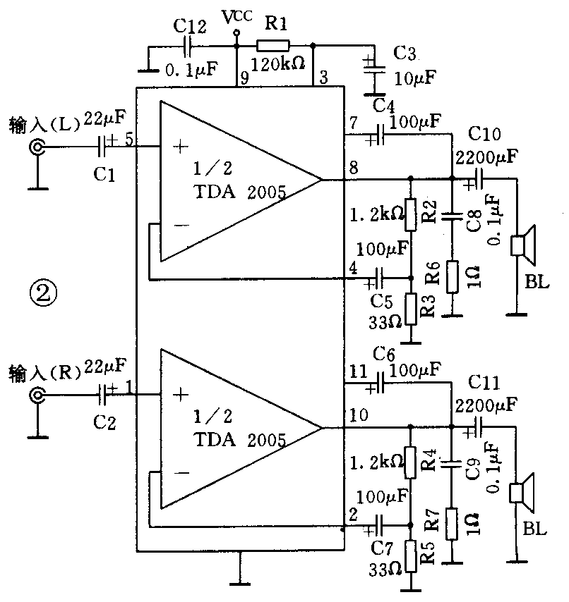
4.问:一台“GAO YUN”收录机的功放块μPC2005烧毁,如何代换?
答:可用TDA2005代换。TDA2005是10W×2输出的音频功率IC,外形为11脚单向排列,使用电压范围8~18V,静态电流60mA,也可以接成BTL输出形式。在12V电压下,各管脚的电压值如下(从①脚到脚依次排列):1.3、0.74、7.13、0.71、1.27、0、11.4、5.77、12、5.7、11.3。图2为其接线线路图。用TDA2004、XG2004也可代换。

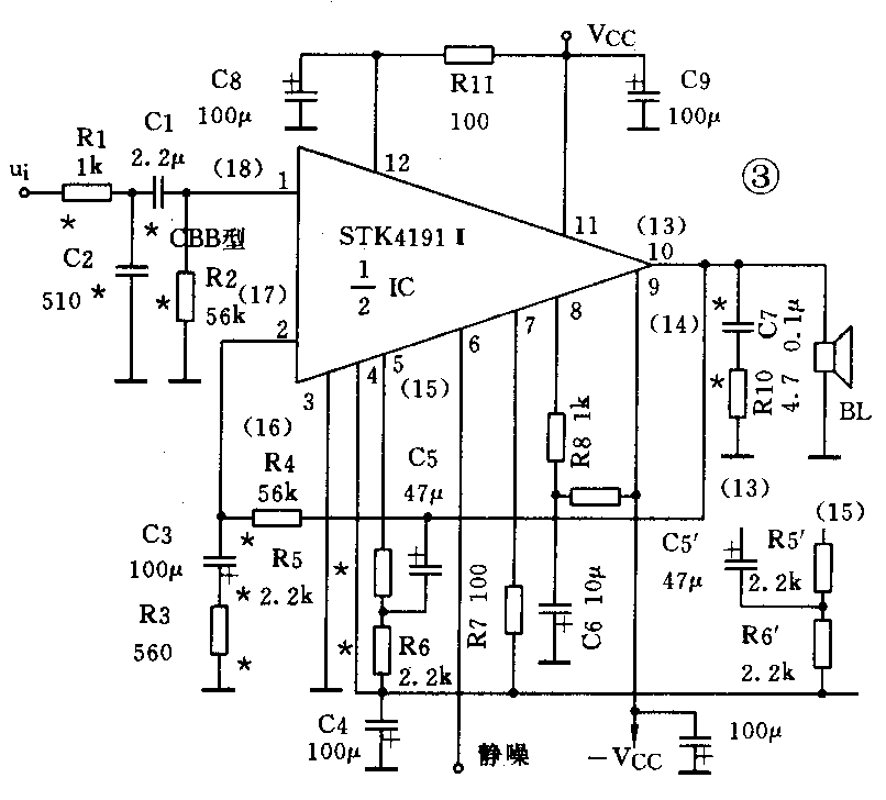
5.问:一台广东佛山产星河890组合音响,所用功放模块为STK4191Ⅱ,现在想对它进行改进,想知道该模块的代换型号,望能提供。
答:STK4191Ⅱ是日本三洋公司生产的STK41×1系列厚膜功放集成块之一,它被广泛应用于先锋、山水、日立、狮龙及国内星河、华强、钻石、佳威、上海、蓬波、南虹、丽都等组合音响上。其应用线路图如图3所示。管脚数字旁括号内数字为另一通道相应端,无括号的数字端为集成块公用管脚,元件旁有*者表示另一通道也用相同元件,所标R5'、R6'及C5'为提示另一通道的相应元件例子。因这里有一点特殊处,即R6'与R6的一端连接。R5'及C5'分别接及脚没有什么特别。

STK41×1系列中,×可有0~9共10个品种,其内电路与管脚排列全部相同,所用电压及输出功率均是数字大者为高,因此×代表的数字大者可代小者。例如STK4191可代STK4181……STK4101。另外,该系列尚有Ⅱ与Ⅴ型之区别。Ⅴ型的比Ⅱ型的在频响与谐波失真两个参数上要优越得多。(张国华)
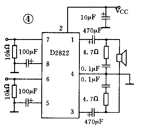
6.问:最近我校配备了音频磁场听音室设备,该设备的接收部分采用D2822型集成电路,由于集成电路损坏,请提供应用电路和代换电路。
表 4
型号 引 脚 序 号
D2822 6 8 11 4 14 16 1 3
TDA2822M 1 2 3 4 5 6 7 8
答:D2822是双声道音频功率放大电路,各引脚功能和典型应用电路见图4。非在路测试电阻见表4。直接代换型号有TDA2822,非直接代换型号有TDA2822M。代换方法见表4。(蒋秀欣)
