索尼CDP—C535、C545型为5碟CD机,使用者将电源电压开关档打错,造成了机子不能工作。这时测该机电源变压器其初级已断路(正常时直流电阻约280Ω),变压器已损坏。
检修时发现变压器在初级线圈内有一只热保险丝,串接在初级回路中,在电源电压突然过高,变压器过热时,自动断开。而热保护管藏在变压器初级线圈中,取出更换困难,本人只好从变压器骨架上,找到初级引线支焊脚,即其有保险丝的引出线脚,把同类型号交流保险丝,接到引出脚上,焊上后工作正常,但没有状态显示。

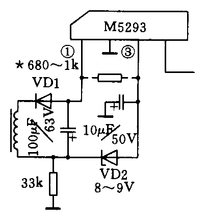
再检查变压器各输出电压正常,显示屏灯丝已亮(5V交流电压),查到显示驱动IC时,发现有+5V电压,没有-27V电压,从变压器找起,单独交流电压30V有输出,经VD1整流后为-30V,经IC1脚后,其它没有负电压输出。断电压仔细检查IC外部元件,发现VD2稳压管已变值(稳压电压8~9V),更换后显示屏有微小字符映象,续查其他元件未发现问题,只有更换ICM5293,但找这种IC比较难,本人根据资料分析,它内部是开关恒流电路,只要在M5293的①脚接一电阻通③脚处,如图所示,即可得到一27V的稳压电压供显示驱动IC工作,使显示正常。(陈伟祥)