彩电开关电源自激时常出现:电源部分发出咝咝声,有时+B电压稍有抖动,就伴有图像抖动、图像撕裂、图像拉毛等现象。其故障原因可能有:元器件特性变差,元器件配套不适,杂散耦合,接地不良等。修理人员往往对这种故障比较头疼。在排除接地不良因素后,可以采取的既简单也比较实用的对策是在电路适当部位增加消振电容(负反馈电容),消振电容一般可加在误差放大管基极与集电极之间。下面通过两个实例进一步加以介绍。
例1:日立CPT2125彩电有咝咝声、图像稍微抖动。
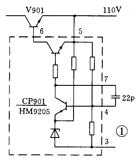
在修理日立CPT2125彩色电视机中,当用其它型号的电源开关管代替原型号开关管(2SD1496)时,常遇到开关电源自激现象。即:开机后,开关电源部分发出咝咝声,有图像,有伴音,但见到图像稍稍抖动。测量+B电压基本正常,用示波器观察开关电源输出脉冲,可发现波形非常杂乱,这是典型的开关电源自激现象。自激原因可能是由于所换电源开关管与厚膜电路CP901(型号HM9205,内含误差放大电路和开关管推动电路)配套不适引起的。有关电路如图1所示,在CPT2125电路图中CP901的第4、7脚(误差放大管的b、c极)之间接有消振电容C933(22pF/500V),印制电路板上也留有此电容的位置,但在实际机器中并没有安装。因此,如发现开关电源自激故障时,可在电路板C933位置加上一只消振电容,若按原电路图所标电容量22pF加装电容还不能消除自激时,可把消振电容容量适当加大。

例2:厦华XT—5101彩电有时发出吱吱声,并伴有图像撕裂现象。

初步判断故障是由于有时开关电源产生自激振荡引起。测量+B电压,正常。在图像正常时,用示波器观察电源开关管Q501基极波形,发现有一衰减振荡波形,如图2a所示,此时开关电源已处于临界自激振荡状态。当电视机发出吱吱声时,基极波形变乱,说明已经产生自激振荡。试在误差放大管Q503基极与集电极之间并联一只500pF的负反馈电容器进行消振,故障排除。再查电源开关管Q501基极波形已正常,如图2b所示。(刘午平)