《飞利浦最新数字激光唱机》一文发表后(详见《无线电》1995年第一期),引起不少发烧友的浓厚兴趣,个别朋友甚至提出了这样一个新颖而有趣的问题:能否采用飞利浦免调试CD主板控制现有的索尼CD机心,以降低升级改造的成本?为此,笔者选择了索尼CD机心KSL2101ABM进行实验,并取得了成功。下面介绍实验经过。
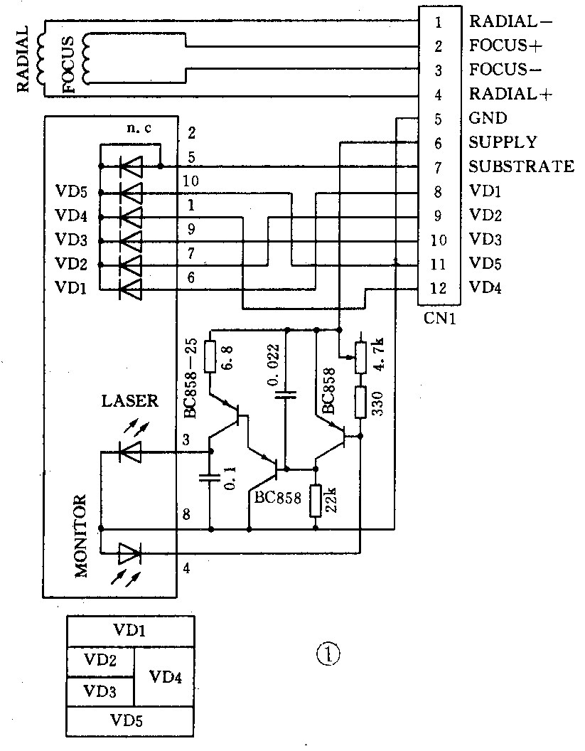
要利用PHILIPS的电路控制SONY的机心,必须先弄清楚SONY机心(KSL2101ABM)与PHILIPS机心(CDM12.1)的区别,然后根据不同之处相应地调整电路。我们知道,CD机心与电路密切相关的部分是激光头、门开关、返回开关、出门电机和主导轴电机,其中关键的激光头又包括激光二极管LD、监测二极管MD、光电监测二极管(4~6个)、聚焦线圈和循迹线圈。图1是飞利浦激光头的电原理图,图2是索尼激光头的电原理图。经过比较,我们发现区别主要有两点。区别之一:PHILIPS是采用单傅科法(Single Focaul)进行聚焦,聚焦检测管只有3个(VD2、VD3、VD4),SONY采用象散法(Astigmatism)进行聚焦,聚焦检测管有4个(A、B、C、D)。区别之二:PHILIPS的激光头上有集成化的激光功率自动控制电路,而SONY的激光头却没有激光功率自动控制电路。至于循迹,两者都采用了三点法,原理一样,即循迹检测管E、F相当于VD1、VD5。


区别之二可以通过调整硬件电路来解决,调整前后的激光功率控制电路如图3所示。对于区别之一,由于聚焦方法不同,不但要调整硬件电路,以适应聚焦检测管的变化,还要调整控制软件,使其数字聚焦伺服电路的误差判断方法和输出控制量相适应。受开发条件的限制,笔者无法对软件进行修改,只好向PHILIPS香港半导体部的朋友求援,对方欣然应允。笔者便集中精力应付硬件,调整前后的聚焦检测电路如图4所示。


根据调整后的电路,以及SONY机心引线的具体排位,我们重新设计了电路板,当我们的电路板完成后,PHILIPS的朋友也完成了软件的修改,并提供了芯片样板。将新的电路板安装完毕,与SONY机心KSL2101ABM连接好,通电试机,一切正常!优美的音乐似乎在祝贺我们的“嫁接”成功。再测量其电性能与重放能力,与原PHILIPS数字激光唱机几乎完全一样。经过一个多月的试用,该机没有出现任何故障。
将两个电子巨人的机心与电路嫁接起来,可算得上是非同一般的摩机,即提高了动手能力,又加深了对CD原理的理解,有兴趣的发烧友不妨一试。(姜小仪 柳东方)