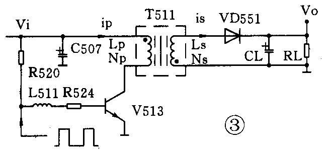
开关电源以其效率高、适应电压范围宽等优点而被广泛应用于彩色电视机中。一般红外遥控彩色电视机的电源电路简化框图如图1所示。遥控电路是单独供电的,通常使用简易线性稳压电源。主机则由开关电源供电。待机状态操作是通过关断开关电源,使主机停止工作来实现的。SANYO公司新型遥控彩色电视机电源原理框图同图1,电路原理图如图2所示。遥控电源是一采用变压器降压的简单整流稳压电源,提供遥控电路所需+5V电源;主电源是一种自激并联隔离型开关电源,电路简洁,效率高,具有较宽的稳压范围。该电源广泛应用于SANYO公司开发的各种遥控彩色电视机机心,如83PG、A3、A7等机心中。开关电源的基本原理在许多文献中均有介绍,本文不再详述。图3给出了开关电源的输出级。开关管导通时,开关变压器初级Lp吸收由输入电压Vi提供的能量并储存起来;开关管截止时,开关变压器所储存的能量经次级Ls输出至负输RL上。



根据开关变压器绕组中感应电压
e=-Ldi/dt
可导出开关管导通时,初级绕组电流:
ip=Vi/Lp×ton
其中,Lp为初级绕组的电感量;开关管截止时,次级绕组电流:is=Vs/Ls×toff其中,Ls为初级绕组的电感量;次级输出电压:
Vs=Vi×(Ton/Toff)×(Ns/Np)
其中,Np、Ns分别为初次级绕组的线圈匝数。
交流输入电压经桥式全波整流器整流,在滤波电容C507上形成直流电压Vi,Vi通过开关变压器T511和开关管V513变换成导通时间Ton可变的矩形波,Ton则受控于脉宽调制器。
输出电压V\(_{o}\)的变化量ΔVo经误差取样放大,控制脉宽调制器电容C515的充放电速率,使V513截止时刻提前或滞后,从而改变导通时间Ton,使V\(_{o}\)保持恒定。开关变压器次级绕组可提供以下五种直流电压:
(1):130V:行扫描电路;
(2):180V:视放电路;
(3):24V:场扫描与行振荡电路;
(4):12V:小信号处理电路;
(5):14.8V:伴音功放电路。
下面介绍开关电源电路的工作原理。
一、电路的启动
接通电源开关后,输入电压经整流滤波在开关变压器T511的③脚上得到直流电压Vi,Vi经T511的初级绕组③~⑦加到V513的集电极;同时,Vi经启动电路R520、R521、R522、L511、R524给V513注入基极电流,产生初级绕组电流,由于反馈绕组①~②的正反馈作用,使V511迅速饱和(t1时刻)。V513饱和后,其集电极电流ic按下式所示规律增长:
ic=Vi/Lp×tom
次级绕组感应电压上负下正,使VD551截止,不参与能量变换。当ic增大到某一值Ic时,Ib的大小不能使V513维持饱和状态,V513退出饱和进入放大状态,ic随之下降,感应电压极性反转。由于反馈绕组的正反馈作用,使ib迅速减小,直至V513截止(t2时刻)。此时T511中储有Lp×Ic×Ic/2的磁能。
V513截止后,T511次级绕组两端产生上正下负的电压:V\(_{o}\)=Vi(Ton/Toff)×(Ns/Np),此电压经VD551向C561充电,并供给负载,同时反馈绕组两端产生上负下正的电压,该电压使V513维持截止。当储存在T511中的磁能转化为电能提供给负载后,各绕组电压均下降并产生振荡(t3时刻)。当激励绕组的电压极性变正时,将使V513再次导通并进入饱和状态(t4时刻)。
二、正常工作状态下V513的开关动作
经过瞬间启动状态之后,电路进入稳定阶段。这时V513由导通转入截止的时刻t2,则取决于由VD515,V511,V512等组成的脉冲宽度调制器的起始导通时刻。一旦VD515导通,则V511,V512迅速导通,使V513因基极失去正向偏压而截止。
开关管V513转为导通的时刻t4(t1),则取决于储存在初级绕组的磁能向次级绕组转化的放电时间,并且取决于C516与初级绕组电感Lp所引起的共振过程。V513在截止期间(Toff)初级绕组感应电势的方向为上负下正,可近似看成与C516组成并联谐振,在t>t2时,感应电压向C516充电,其充电极性上负下正。随着初级绕组所储磁能大部分地泄放到次级绕组,感应电压将低于C516两端电压,此时(t3)C516开始向Np放电。感应电势极性反转。由于激励绕组的正反馈作用,使V513迅速饱和(t3~t4)并维持。正常工作时,各点的波形如图4所示。

三、脉冲宽度调制器稳压原理
开关管V513截止时,次级绕组经VD551整流、滤波后得到V\(_{o}\),其变化量经取样放大器V553放大后,通过光电耦合器VD515,使V513的偏置点改变,从而改变导通时间Ton的大小,达到稳定输出电压的目的。具体过程如下:
若由于某种原因使输出电压V\(_{o}\)上升ΔV,经取样放大,使光耦的发光二极管两端电压上升ΔV',发光增强,导致光电管两端电阻下降,V511基极电流增大,集电极电流也随之增大,则C515的充电速率加快,使导通时刻提前Δt。导通时间Ton减小Δt。输出电压下降。
若由于某种原因使输出电压V\(_{o}\)下降,则上述过程相反。这样就使Vo稳定于某一值。
四、待机(Stand by)状态控制原理
当控制电路发出待机命令时,V792导通,有电流流经R792、VD791、VD515的发光管,V511、V512导通,V513截止,开关电源停止振荡,次级输出电压为零。电视机进入待机状态。此时,遥控电路由遥控电源变压器T581、VD582、V581等组成的遥控电源供电。
五、附加电路
1.软启动电路
软启动电路由R520,R521,R522,L511,R524,C517等组成。
由于在开机瞬间C517两端的电压不能突变,只能缓慢上升,使开关管V513导通时间滞后,限制了开关管损耗,在进入正常工作状态时,C517还有吸收激励电压尖峰的作用,使开关管V513的be结得以保护。
2.限压电路
限压电路由VD518、VD519、R523组成。
当输入电压升高时,激励绕组电压Vd也升高。当超过VD519的稳压值时,限压电路中有电流流过,使V512导通,V513截止,开关电源停止工作。
3.开关管集电极尖峰电压的抑制电路
该电路由R525和C516等组成。
在开关管进入截止时,R525和C516能吸收因开关变压器漏感和分布电感引起的尖峰电压,降低V513的耐压要求。但在开关管进入导通时,该电路将使V513的导通损耗增加。
4.抗干扰电路
开关电源的干扰较大,为满足电磁兼容(EMC)要求,需对其干扰加以抑制。主要措施是在高电压、大电流突变点上接入抗干扰元器件:
(1)在电源输入端接入电源滤波器L502和滤波电容C501、C502,隔离交流电网与机内的相互干扰。
(2)电源地线与次级地之间加入R531、R532、C531阻容元件,可减少对广播波段信号的干扰,在桥式整流器各二极管两端并联一只4n7的电容,以减小二极管开关动作引起的尖峰电压干扰。
(3)在次级各输出整流二极管两端各串一磁珠再并接一电容,可有效地抑制高频繁流开关引起的辐射。此电容同C516一样也有抑制初级绕组尖峰电压的作用。
(4)开关管集电极串一电感(磁珠),可抑制集电极尖峰电流。
该电源可用于14~21英寸彩色电视机机心中,输入电压范围可达AC100V~270V,最大输出功率大于85W,是一种质优价廉的彩色电视机开关电源。(李砚泉)